Analisi del limitatore di corrente Theremino
Moderatori:
carloc,
g.schgor,
BrunoValente,
IsidoroKZ
50 messaggi
• Pagina 4 di 5 • 1, 2, 3, 4, 5
0
voti
Sono curioso di vedere se l'dea funziona, domani lo provo con LTspice.
Sono un appassionato di elettronica da sempre, ma ho dedicato più anni al software che alle formule della elettronica analogica. Ho decenni di esperienza pratica ma non conosco a memoria tutte le formule. Se sbaglio correggetemi.
0
voti
MarcoD ha scritto:
Aggiungerei un resistore R5, che riduce il guadagno dello stadio, rendendolo meno dipendente dal beta di T2. Non ho fatto calcoli, ai capi di R5 potrebbe cadere circa 1 V. Dimensionate il valore.
Poi un minor guadagno provoca pendenze minori, magari aumenta la dissipazione di T1 in un punto di lavoro critico....Il mio è solo uno spunto per un futuro approfondimento.
Magari un tesista volenteroso in questa branca (quasi) obsoleta dell'elettronica analogica lo dimensiona e ne simula il comportamento.... Saluti a IsidoroKZ_CAN.
Ho provato cosa succede con resistore di emettitore. Aumentando la sua resistenza la corrente di intervento diminuisce ma in tutti i casi l'influenza percentuale delle variazioni di beta sul punto di intervento è sempre la stessa. Per cui si complica solo il circuito (e il numero di componenti da ottimizzare) senza ottenere nessun miglioramento.
Riguardo a "branca obsoleta" non è così, perlomeno per la versione piccola da 80 mA che si monta in uno spazio piccolissimo 12mm x 9mm e con componenti facilmente reperibili. Fino ad ora nessuno ci ha proposto soluzioni migliori, come puoi leggere nella sezione "Alternative possibili" dell'articolo che trovi qui: http://www.electroyou.it/theremino/wiki ... n-foldback
Se vuoi vedere per cosa lo utilizziamo leggi le pagine da 20 a 24 di questo PDF che mostra il piccolo PCB e il suo utlizzo:
http://www.theremino.com/wp-content/upl ... rs_ITA.pdf
E per un'idea più generale sulla spettrometria puoi leggere questa pagina:
http://www.theremino.com/blog/gamma-spectrometry
Sono un appassionato di elettronica da sempre, ma ho dedicato più anni al software che alle formule della elettronica analogica. Ho decenni di esperienza pratica ma non conosco a memoria tutte le formule. Se sbaglio correggetemi.
0
voti
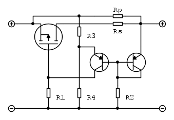
BrunoValente ha scritto:Stavo pensando che forse con un minimo di complicazione si riuscirebbe a renderlo più indipendente dal beta dei transistor.
I due transistor formano un differenziale che guarda la differenza di tensione tra ingresso e uscita che, se si sceglie un mosfet con una RDS(ON) bassa, dipende prevalentemente da Rs e dalla corrente al carico.
Il transistor di destra in effetti è un diodo che compensa la caduta BE di quello di sinistra e, se i transistor sono simili e R1 e R2 uguali, credo si riesca ad apprezzare una differenza dell'ordine di 100mV con una precisione sufficiente.
Il partitore R3 R4 è calcolato per squilibrare il differenziale di una tensione di un centinaio di mV, quindi il circuito dovrebbe scattare quando la caduta su Rs passa da quelle parti.
Rp dovrebbe servire a farlo ripartire una volta rimosso il sovraccarico.
Mi spiace ma non riesco a farlo funzionare, la dipendenza dal beta dei transistor è veramente bassa ma forse sbaglio qualcosa e non riesco a ottenere una curva di foldback simile a quella solita. Da quel che mi sembra di capire non si ripristina a meno di abbassare così tanto Rp da rendere il circuito abbastanza inutile.
I valori che mi sembrano più adeguati sono:
* R1 = R2 = 100k
* R3 = 1k
* R4 = 22k
* Rs = 0.1 ohm
* Rp = 100 ohm
Per chi volesse provare a proseguire ecco il file LTspice:
http://www.theremino.com/files/Limiter_ ... nte_V1.asc
Lascerei la palla a qualcuno più bravo di me, magari IsidoroKZ riuscirà a capire che valori ci vogliono per farlo funzionare. Anche perché il circuito se anche andasse bene sarebbe troppo difficile da saldare su una sola faccia senza incroci. Per vedere cosa intendo guarda le pagine da 20 a 24 di questo PDF:
http://www.theremino.com/wp-content/upl ... rs_ITA.pdf
Sono un appassionato di elettronica da sempre, ma ho dedicato più anni al software che alle formule della elettronica analogica. Ho decenni di esperienza pratica ma non conosco a memoria tutte le formule. Se sbaglio correggetemi.
4
voti
Con quei valori, se stai lavorando con 5V, cadono 217mV su R3, quindi dovrebbe scattare quando la corrente supera 2A e oltre.
Porterei R3 a 100ohm e R4 a 4.7k per assicurare 100mV su R3, poi porterei Rs a 0.2ohm per farlo scattare a circa 0.5A.
La RDS(ON) del mosfet dovrebbe essere molto più bassa di Rs oppure bisogna tenerne conto e inglobarla in Rs ma senza esagerare: non so fino a che punto si possa fare affidamento sul suo valore.
Dovrebbe potersi ripristinare anche con valori alti per Rp ma occorre staccare il carico per un istante in modo che la corrente si annulli o insomma che si riduca molto fino a che la caduta su Rp scenda sotto 100mV.
Porterei R3 a 100ohm e R4 a 4.7k per assicurare 100mV su R3, poi porterei Rs a 0.2ohm per farlo scattare a circa 0.5A.
La RDS(ON) del mosfet dovrebbe essere molto più bassa di Rs oppure bisogna tenerne conto e inglobarla in Rs ma senza esagerare: non so fino a che punto si possa fare affidamento sul suo valore.
Dovrebbe potersi ripristinare anche con valori alti per Rp ma occorre staccare il carico per un istante in modo che la corrente si annulli o insomma che si riduca molto fino a che la caduta su Rp scenda sotto 100mV.
-

BrunoValente
39,6k 7 11 13 - G.Master EY

- Messaggi: 7796
- Iscritto il: 8 mag 2007, 14:48
1
voti
Con i valori che hai indicato la caduta di tensione nella zona di funzionamento è minore e il circuito, tranne alcuni aspetti che spiegherò dopo, funziona anche molto bene. Sei sicuramente molto bravo a mettere insieme i componenti, io non sarei mai arrivato a un intrico del genere calcolando tutto a mente. E il bello è che funziona anche come da te previsto.
Funzionava bene anche con i valori indicati da me ma mi aveva ingannato la curva risultante che, come già scritto, è diversa da quella cui sono abituato. Ma ora comincio a capirla meglio.
Questa è la curva del nostro limitatore: http://www.theremino.com/uploads/Limite ... mpOnly.png
E questa è la curva del tuo: http://www.theremino.com/uploads/LImite ... nte_V2.png
La differenza sta tutta nella pendenza della zona che nelle immagini allegate va da 0 a 4.8 volt circa. Nel tuo circuito la pendenza è negativa e comporta, come hai scritto, di dover staccare il carico per ripristinare. Invece nel nostro circuito la pendenza è positiva e basta diminuire il carico, anche lentamente, per ripristinare.
In altri casi il tuo circuito è davvero ottimo, ma per noi non funzionerebbe perché inserendo il Jack si passa prima da un corto circuito e solo dopo il carico scende fino a quello normale. Inoltre come già scritto il tuo circuito non è topologicamente planare.
Non dirmi che dovremmo usare connettori più seri e un PCB a doppia faccia, vai a vedere come usiamo il limitatore nelle pagine da 20 a 24 del PDF: http://www.theremino.com/wp-content/upl ... rs_ITA.pdf
Tutte le nostre realizzazioni sono molto da fai-da-te, con la low-tech più low-tech che riusciamo a mettere insieme e anche risparmiose il più possibile. Per questo usiamo quella piccola schedina audio, pensa che la si trova a 2 Euro spedizione compresa e che assolve egregiamente il suo compito come Adc a 16 bit, e nel contempo fornisce la alimentazione al Pmt Adapter, inevitabilmente attraverso un cavo standard Jack-Jack che si usa per l'audio, che costa anche lui poco e si trova facilmente su eBay.
E riguardo alla topologia dei circuiti vorrei farti vedere alcune buffe tecniche utilizabili da chi non ha altro che le forbici o il Dremel:
http://www.theremino.com/technical/tabl ... coppertape
http://www.theremino.com/#slowfood
E infine un consiglio, usare LTspice è molto facile e sono sicuro che se iniziassi a usarlo te ne innamoreresti. Capisco che tu riesci a fare i conti anche senza, e anche a mente. E un po' ci riesco anche io. Ma con LTspice è tutto un altro andare, puoi "vedere" in un colpo solo tutta una curva e non un solo punto per volta come con i calcoli analitici.
Funzionava bene anche con i valori indicati da me ma mi aveva ingannato la curva risultante che, come già scritto, è diversa da quella cui sono abituato. Ma ora comincio a capirla meglio.
Questa è la curva del nostro limitatore: http://www.theremino.com/uploads/Limite ... mpOnly.png
E questa è la curva del tuo: http://www.theremino.com/uploads/LImite ... nte_V2.png
La differenza sta tutta nella pendenza della zona che nelle immagini allegate va da 0 a 4.8 volt circa. Nel tuo circuito la pendenza è negativa e comporta, come hai scritto, di dover staccare il carico per ripristinare. Invece nel nostro circuito la pendenza è positiva e basta diminuire il carico, anche lentamente, per ripristinare.
In altri casi il tuo circuito è davvero ottimo, ma per noi non funzionerebbe perché inserendo il Jack si passa prima da un corto circuito e solo dopo il carico scende fino a quello normale. Inoltre come già scritto il tuo circuito non è topologicamente planare.
Non dirmi che dovremmo usare connettori più seri e un PCB a doppia faccia, vai a vedere come usiamo il limitatore nelle pagine da 20 a 24 del PDF: http://www.theremino.com/wp-content/upl ... rs_ITA.pdf
Tutte le nostre realizzazioni sono molto da fai-da-te, con la low-tech più low-tech che riusciamo a mettere insieme e anche risparmiose il più possibile. Per questo usiamo quella piccola schedina audio, pensa che la si trova a 2 Euro spedizione compresa e che assolve egregiamente il suo compito come Adc a 16 bit, e nel contempo fornisce la alimentazione al Pmt Adapter, inevitabilmente attraverso un cavo standard Jack-Jack che si usa per l'audio, che costa anche lui poco e si trova facilmente su eBay.
E riguardo alla topologia dei circuiti vorrei farti vedere alcune buffe tecniche utilizabili da chi non ha altro che le forbici o il Dremel:
http://www.theremino.com/technical/tabl ... coppertape
http://www.theremino.com/#slowfood
E infine un consiglio, usare LTspice è molto facile e sono sicuro che se iniziassi a usarlo te ne innamoreresti. Capisco che tu riesci a fare i conti anche senza, e anche a mente. E un po' ci riesco anche io. Ma con LTspice è tutto un altro andare, puoi "vedere" in un colpo solo tutta una curva e non un solo punto per volta come con i calcoli analitici.
Sono un appassionato di elettronica da sempre, ma ho dedicato più anni al software che alle formule della elettronica analogica. Ho decenni di esperienza pratica ma non conosco a memoria tutte le formule. Se sbaglio correggetemi.
3
voti
Ho dimensionato i valori sulle correnti della simulazione di Isidoro.
R3 e R4 sono dimensionati in modo approssimato.
Ho impostato una I in R3 e R4 di 1 mA molto maggiore della corrente Ib in T2.
Potrebbe anche funzionare attorno a 500 mA
Non ho calcolato la Iu in funzione di Vu; potrei provare ad farlo in Excel.
Il funzionamento del circuito dovrebbe essere meno sensibile alle variazioni di beta di T2.
Il circuito funzionerà meglio o solo in modo diverso?
Complementi a BrunoValente per il suo circuito e a Theremino per le considerazioni.

0
voti
Grazie
ma non mi sembra che sia chissà cosa.
-

BrunoValente
39,6k 7 11 13 - G.Master EY

- Messaggi: 7796
- Iscritto il: 8 mag 2007, 14:48
1
voti
E bravo a
MarcoD che ha fatto un vero amplificatore di transconduttanza, e a
BrunoValente che sul progetto circuitale non e` secondo a nessuno!
Per usare proficuamente un simulatore, bisogna sapere molta più elettronica di lui
Plug it in - it works better!
Il 555 sta all'elettronica come Arduino all'informatica! (entrambi loro malgrado)
Se volete risposte rispondete a tutte le mie domande
Plug it in - it works better!
Il 555 sta all'elettronica come Arduino all'informatica! (entrambi loro malgrado)
Se volete risposte rispondete a tutte le mie domande
-1
voti
Pero` a sbagliato almeno a scrivere qualche numero... Ma pazienza. Un errore di sbaglio.
Perche` il circuito di [36] migliora le cose? Rende indipendente il circuito dal beta di T2, questo l'ho letto. L'emitter di T2 lavora ad un potenziale "sollevato" da terra, quindi praticamente sempre come interruttore?
Perche` il circuito di [36] migliora le cose? Rende indipendente il circuito dal beta di T2, questo l'ho letto. L'emitter di T2 lavora ad un potenziale "sollevato" da terra, quindi praticamente sempre come interruttore?
-

CarloCoriolano
1.446 3 4 7 - ---
- Messaggi: 1023
- Iscritto il: 24 mag 2016, 13:08
1
voti
Perché la resistenza in serie all'emettitore introduce una retroazione abbassando il guadagno del circuito ma rendendolo più stabile e meno dipendente dal hFE del transistor e dalla temperatura (che fa diminuire la Vbe).
Se non ricordo male questo tipo di reazione è detta "reazione di corrente riportata in serie".
Se non ricordo male questo tipo di reazione è detta "reazione di corrente riportata in serie".
"La follia sta nel fare sempre la stessa cosa aspettandosi risultati diversi".
"Parla soltanto quando sei sicuro che quello che dirai è più bello del silenzio".
Rispondere è cortesia, ma lasciare l'ultima parola ai cretini è arte.
"Parla soltanto quando sei sicuro che quello che dirai è più bello del silenzio".
Rispondere è cortesia, ma lasciare l'ultima parola ai cretini è arte.
-

TardoFreak
73,9k 8 12 13 - -EY Legend-

- Messaggi: 15754
- Iscritto il: 16 dic 2009, 11:10
- Località: Torino - 3° pianeta del Sistema Solare
50 messaggi
• Pagina 4 di 5 • 1, 2, 3, 4, 5
Chi c’è in linea
Visitano il forum: Nessuno e 182 ospiti

Elettrotecnica e non solo (admin)
Un gatto tra gli elettroni (IsidoroKZ)
Esperienza e simulazioni (g.schgor)
Moleskine di un idraulico (RenzoDF)
Il Blog di ElectroYou (webmaster)
Idee microcontrollate (TardoFreak)
PICcoli grandi PICMicro (Paolino)
Il blog elettrico di carloc (carloc)
DirtEYblooog (dirtydeeds)
Di tutto... un po' (jordan20)
AK47 (lillo)
Esperienze elettroniche (marco438)
Telecomunicazioni musicali (clavicordo)
Automazione ed Elettronica (gustavo)
Direttive per la sicurezza (ErnestoCappelletti)
EYnfo dall'Alaska (mir)
Apriamo il quadro! (attilio)
H7-25 (asdf)
Passione Elettrica (massimob)
Elettroni a spasso (guidob)
Bloguerra (guerra)






