Cos'è ElectroYou | Login Iscriviti

ElectroYou - la comunità dei professionisti del mondo elettrico

Esercizio Trifase Carico Squilibrato

Circuiti, campi elettromagnetici e teoria delle linee di trasmissione e distribuzione dell’energia elettrica

Moderatori: Foto Utenteg.schgor, Foto UtenteIsidoroKZ

0
voti

[1] Esercizio Trifase Carico Squilibrato

Messaggioda Foto UtenteAleSof » 5 gen 2017, 17:55



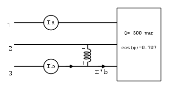
Non avendo i risultati dell'esercizio vorrei un confronto sullo svolgimento. Mi viene richiesto di valutare l'indicazione dell'amperometro I_b. Di seguito il mio svolgimento.

Ho calcolato prima i valori della potenza attiva assorbita dall'utilizzatore a destra , essendo phi 45° si ha :

P=Q=500W

Da cui la potenza apparente : A=\sqrt{2}P

E la tensione di linea E_1=\frac{A}{3I_a} che assumo con fase 0.

Con la legge di Kirchhoff al nodo sulla linea 3 si ha : I_b=\frac{V_{32}}{jX_l}+I'_b

Ove I'_b = I_a e^{j \frac{2}{3}\pi}

V_{32}=\sqrt{3}E_1e^{j\frac{\pi}{2}}

Sostituendo i valori trovo I_b.

Grazie mille O_/
Ultima modifica di Foto UtenteAleSof il 5 gen 2017, 18:18, modificato 1 volta in totale.
Avatar utente
Foto UtenteAleSof
30 3
 
Messaggi: 15
Iscritto il: 24 dic 2016, 20:20

0
voti

[2] Re: Esercizio Trifase Carico Squilibrato

Messaggioda Foto Utenteadmin » 5 gen 2017, 18:15

Il procedimento è corretto.
Sui calcoli non ci si può pronunciare: la simbologia è ambigua.

PS: vedo ora che hai sostituitoE' con E_1 per cui ora va bene
Continua a non essere chiara la fase di I_a che non può essere a fase zero che è stata attribuita ad E_1
Avatar utente
Foto Utenteadmin
196,6k 9 12 17
Manager
Manager
 
Messaggi: 11951
Iscritto il: 6 ago 2004, 13:14


Torna a Elettrotecnica generale

Chi c’è in linea

Visitano il forum: Google Adsense [Bot] e 65 ospiti