Però qualcosa non quadra (non sono sicuro con il procedimento) con l'esercizio che vi presento, mostrandovi i passaggi che ho svolto.
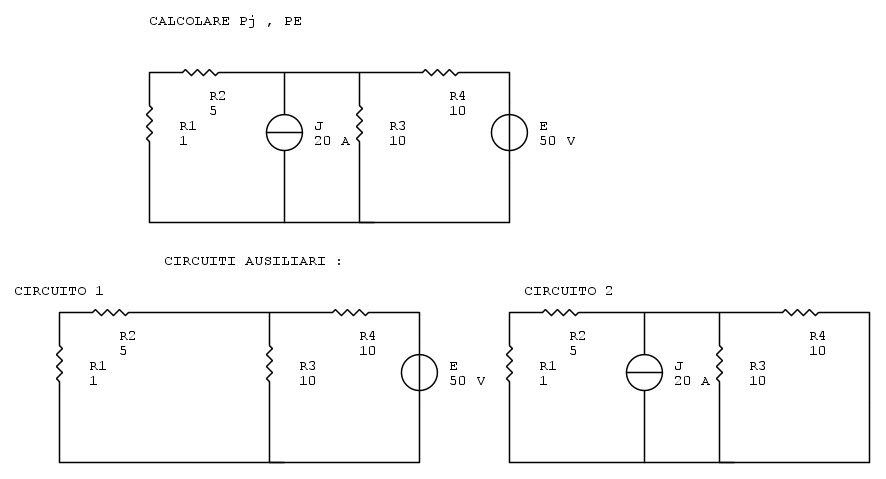
L'esercizio chiede di calcolare la potenza totale erogata dai generatori.
Risultato: Pj=1,36 kW e PE=-0,09 kW
Mi trovo con Pj=1,36 kW ma, stranamente non mi viene lo stesso risultato per la potenza PE erogata dal generatore di tensione cioè non mi trovo con PE=-0,09 kW
Innanzitutto ho individuato i due circuiti ausiliari , passivando rispettivamente i due generatori:
Per il calcolo della potenza totale erogata dal generatore di tensione, ho espresso in questo modo quest'ultimo:
Invece per la potenza erogata totale del generatore di corrente:

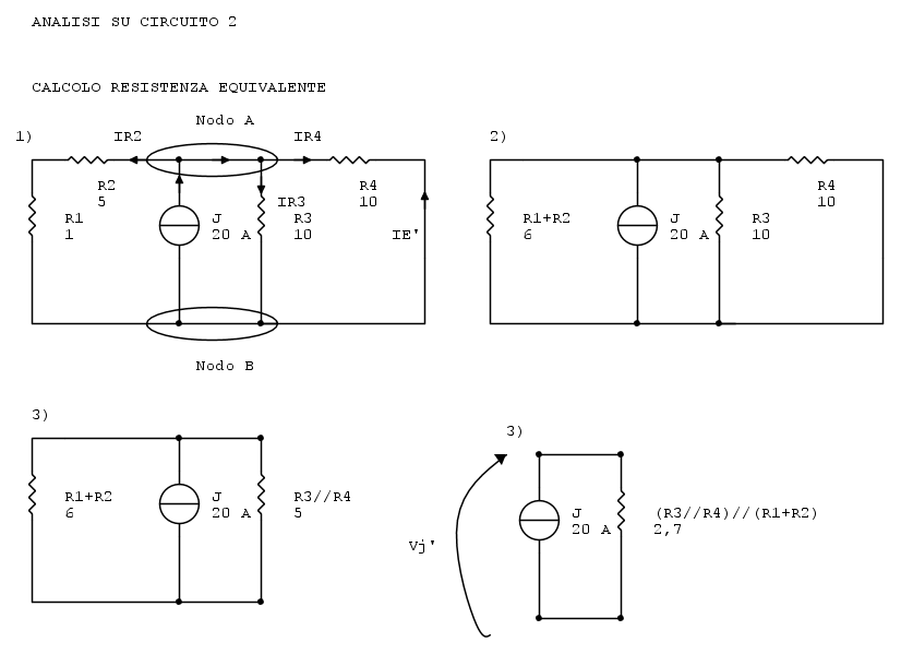
ANALISI SU CIRCUITO 2:
Calcolo IE' e Vj' individuati nel secondo circuito ausiliare, come:
1)
,dove la resistenza equivalente ai capi del generatore di corrente è
cioè:2)Devo determinare IE', dal circuito 2 iniziale posso notare che IE'=-IR4 ed è dato da un partitore di corrente, ovvero:

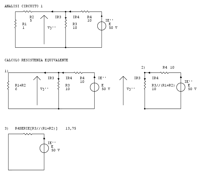
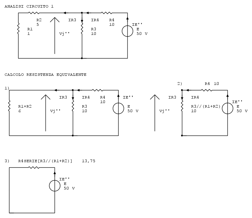
ANALISI SU CIRCUITO 1:
1)Calcolo IE'' come :

Determino la Req'' come:
ovvero:Stesso da questo circuito (sotto), determino Vj'' con un partitore di tensione:
![Vj''=E* \frac{(R1SERIER2)//R3}{[(R1SERIER2)//R3]+R4} Vj''=E* \frac{(R1SERIER2)//R3}{[(R1SERIER2)//R3]+R4}](/forum/latexrender/pictures/29cc6b1513792fb66a89954e8d9bc771.png)
Ho determinato i vari effetti dovuti alle varie cause, posso applicare la sovrapposizione e determinare le potenze erogate dai singoli generatori.
Vi trovate con questo procedimento?
Grazie in anticipo.


Elettrotecnica e non solo (admin)
Un gatto tra gli elettroni (IsidoroKZ)
Esperienza e simulazioni (g.schgor)
Moleskine di un idraulico (RenzoDF)
Il Blog di ElectroYou (webmaster)
Idee microcontrollate (TardoFreak)
PICcoli grandi PICMicro (Paolino)
Il blog elettrico di carloc (carloc)
DirtEYblooog (dirtydeeds)
Di tutto... un po' (jordan20)
AK47 (lillo)
Esperienze elettroniche (marco438)
Telecomunicazioni musicali (clavicordo)
Automazione ed Elettronica (gustavo)
Direttive per la sicurezza (ErnestoCappelletti)
EYnfo dall'Alaska (mir)
Apriamo il quadro! (attilio)
H7-25 (asdf)
Passione Elettrica (massimob)
Elettroni a spasso (guidob)
Bloguerra (guerra)





non devi fare prima il partitore tra
e
e poi un altro partitore tra
e
?





