Curiosità M.A.T.
Moderatori:
SandroCalligaro,
mario_maggi,
fpalone
15 messaggi
• Pagina 2 di 2 • 1, 2
0
voti
[11] Re: Curiosità M.A.T.
Ma li calcola R2 utilizzando parametri che non sempre si hanno a disposizione. Provi a spiegare meglio, ho il motore connesso a triangolo, pero' so che le formule che consebtono di ricavare I parametri long e trasv dalle prove sono riferite ad un circuiti a stella ok. Adesso eseguo le mie prove e mi segno le varie letture dei wattmetri voktmetri e amperometri, adesso le formule per I calcoli di Xo Ro e tutti.gli altri devo adattarle oppure le calcolo con le formule note ed alla fine le dividi per tre?
0
voti
[13] Re: Curiosità M.A.T.
Se si considera la prova vuoto di un mat, nel caso in cui gli avvolgimenti di statore siano collegati a triangolo la tensione
da considerare sarà senz'altro quella di linea (ovvero quella indicata dal voltmetro), mentre la corrente a vuoto
sarà (quella indicata dall'amperometro) divisa per
.
da considerare sarà senz'altro quella di linea (ovvero quella indicata dal voltmetro), mentre la corrente a vuoto
sarà (quella indicata dall'amperometro) divisa per
.I circuiti sono controcorrente. Seguono sempre la massa
-Per rispondere utilizza il tasto [RISPONDI] e non il tasto [CITA], grazie.-
-Per rispondere utilizza il tasto [RISPONDI] e non il tasto [CITA], grazie.-
0
voti
[14] Re: Curiosità M.A.T.
Utilizzando il metodo volt amperometrico, con un alimentatore stabilizzato, alimento due morsetti del mio motore e dalla contemporanea lettura di V ed I ottengo:

Adesso procedo con la prova a vuoto, utilizzando due Wattmetri, un Voltmetro (che legge la tensione concatenata) ed un amperometro che legge la corrente di linea. Dalla lettura dei wattmetri ottengo:
Po = Wa + Wb (trascurando l'autoconsumo degli strumenti)
Avendo misurato precedentemente la resistenza di statore posso scrivere le perdite joule di statore come:
con
essendo I la lettura dell'amperometro pari alla corrente di linea

A questo punto posso sottrarre alla lettura di Po le perdite Joule sulla resistenza statorica ed ottenere:
Po-Pjs=Pfe+Pm
Tracciando il diagramma Pm + Pfe = f(V) e prolungando (estrapolazione) la curva fino all’asse delle ordinate (tensione zero e quindi perdite nel ferro zero), si determina il valore di Pm. Avendo la curva un andamento parabolico è di difficile ricostruzione, mentre la stessa operazione risulta più facile se eseguita sul diagramma Pm + Pfe = f(V2). Si ottiene così una retta il cui prolungamento incontrerà l’asse delle ordinate in corrispondenza delle perdite meccaniche.
A questo punto ottengo la separazione delle tre potenze:
Pm=67.71W Pfe=110.956W Pjs=18,92W
Chiaramente sempre dalle letture dei wattmetri ricavo anche:
(sempre trascurando i consumi strumentali)

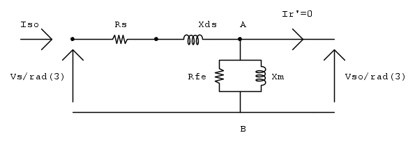
Adesso devo ricavare i parametri trasversali, lo faccio utilizzando il diagramma fasoriale. La forza elettromotrice concatenata ai capi dei parametri trasversali Vso si calcola come:
![Vso=\sqrt{\left [ Vs-\sqrt{3\cdot \left ( Rs\cdot \cos \varphi o+Xds\cdot \sin \varphi o \right )Iso} \right ]^{2}+\left [ \sqrt{3}\cdot \left ( Xds\cdot \cos \varphi o-Rs\cdot \sin\varphi o \right ) \right ]} Vso=\sqrt{\left [ Vs-\sqrt{3\cdot \left ( Rs\cdot \cos \varphi o+Xds\cdot \sin \varphi o \right )Iso} \right ]^{2}+\left [ \sqrt{3}\cdot \left ( Xds\cdot \cos \varphi o-Rs\cdot \sin\varphi o \right ) \right ]}](/forum/latexrender/pictures/36a3725bfc33c300eb06675807e97ced.png)
(Due note: 1) Anche la seconda parentesi quadra sotto radice va elevata al quadrato; 2)La Iso sarebbe la lettura dell'amperometro diviso radice di 3, cioè la I della formula Pjs).
Adesso nota Vso, forza elettromotrice concatenata, posso calcolare la resistenza di perdite nel ferro ed è qui che nasce il mio dubbio, cioè va bene adottare la seguente formula, che riporta il libro relativa ad una fase del circuito a stella:

Va bene o bisogna modificare qualcosa dato che il mio circuito è collegato a triangolo?
Spero di aver esposto in maniera migliore il mio dubbio. Grazie

Adesso procedo con la prova a vuoto, utilizzando due Wattmetri, un Voltmetro (che legge la tensione concatenata) ed un amperometro che legge la corrente di linea. Dalla lettura dei wattmetri ottengo:
Po = Wa + Wb (trascurando l'autoconsumo degli strumenti)
Avendo misurato precedentemente la resistenza di statore posso scrivere le perdite joule di statore come:
con
essendo I la lettura dell'amperometro pari alla corrente di linea
A questo punto posso sottrarre alla lettura di Po le perdite Joule sulla resistenza statorica ed ottenere:
Po-Pjs=Pfe+Pm
Tracciando il diagramma Pm + Pfe = f(V) e prolungando (estrapolazione) la curva fino all’asse delle ordinate (tensione zero e quindi perdite nel ferro zero), si determina il valore di Pm. Avendo la curva un andamento parabolico è di difficile ricostruzione, mentre la stessa operazione risulta più facile se eseguita sul diagramma Pm + Pfe = f(V2). Si ottiene così una retta il cui prolungamento incontrerà l’asse delle ordinate in corrispondenza delle perdite meccaniche.
A questo punto ottengo la separazione delle tre potenze:
Pm=67.71W Pfe=110.956W Pjs=18,92W
Chiaramente sempre dalle letture dei wattmetri ricavo anche:
(sempre trascurando i consumi strumentali)
Adesso devo ricavare i parametri trasversali, lo faccio utilizzando il diagramma fasoriale. La forza elettromotrice concatenata ai capi dei parametri trasversali Vso si calcola come:
![Vso=\sqrt{\left [ Vs-\sqrt{3\cdot \left ( Rs\cdot \cos \varphi o+Xds\cdot \sin \varphi o \right )Iso} \right ]^{2}+\left [ \sqrt{3}\cdot \left ( Xds\cdot \cos \varphi o-Rs\cdot \sin\varphi o \right ) \right ]} Vso=\sqrt{\left [ Vs-\sqrt{3\cdot \left ( Rs\cdot \cos \varphi o+Xds\cdot \sin \varphi o \right )Iso} \right ]^{2}+\left [ \sqrt{3}\cdot \left ( Xds\cdot \cos \varphi o-Rs\cdot \sin\varphi o \right ) \right ]}](/forum/latexrender/pictures/36a3725bfc33c300eb06675807e97ced.png)
(Due note: 1) Anche la seconda parentesi quadra sotto radice va elevata al quadrato; 2)La Iso sarebbe la lettura dell'amperometro diviso radice di 3, cioè la I della formula Pjs).
Adesso nota Vso, forza elettromotrice concatenata, posso calcolare la resistenza di perdite nel ferro ed è qui che nasce il mio dubbio, cioè va bene adottare la seguente formula, che riporta il libro relativa ad una fase del circuito a stella:

Va bene o bisogna modificare qualcosa dato che il mio circuito è collegato a triangolo?
Spero di aver esposto in maniera migliore il mio dubbio. Grazie
0
voti
[15] Re: Curiosità M.A.T.
Mir, seguendo il tuo ragionamento utilizzo V1 concatenata ed Io di fase e non di linea (come ho peraltro fatto nell'ultimo post), calcolo Pjs utilizzando tale corrente di fase e va bene, adesso, Po=Wa+Wb va modificata o resta le somme dei wattmetri?
Posto che resti le somma dei wattmetri e che quindi tale Pjs venga sottratta a Po a dare Pm+Pfe (poi separo le due potenze come scritto prima), ricavo come scritto prima la forza elettromotrice statorica concatenata, e passo al calcolo di Rfe non dovrebbe essere questo:
invece che : 
Posto che resti le somma dei wattmetri e che quindi tale Pjs venga sottratta a Po a dare Pm+Pfe (poi separo le due potenze come scritto prima), ricavo come scritto prima la forza elettromotrice statorica concatenata, e passo al calcolo di Rfe non dovrebbe essere questo:
invece che : 
15 messaggi
• Pagina 2 di 2 • 1, 2
Chi c’è in linea
Visitano il forum: Nessuno e 9 ospiti

Elettrotecnica e non solo (admin)
Un gatto tra gli elettroni (IsidoroKZ)
Esperienza e simulazioni (g.schgor)
Moleskine di un idraulico (RenzoDF)
Il Blog di ElectroYou (webmaster)
Idee microcontrollate (TardoFreak)
PICcoli grandi PICMicro (Paolino)
Il blog elettrico di carloc (carloc)
DirtEYblooog (dirtydeeds)
Di tutto... un po' (jordan20)
AK47 (lillo)
Esperienze elettroniche (marco438)
Telecomunicazioni musicali (clavicordo)
Automazione ed Elettronica (gustavo)
Direttive per la sicurezza (ErnestoCappelletti)
EYnfo dall'Alaska (mir)
Apriamo il quadro! (attilio)
H7-25 (asdf)
Passione Elettrica (massimob)
Elettroni a spasso (guidob)
Bloguerra (guerra)


