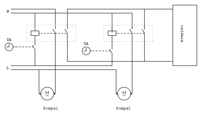
Ciao a tutti,dovrei azionare l'impianto termico schematizzato sotto:
l'impianto è da dividere su due zone termiche :zona giorno e zona notte.
Dal punto di vista elettrico vorrei che la logica fosse questa:
-ogni termostato comanda la corrispondente pompa che è 230V e potenza 50W.
-le pompe nel loro azionarsi danno o meno il consenso alla caldaia sul contatto
pulito che la fa partire fornendo il calore ad una o antrembe le zone.
-Per i più tecnologici: non vorrei ricorrere al PLC
-penso che ci voglia due relè con due contatti NO (1 per pompa+1 per caldaia da mettere
in parallelo con l'altro)
-Se è giusto , quale relè mi consigliate?
consiglio relè/contattore
Moderatori:
sebago,
MASSIMO-G,
lillo,
Mike
13 messaggi
• Pagina 1 di 2 • 1, 2
1
voti
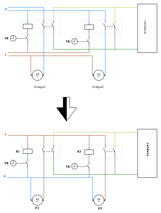
Come già detto, due teleruttori con due contatti NO(tipo schneider CT).
Porti una fase sul contatto del cronotermostato ed ecciti la bobina del teleruttore.
Porti una fase sul contatto NO1 e fai partire la pompa 1.
Il contatto NO2 servirà da contatto pulito per azionare la caldaia.

Porti una fase sul contatto del cronotermostato ed ecciti la bobina del teleruttore.
Porti una fase sul contatto NO1 e fai partire la pompa 1.
Il contatto NO2 servirà da contatto pulito per azionare la caldaia.

0
voti
[4] !
Si...grazie per le risposte ...a livello concettuale è ciò che pensavo di fare:
ma forse sono stato frainteso...volevo un consiglio per una scelta reale: un indicazione di marca e modello ... considerando qualcosa di valido, possibilimente economico,da mettere su DIN35 in un centralino da
posizionare accanto la caldaia assieme ai rispettivi magnetotermici di caldaia e pompe.
Ieri sera ho provato a consultare il sito della finder ad esempio e mi sono letteralmente sperso!
ma forse sono stato frainteso...volevo un consiglio per una scelta reale: un indicazione di marca e modello ... considerando qualcosa di valido, possibilimente economico,da mettere su DIN35 in un centralino da
posizionare accanto la caldaia assieme ai rispettivi magnetotermici di caldaia e pompe.
Ieri sera ho provato a consultare il sito della finder ad esempio e mi sono letteralmente sperso!
Il blog degli impianti
di enea pacini - firenze
di enea pacini - firenze
1
voti
enea ha scritto: un indicazione di marca e modello ...
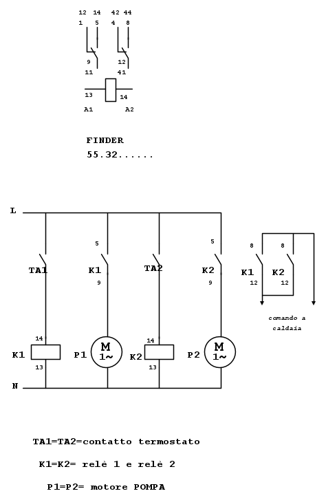
La Finder a catalogo ha dei relè da barra din per applicazioni industriali, che potrebbero fare al tuo caso tipo la serie 55..
Relè industriali Finder
Serie 55
La scelta, è condizionata dalle caratteristiche del carico che il contatto piloterà (assorbimento e tensione di isolamento) e la tensione nominale di alimentazione della bobina, nonchè il tipo di installazione (barra din).
Non sono propriamente "economici" ma hanno dei cicli di funzionamento elevati.
I circuiti sono controcorrente. Seguono sempre la massa
-Per rispondere utilizza il tasto [RISPONDI] e non il tasto [CITA], grazie.-
-Per rispondere utilizza il tasto [RISPONDI] e non il tasto [CITA], grazie.-
1
voti
Grazie Mir quel poco che ho capito l'ho letto nei due articoli:
http://www.electroyou.it/vis_resource.php?section=RP&id=83
http://www.electroyou.it/mir/wiki/il-contattore
visto che te sei un esperto ed autore di uno dei due articoli approfitterei di te
per avere conferma sulla scelta.Premettoo che le pompe sono due grundfos
alpha 1 da 50W al massimo monofase 230V -50 Hz e che pensavo di usare
dei termostati tipo fantini e cosmi CH 123 con alimentazione a 230V -50HZ
e portata dei contatti 5(3)A 250V ca
Avrei optato per il 55.32.8.230.0.0.1.0
55 okay per via della serie (come mi hai indicato)
3 perché lo vorrei su zoccolo da montare su guida DIN
2 perché ho bisogno di due contatti
8 per la bobina in alternata (il termostato che alimenta la bobina è 230V,50Hz,5(3)A)
230 per utilizzare la tensione di rete (idem vedi sopra)
0. materiale standard
0. per gli scambi (posso usarli al posto di due NO secondo me, ma ti chiederei conferma)
1.perché vorrei avere un pulsante di prova
0.vorrei la versione standard perché non ho esigenze di ambienti sporchi
Che ne dici?ho apprifittato troppo della tua buona volontà? se vuoi ,puoi mandami... ca..re
Però ho difficoltà a trovare qualcuno cha mi aiuti, se ci dai un occhio te ne sarei grato infinitamente
http://www.electroyou.it/vis_resource.php?section=RP&id=83
http://www.electroyou.it/mir/wiki/il-contattore
visto che te sei un esperto ed autore di uno dei due articoli approfitterei di te
per avere conferma sulla scelta.Premettoo che le pompe sono due grundfos
alpha 1 da 50W al massimo monofase 230V -50 Hz e che pensavo di usare
dei termostati tipo fantini e cosmi CH 123 con alimentazione a 230V -50HZ
e portata dei contatti 5(3)A 250V ca
Avrei optato per il 55.32.8.230.0.0.1.0
55 okay per via della serie (come mi hai indicato)
3 perché lo vorrei su zoccolo da montare su guida DIN
2 perché ho bisogno di due contatti
8 per la bobina in alternata (il termostato che alimenta la bobina è 230V,50Hz,5(3)A)
230 per utilizzare la tensione di rete (idem vedi sopra)
0. materiale standard
0. per gli scambi (posso usarli al posto di due NO secondo me, ma ti chiederei conferma)
1.perché vorrei avere un pulsante di prova
0.vorrei la versione standard perché non ho esigenze di ambienti sporchi
Che ne dici?ho apprifittato troppo della tua buona volontà? se vuoi ,puoi mandami... ca..re
Però ho difficoltà a trovare qualcuno cha mi aiuti, se ci dai un occhio te ne sarei grato infinitamente
Il blog degli impianti
di enea pacini - firenze
di enea pacini - firenze
0
voti
enea ha scritto:le pompe sono due grundfosalpha 1 da 50W al massimo monofase 230V -50 Hz
Se come hai scritto le due pompe hanno la tensione di alimentazione di tipo monofase di 230 V 50 Hz ed una potenza di 50 W, direi che i relè che hai individuato:
enea ha scritto:Avrei optato per il 55.32..
qui meglio specificate le caratteristiche, direi che possono andar bene a spanne la portata dei contatti supporta bene l'assorbimento della pompa. Ovviamente una verifica migliore è quella di considerare il valore della corrente di assorbimento indicata sulla targa dati del motore della pompa.
Per i contatti considera lo schema del relè ..
I circuiti sono controcorrente. Seguono sempre la massa
-Per rispondere utilizza il tasto [RISPONDI] e non il tasto [CITA], grazie.-
-Per rispondere utilizza il tasto [RISPONDI] e non il tasto [CITA], grazie.-
1
voti
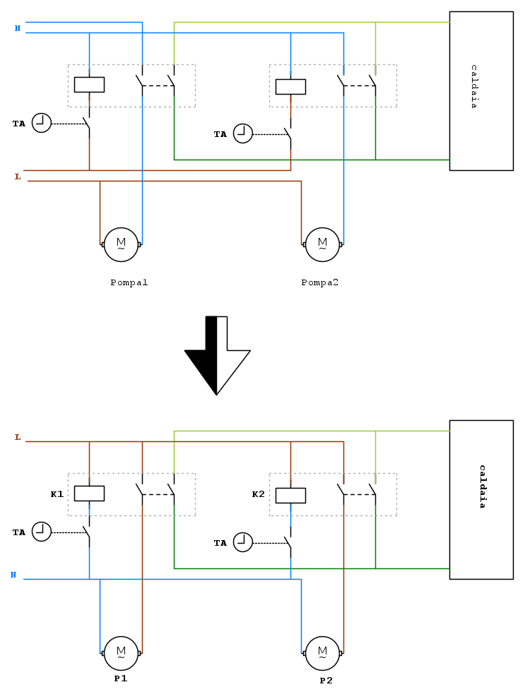
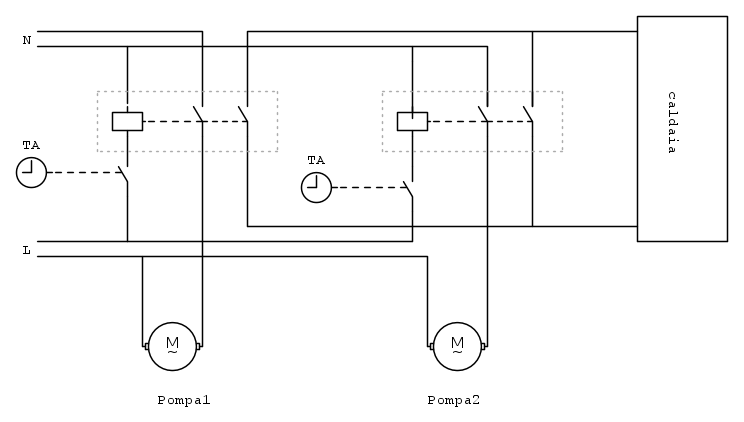
interpretando il tuo precedente schema,
credo cosi sia più chiaro..
sul circuito di alimentazione del motore (pompa) meglio mandare il neutro(N) diretto ed interrompere la fase (L) .
credo cosi sia più chiaro..
sul circuito di alimentazione del motore (pompa) meglio mandare il neutro(N) diretto ed interrompere la fase (L) .
I circuiti sono controcorrente. Seguono sempre la massa
-Per rispondere utilizza il tasto [RISPONDI] e non il tasto [CITA], grazie.-
-Per rispondere utilizza il tasto [RISPONDI] e non il tasto [CITA], grazie.-
1
voti
Grazie sei sempre gentilissimo!
A questo punto però ti chiedo un ultima cortesia:vorrei però capire meglio come mai conviene
mettere il temostato sulla linea del neutro e come mai il motore invece conviene interromperlo sulla fase...
A questo punto però ti chiedo un ultima cortesia:vorrei però capire meglio come mai conviene
mettere il temostato sulla linea del neutro e come mai il motore invece conviene interromperlo sulla fase...
Il blog degli impianti
di enea pacini - firenze
di enea pacini - firenze
0
voti
L'idea di tagliare il conduttore di fase nella linea di alimentazione del motore, è quella di fornire una condizione di rischio elettrico minore, non avendo il conduttore attivo sempre presente a campo.
Lo stesso può valere per il contatto del termostato.
Un appunto che avevo scritto per questioni di sicurezza ..
Lo stesso può valere per il contatto del termostato.
Un appunto che avevo scritto per questioni di sicurezza ..
I circuiti sono controcorrente. Seguono sempre la massa
-Per rispondere utilizza il tasto [RISPONDI] e non il tasto [CITA], grazie.-
-Per rispondere utilizza il tasto [RISPONDI] e non il tasto [CITA], grazie.-
13 messaggi
• Pagina 1 di 2 • 1, 2
Torna a Impianti, sicurezza e quadristica
Chi c’è in linea
Visitano il forum: Nessuno e 154 ospiti

Elettrotecnica e non solo (admin)
Un gatto tra gli elettroni (IsidoroKZ)
Esperienza e simulazioni (g.schgor)
Moleskine di un idraulico (RenzoDF)
Il Blog di ElectroYou (webmaster)
Idee microcontrollate (TardoFreak)
PICcoli grandi PICMicro (Paolino)
Il blog elettrico di carloc (carloc)
DirtEYblooog (dirtydeeds)
Di tutto... un po' (jordan20)
AK47 (lillo)
Esperienze elettroniche (marco438)
Telecomunicazioni musicali (clavicordo)
Automazione ed Elettronica (gustavo)
Direttive per la sicurezza (ErnestoCappelletti)
EYnfo dall'Alaska (mir)
Apriamo il quadro! (attilio)
H7-25 (asdf)
Passione Elettrica (massimob)
Elettroni a spasso (guidob)
Bloguerra (guerra)











