Salve a tutti,
Quando siamo in antirisonanza, ovvero induttore e condensatore con uguale reattanza in parallelo, ha senso calcolare la corrente nell'induttore? Visto che il condensatore in parallelo all'induttore è schematizzabile come un circuito aperto e di conseguenza la corrente è uguale a 0, quanto può valere la corrente nell'induttore?(mi chiedo che senso ha calcolare la corrente nell'induttore)
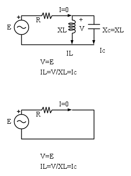
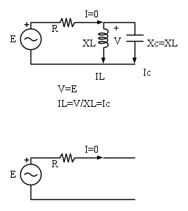
N.b abbiamo un generatore di tensione in serie ad una resistenza e induttore e condensatore in parallelo.
Domanda risonanza
Moderatori:
g.schgor,
IsidoroKZ
15 messaggi
• Pagina 1 di 2 • 1, 2
0
voti
Quindi la condizione risultante sarebbe questa ?
Abituati per favore a usare FidoCadJ e inserire gli schemi dei problemi che poni, è molto più semplice ragionarci su.
Abituati per favore a usare FidoCadJ e inserire gli schemi dei problemi che poni, è molto più semplice ragionarci su.
"Non farei mai parte di un club che accettasse la mia iscrizione" (G. Marx)
-

claudiocedrone
21,3k 4 7 9 - Master EY

- Messaggi: 15302
- Iscritto il: 18 gen 2012, 13:36
0
voti
claudiocedrone ha scritto:Quindi la condizione risultante sarebbe questa ?
Claudio c'è anche un condensatore in parallelo all'induttore
1
voti
Juliet ha scritto: quanto può valere la corrente nell'induttore?
0
voti
Ciao potresti gentilmente spiegarmi il risultato come ti è venuto fuori?
Poi avrei un dubbio, la corrente dell'induttore è opposta a quella del condensatore?(per via dell' antirisonanza tra L-c la corrente è 0)
Poi avrei un dubbio, la corrente dell'induttore è opposta a quella del condensatore?(per via dell' antirisonanza tra L-c la corrente è 0)
-2
voti
In questo caso il circuito è in risonanza XL e XC si autoeliminano, è come fosse un corto-circuito.
-

StefanoSunda
2.885 3 6 10 - Master

- Messaggi: 1964
- Iscritto il: 16 set 2010, 19:29
1
voti
StefanoSunda ha scritto:In questo caso il circuito è in risonanza XL e XC si autoeliminano, è come fosse un corto-circuito.
No: è un circuito aperto non un cortocircuito. Se fosse un cortocircuito la corrente non sarebbe nulla!
0
voti
Juliet ha scritto:Ciao potresti gentilmente spiegarmi il risultato come ti è venuto fuori?
Il parallelo di
ed
uguali tra loro corrisponde ad un'impedenza infinitaIl generatore
quindi non eroga corrente essendo il circuito aperto, quindi
.Poiché I=0 la caduta di tensione sulla resistenza è nulla per cui la tensione sul parallelo coincide con la tensione del generatore

Juliet ha scritto: avrei un dubbio, la corrente dell'induttore è opposta a quella del condensatore?(per via dell' antirisonanza tra L-c la corrente è 0)
E' in opposizione di fase, ma i valori efficaci sono identici



0
voti
forse il termine più corretto è risonanza parallelo e non antirisonanza...
Comunque ovviamente ADMIN ha ragione.
Per aiutare la memorizzazione ricordo che un circuito risonante LC parallelo, come questo, equivale a un circuito aperto alla risonanza, e a un corto circuito a frequenza nulla o infinita (dove rispettivamente L o C equivalgono a un corto)
Viceversa il circuito LC serie è un corto alla risonanza, e un aperto a frequenza nulla o infinita (dove rispettivamente C o L equivalgono a un aperto)
Comunque ovviamente ADMIN ha ragione.
Per aiutare la memorizzazione ricordo che un circuito risonante LC parallelo, come questo, equivale a un circuito aperto alla risonanza, e a un corto circuito a frequenza nulla o infinita (dove rispettivamente L o C equivalgono a un corto)
Viceversa il circuito LC serie è un corto alla risonanza, e un aperto a frequenza nulla o infinita (dove rispettivamente C o L equivalgono a un aperto)
15 messaggi
• Pagina 1 di 2 • 1, 2
Torna a Elettrotecnica generale
Chi c’è in linea
Visitano il forum: Nessuno e 65 ospiti

Elettrotecnica e non solo (admin)
Un gatto tra gli elettroni (IsidoroKZ)
Esperienza e simulazioni (g.schgor)
Moleskine di un idraulico (RenzoDF)
Il Blog di ElectroYou (webmaster)
Idee microcontrollate (TardoFreak)
PICcoli grandi PICMicro (Paolino)
Il blog elettrico di carloc (carloc)
DirtEYblooog (dirtydeeds)
Di tutto... un po' (jordan20)
AK47 (lillo)
Esperienze elettroniche (marco438)
Telecomunicazioni musicali (clavicordo)
Automazione ed Elettronica (gustavo)
Direttive per la sicurezza (ErnestoCappelletti)
EYnfo dall'Alaska (mir)
Apriamo il quadro! (attilio)
H7-25 (asdf)
Passione Elettrica (massimob)
Elettroni a spasso (guidob)
Bloguerra (guerra)










