I dati sono:
,
=1s; R1 = R 2 = 1 k Ω; L =10 µH, i L(0 -)=10 mA; C=10 µF, v C(0 -) = 0 V
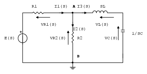
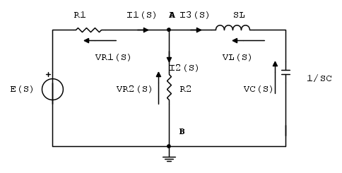
Il circuito nel dominio di Laplace è questo:
Richiede:
Determinare l’espressione della corrente IL(S), e il valore di i L(t) per t=1 ms.
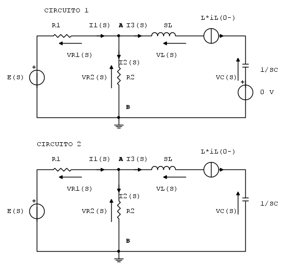
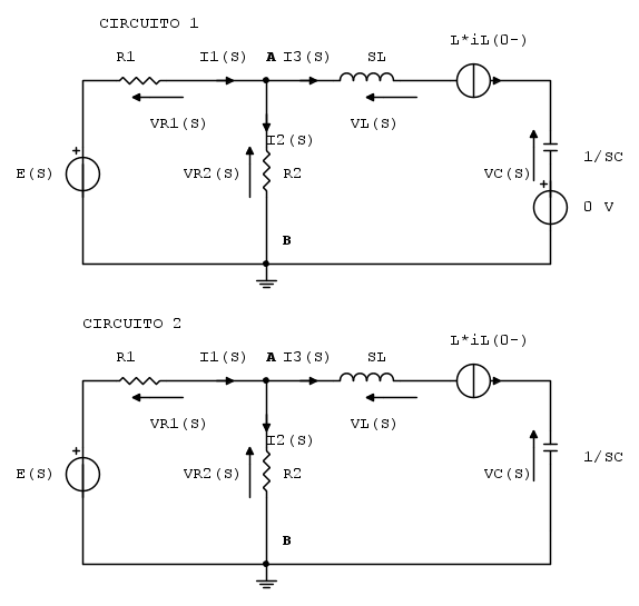
Visto che le condizioni iniziali ci sono, il circuito subisce tale modifica:
La trasformata di Laplace di e(t), utilizzando la proprietà traslazione nei tempi o di ritardo, sarà:

Applicherei il metodo dei potenziali nodali per ricavare IL(S) e su questo non ci sono problemi.
Il mio dubbio è:
Visto che mi richiede di determinare la iL(t) per t=1 ms , una volta antitrasformata IL(S) dovrei sostituire nell'espressione di iL(t) l''istante t=1ms e fin qui ci siamo.
Ma il mio dubbio nasce dal fatto che vi è un ritardo nella tensione del generatore e(t) di
, ma visto che devo calcolare la corrente
per t=1 ms che è strettamente minore di
, devo tenere conto nel calcolo di questa corrente, del ritardo subito dal generatore di tensione effettuando la trasformata non di
ma di
?Cioè questa corrente che devo determinare in t=1ms è influenzata da questo ritardo?
Spero di essere stato chiaro.

Grazie in anticipo.

Elettrotecnica e non solo (admin)
Un gatto tra gli elettroni (IsidoroKZ)
Esperienza e simulazioni (g.schgor)
Moleskine di un idraulico (RenzoDF)
Il Blog di ElectroYou (webmaster)
Idee microcontrollate (TardoFreak)
PICcoli grandi PICMicro (Paolino)
Il blog elettrico di carloc (carloc)
DirtEYblooog (dirtydeeds)
Di tutto... un po' (jordan20)
AK47 (lillo)
Esperienze elettroniche (marco438)
Telecomunicazioni musicali (clavicordo)
Automazione ed Elettronica (gustavo)
Direttive per la sicurezza (ErnestoCappelletti)
EYnfo dall'Alaska (mir)
Apriamo il quadro! (attilio)
H7-25 (asdf)
Passione Elettrica (massimob)
Elettroni a spasso (guidob)
Bloguerra (guerra)



. quindi avrà un valore di
fino a 
serie autonomo,con una condizione iniziale di
e una

