Cos'è ElectroYou | Login Iscriviti

ElectroYou - la comunità dei professionisti del mondo elettrico

Riparazione oscilloscopio Kenwood CS4025

Apparecchi di misura: oscilloscopi, multimetri, analizzatori di rete ecc
1
voti

[1] Riparazione oscilloscopio Kenwood CS4025

Messaggioda Foto Utentemarcel » 6 set 2017, 17:32

Cortesi amici del forum, ho un oscilloscopio , il quale presenta una distorsione sull' immagine che ogni tanto scompare per poi riapparire. Dopo parecchie ore di analisi con frequenzimetro e generatore di segnale ho finalmente capito che tale disturbo proviene dal circuito di alimentazione il quale fornisce una tensione di 8V e in piu' una frequenza di circa 1500Hz. Ho interrotto la pista degli 8V ed ho iniettato dall'esterno con un alimentatore gli stessi 8V e quindi tutto fila liscio il disturbo scompare.. Vi faccio presente che ho provato con una 40ina di condensatori a diverse capacita, collegandoli tra gli 8V e massa ma il problema non scompare.
Adesso vorrei chiedervi alla luce di quanto esposto, quali tecniche utilizzare per sopprimere totalmente il segnale a frequenza che disturba l'immagine.
Grazie per l'eventuale soluzione!
Ultima modifica di Foto UtentePiercarlo il 4 gen 2018, 20:37, modificato 3 volte in totale.
Motivazione: Modificato tiolo
Avatar utente
Foto Utentemarcel
53 1 6
Frequentatore
Frequentatore
 
Messaggi: 167
Iscritto il: 30 nov 2015, 12:10

0
voti

[2] Re: Riparazione oscilloscopio KenwoodCS4025

Messaggioda Foto UtenteMarcoD » 6 set 2017, 18:17

Sostituire l'alimentatore a +8 V ?
E' un oscillo digitale o analogico ?
Non capisco cosa serva in un oscillo analogico, la frequenza di 1500 Hz. Sarà digitale, frequenza di riga?
O_/ O_/
Ultima modifica di Foto UtenteDarioDT il 10 set 2017, 8:55, modificato 1 volta in totale.
Motivazione: Modificato tiolo
Avatar utente
Foto UtenteMarcoD
12,2k 5 9 13
Master EY
Master EY
 
Messaggi: 6696
Iscritto il: 9 lug 2015, 16:58
Località: Torino

1
voti

[3] Re: Riparazione oscilloscopio KenwoodCS4025

Messaggioda Foto Utentemarcel » 6 set 2017, 18:25

L'oscilloscopio e' analogico. Il problema in origine e che non stabilizzava le tensioni di 140v, 10v , 8V e -8V
Sono arrivato su l'IC che regola queste tensioni. Si tratta di un circuito integrato ibrido e non lo si trova in commercio. L'ho smontato dal circuito, ho rimosso la vernice nera ed ho effettuato delle saldature e gli ho anche dato una scaldatina con il cannello. Ok , adesso stabilizza le tensioni . Ma quando l'oscilloscopio si riscalda compare il segnale di cui sopra e distorce l'immagine.
In sostanza bisogna disaccoppiare le due componenti . Ovviamente voglio bloccare l'alternata.
Ultima modifica di Foto UtenteDarioDT il 10 set 2017, 8:56, modificato 1 volta in totale.
Motivazione: Modificato tiolo
Avatar utente
Foto Utentemarcel
53 1 6
Frequentatore
Frequentatore
 
Messaggi: 167
Iscritto il: 30 nov 2015, 12:10

1
voti

[4] Re: Riparazione oscilloscopio KenwoodCS4025

Messaggioda Foto Utentevenexian » 6 set 2017, 20:11

marcel ha scritto:... gli ho anche dato una scaldatina con il cannello.

Che fa parte delle procedure standard per la riparazione dei circuiti elettronici...
:-|
Ultima modifica di Foto UtenteDarioDT il 10 set 2017, 8:56, modificato 1 volta in totale.
Motivazione: Modificato tiolo
Avatar utente
Foto Utentevenexian
6.369 3 4 7
Master
Master
 
Messaggi: 2188
Iscritto il: 13 mag 2017, 10:07
Località: Venezia (ma va?)

0
voti

[5] Re: Riparazione oscilloscopio KenwoodCS4025

Messaggioda Foto UtenteIsidoroKZ » 8 set 2017, 2:08

1500Hz non credo sia la frequenza di switching del circuito, potrebbe invece essere una instabilita` del sistema di controllo.
Ultima modifica di Foto UtenteDarioDT il 10 set 2017, 8:56, modificato 1 volta in totale.
Motivazione: Modificato tiolo
Per usare proficuamente un simulatore, bisogna sapere molta più elettronica di lui
Plug it in - it works better!
Il 555 sta all'elettronica come Arduino all'informatica! (entrambi loro malgrado)
Se volete risposte rispondete a tutte le mie domande
Avatar utente
Foto UtenteIsidoroKZ
121,2k 1 3 8
G.Master EY
G.Master EY
 
Messaggi: 21059
Iscritto il: 17 ott 2009, 0:00

0
voti

[6] Re: Riparazione oscilloscopio KenwoodCS4025

Messaggioda Foto Utentemarcel » 8 set 2017, 7:35

E' certo :te l'ho detto :mrgreen: !!!
Ho iniettato dall'esterno gli otto volt con il mio alimentatore, e tutto funziona bene. Certamente il mio alimentatore in continua non ha nessun segnale in alternata... :mrgreen:

Vorrei solo sapere come disaccoppiare le due componenti e quindi eliminare l'alternata.
Ultima modifica di Foto UtenteDarioDT il 10 set 2017, 8:57, modificato 2 volte in totale.
Motivazione: Modificato tiolo
Avatar utente
Foto Utentemarcel
53 1 6
Frequentatore
Frequentatore
 
Messaggi: 167
Iscritto il: 30 nov 2015, 12:10

1
voti

[7] Re: Riparazione oscilloscopio Kenwood CS4025

Messaggioda Foto UtenteIsidoroKZ » 8 set 2017, 8:21

Sono partito dall'ipotesi che l'alimentatore sia di tipo a commutazione. Se questo è vero, allora il rumore a 1500Hz non è un residuo della frequenza di commutazione, di solito a frequenza piu elevata e che si potrebbe ridurre con un condensatore, ma è una instabilità dell'anello di retroazione che controlla il circuito. Per togliere il rumore bisogna stabilizzare il guadagno di anello del sistema. Credo sia più facile mettere un alimentatore esterno a 8V.
Ultima modifica di Foto UtenteDarioDT il 10 set 2017, 8:58, modificato 1 volta in totale.
Motivazione: Modificato tiolo
Per usare proficuamente un simulatore, bisogna sapere molta più elettronica di lui
Plug it in - it works better!
Il 555 sta all'elettronica come Arduino all'informatica! (entrambi loro malgrado)
Se volete risposte rispondete a tutte le mie domande
Avatar utente
Foto UtenteIsidoroKZ
121,2k 1 3 8
G.Master EY
G.Master EY
 
Messaggi: 21059
Iscritto il: 17 ott 2009, 0:00

0
voti

[8] Re: Riparazione oscilloscopio Kenwood CS4025

Messaggioda Foto UtenteDarioDT » 8 set 2017, 8:28

Marca e modello oscilloscopio?
Hai un altro oscilloscopio per vedere se questa componente è presente (e come si presenta) nelle tensioni di alimentazione? In tutte o solo in una?
Hai provato a collegare l'oscilloscoio ad un'altra presa dell'impianto elettrico? Alla presa a cui è collegato l'oscilloscopio sono collegate altre apparecchiature?
Sto facendo un po di domande per provare a fare una diagnosi.....
Dario
Ultima modifica di Foto UtenteDarioDT il 10 set 2017, 8:58, modificato 1 volta in totale.
Motivazione: Modificato tiolo
ƎlectroYou e non smetti mai di imparare!
Avatar utente
Foto UtenteDarioDT
5.235 4 8 13
Master
Master
 
Messaggi: 1267
Iscritto il: 16 apr 2012, 20:13
Località: Bari

0
voti

[9] Re: Riparazione oscilloscopio Kenwood CS4025

Messaggioda Foto Utentemarcel » 8 set 2017, 18:15

Buona sera!
Allora Dario, il modello dell'oscilloscopio e' :KenwoodCS4025. Il manual service lo si trova facilmente online, ma se vuoi te lo mando.
Non ho un altro oscilloscopio e non me lo posso neppure permettere. Gli strumenti che ho sono multimetro, frequenzimetro e generatore di forme d'onda.
La componente alternata si presenta su 8V, -8, e con frequenza diversa anche su 140V. Il difetto si presenta dopo 20min circa di funzionamento.
Ho staccato praticamente tutte le apparecchiature dalla rete elettrica e il difetto si presenta.
O_/
Ultima modifica di Foto UtenteDarioDT il 10 set 2017, 8:59, modificato 1 volta in totale.
Motivazione: Modificato tiolo
Avatar utente
Foto Utentemarcel
53 1 6
Frequentatore
Frequentatore
 
Messaggi: 167
Iscritto il: 30 nov 2015, 12:10

2
voti

[10] Re: Riparazione oscilloscopio Kenwood CS4025

Messaggioda Foto UtenteDarioDT » 8 set 2017, 21:14

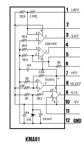
C'è questa interessante discussione su diyaudio di gente che ha lo stesso problema con questo circuito ibrido:
Kenwood Hybrid IC KMA01

In pratica questo è lo schema:
KENWOOD CS-4025 KMA01.JPG
KMA01


E questo il PCB:
KMA01.pdf
KMA01 PCB
(153.27 KiB) Scaricato 249 volte


Dario
Ultima modifica di Foto UtenteDarioDT il 10 set 2017, 8:59, modificato 1 volta in totale.
Motivazione: Modificato tiolo
ƎlectroYou e non smetti mai di imparare!
Avatar utente
Foto UtenteDarioDT
5.235 4 8 13
Master
Master
 
Messaggi: 1267
Iscritto il: 16 apr 2012, 20:13
Località: Bari

Prossimo

Torna a Strumentazione

Chi c’è in linea

Visitano il forum: Nessuno e 4 ospiti