salve ragazzi,
vorrei chiedervi la differenza tra amplificatore differenziale e operazionale.
grazie in anticipo.
amplificatore differenziale e operazionale
Moderatori:
carloc,
g.schgor,
BrunoValente,
IsidoroKZ
8 messaggi
• Pagina 1 di 1
1
voti
2
voti
Un amplificatore differenziale è un circuito che, dati due ingressi, amplifica la differenza tra di loro. Un amplificatore operazionale è un dispositivo il cui stadio d'ingresso è costituito da un amplificatore differenziale.
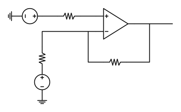
Giusto per una nota "folkloristica": se vuoi usare un operazionale per ottenere un amplificatore differenziale, ovvero tale da avere funzione di trasferimento
, puoi progettare ad esempio un circuito come questo:
Qui, il guadagno differenziale è
.
Giusto per una nota "folkloristica": se vuoi usare un operazionale per ottenere un amplificatore differenziale, ovvero tale da avere funzione di trasferimento
, puoi progettare ad esempio un circuito come questo:Qui, il guadagno differenziale è
.-

rugweri
5.948 2 8 13 - CRU - Account cancellato su Richiesta utente
- Messaggi: 1366
- Iscritto il: 25 nov 2016, 18:46
0
voti
rugweri ha scritto:Un amplificatore differenziale è un circuito che, dati due ingressi, amplifica la differenza tra di loro. Un amplificatore operazionale è un dispositivo il cui stadio d'ingresso è costituito da un amplificatore differenziale.
...e quindi è a sua volta un amplificatore differenziale?
2
voti
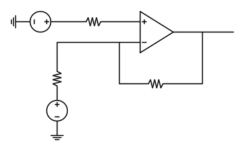
Gidl ha scritto:...e quindi è a sua volta un amplificatore differenziale?
Se lo usi così:
Ottieni, stando al modello ideale (sii buono, è tardi e fare i calcoli a mente è pesante
In linea di principio, probabilmente potremmo dire che l'operazionale è a sua volta differenziale, ma personalmente preferisco essere preciso ed evidenziare che, prima di essere un amplificatore differenziale (affermazione che, come dicevo sopra, è discutibile a seconda dell'interpretazione che se ne da), l'operazionale ha un amplificatore differenziale
-

rugweri
5.948 2 8 13 - CRU - Account cancellato su Richiesta utente
- Messaggi: 1366
- Iscritto il: 25 nov 2016, 18:46
7
voti
Provo a dire la mia, pero` sono solo opinioni strettamente personali!
Un amplificatore operazionale e` un amplificatore che, opportunamente retroazionato, serve per fare le operazioni mentre un amplificatore differenziale e` un amplificatore che fa le differenze
(e la differenza e` una operazione anche lei).
Gli operazionali sono amplificatori che sono stati inventati e sono ancora usati per fare operazioni matematiche su tensioni e correnti, ad esempio somme, moltiplicazioni per una costante (=amplificazione), integrazione, differenziazione e altre operazioni non lineari come una amplificazione logaritmica o esponenziale o un valore assoluto... Credo che il nome abbia circa 70 anni, ma il circuito dell'amplificatore operazionale e` piu` vecchio.
Gli operazionali sono amplificatori con elevato guadagno e banda che scende fino alla continua, ma questo qui non e` importante.
Una delle applicazioni dell'amplificatore operazionale e` di calcolare la differenza fra due tensioni, dando una tensione di uscita pari alla differenza delle due tensioni, con il circuito che ti e` stato mostrato qualche messaggio fa. In questo caso si parla di amplificatore differenziale.
Ora arriva il terzo incomodo che incasina un po' la terminologia. Un amplificatore differenziale puo` anche essere fatto senza usare un operazionale, ci sono dei circuiti che fanno la differenza fra due tensioni senza usare un operazionale. Ad esempio questo circuito e` un amplificatore differenziale, che amplifica la differenza V1-V2 per un coefficiente che qui non interessa.
Quest'ultimo circuito lo chiamo stadio differenziale, perche' e` un circuito ad un solo stadio. Accidentalmente questo e` anche il primo stadio di un amplificatore operazionale, ma questo non e` indispensabile, gli operazionali dei primordi non avevano gli ingressi differenziali.
Quindi: amplificatore operazionale e` un componente che serve a fare operazioni varie, amplificatore differenziale e` solitamente un operazionale configurato per calcolare con accuratezza la differenza di due tensioni, infine stadio differenziale e` un circuito in cui due transistori "calcolano" la differenza fra due tensioni.
Un amplificatore operazionale e` un amplificatore che, opportunamente retroazionato, serve per fare le operazioni mentre un amplificatore differenziale e` un amplificatore che fa le differenze
Gli operazionali sono amplificatori che sono stati inventati e sono ancora usati per fare operazioni matematiche su tensioni e correnti, ad esempio somme, moltiplicazioni per una costante (=amplificazione), integrazione, differenziazione e altre operazioni non lineari come una amplificazione logaritmica o esponenziale o un valore assoluto... Credo che il nome abbia circa 70 anni, ma il circuito dell'amplificatore operazionale e` piu` vecchio.
Gli operazionali sono amplificatori con elevato guadagno e banda che scende fino alla continua, ma questo qui non e` importante.
Una delle applicazioni dell'amplificatore operazionale e` di calcolare la differenza fra due tensioni, dando una tensione di uscita pari alla differenza delle due tensioni, con il circuito che ti e` stato mostrato qualche messaggio fa. In questo caso si parla di amplificatore differenziale.
Ora arriva il terzo incomodo che incasina un po' la terminologia. Un amplificatore differenziale puo` anche essere fatto senza usare un operazionale, ci sono dei circuiti che fanno la differenza fra due tensioni senza usare un operazionale. Ad esempio questo circuito e` un amplificatore differenziale, che amplifica la differenza V1-V2 per un coefficiente che qui non interessa.
Quest'ultimo circuito lo chiamo stadio differenziale, perche' e` un circuito ad un solo stadio. Accidentalmente questo e` anche il primo stadio di un amplificatore operazionale, ma questo non e` indispensabile, gli operazionali dei primordi non avevano gli ingressi differenziali.
Quindi: amplificatore operazionale e` un componente che serve a fare operazioni varie, amplificatore differenziale e` solitamente un operazionale configurato per calcolare con accuratezza la differenza di due tensioni, infine stadio differenziale e` un circuito in cui due transistori "calcolano" la differenza fra due tensioni.
Per usare proficuamente un simulatore, bisogna sapere molta più elettronica di lui
Plug it in - it works better!
Il 555 sta all'elettronica come Arduino all'informatica! (entrambi loro malgrado)
Se volete risposte rispondete a tutte le mie domande
Plug it in - it works better!
Il 555 sta all'elettronica come Arduino all'informatica! (entrambi loro malgrado)
Se volete risposte rispondete a tutte le mie domande
8 messaggi
• Pagina 1 di 1
Chi c’è in linea
Visitano il forum: Nessuno e 283 ospiti

Elettrotecnica e non solo (admin)
Un gatto tra gli elettroni (IsidoroKZ)
Esperienza e simulazioni (g.schgor)
Moleskine di un idraulico (RenzoDF)
Il Blog di ElectroYou (webmaster)
Idee microcontrollate (TardoFreak)
PICcoli grandi PICMicro (Paolino)
Il blog elettrico di carloc (carloc)
DirtEYblooog (dirtydeeds)
Di tutto... un po' (jordan20)
AK47 (lillo)
Esperienze elettroniche (marco438)
Telecomunicazioni musicali (clavicordo)
Automazione ed Elettronica (gustavo)
Direttive per la sicurezza (ErnestoCappelletti)
EYnfo dall'Alaska (mir)
Apriamo il quadro! (attilio)
H7-25 (asdf)
Passione Elettrica (massimob)
Elettroni a spasso (guidob)
Bloguerra (guerra)





