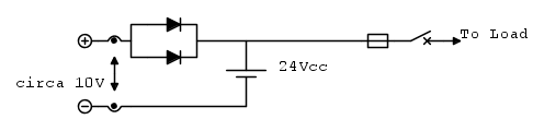
Buonasera, nell'immagine allegata vedete uno schema che mi sta facendo impazzire.
Ho inserito un diodo per non vedere la tensione della batteria(24 V) su due elettrodi, ma consentire solo un ingresso della corrente qualora andassi ad inserirla io agli elettrodi. Invece andando ad inserire il tester ai capi dei due elettrodi mi trovo una tensione di 10V circa, come mai? Non idealità dei diodi? capacità parassite? cosa può provocare presenza di tensione?
dubbi su diodo
Moderatori:
carloc,
g.schgor,
BrunoValente,
IsidoroKZ
17 messaggi
• Pagina 1 di 2 • 1, 2
0
voti
Ma il voltmetro è in serie al circuito?
Se diodi e voltmetro fossero ideali dovresti leggere 24 V, i 10V che leggi dovrebbero essere quelli dati dal partitore di tensione tra i diodi in interdizione e la resistenza interna dello strumento.
Se diodi e voltmetro fossero ideali dovresti leggere 24 V, i 10V che leggi dovrebbero essere quelli dati dal partitore di tensione tra i diodi in interdizione e la resistenza interna dello strumento.

0
voti
Piercarlo ha scritto:Rifai lo schema in fidocad per intero, così almeno evitiamo di impazzire pure noi, grazie!
Ecco fatto
x ilguru: io vado sui terminali + e - con un multimetro classico e leggo 10V nonostante mi aspettassi che mettendo il diodo, non avrei avuto tensione(e quindi corrente) sui terminali + e -.
Vorrei capire meglio dal punto di vista letterale il partitore di tensione tra i diodi, se andassi a mettere solo un diodo?
-1
voti
Piercarlo ha scritto:Ecco fatto cosa? Ci serve uno schema IN FIDOCAD, non uno screenshoot dello schema (oltrettutto inutile perché incompleto).
Inserito un file zip con all'ìinterno il fidocad che non mi faceva allegare a causa dell'estensione.
- Allegati
-
Documento1.zip- fidocad
- (358 Byte) Scaricato 119 volte
0
voti
no, non funziona così.
è banale:
disegni in fidocadj, copi l'intero disegno (ctrl+A e poi ctrl+V).
quando scrivi il messaggio sul forum, trovi in alto a dx, il tasto fcd, che ti fa comparire il codice
metti il cursore tra i tag... e incolla (ctrl+c);
se hai fatto tutto bene uscirà qualcosa del genere:
pubblichi e tutti vedremo questo:
chiunque voglia aiutarti può prendere il circuito da te disegnato e darti tutto l'aiuto che può, senza ridisegnarlo.

è banale:
disegni in fidocadj, copi l'intero disegno (ctrl+A e poi ctrl+V).
quando scrivi il messaggio sul forum, trovi in alto a dx, il tasto fcd, che ti fa comparire il codice
- Codice: Seleziona tutto
[fcd][/fcd]
metti il cursore tra i tag... e incolla (ctrl+c);
se hai fatto tutto bene uscirà qualcosa del genere:
- Codice: Seleziona tutto
[fcd][FIDOCAD]
MC 25 30 2 0 010
MC 25 30 0 0 030
SA 30 30 0
MC 40 25 0 0 200
MC 40 35 0 0 200
LI 35 30 35 25 0
LI 35 25 40 25 0
LI 35 35 40 35 0
LI 35 35 35 30 0
LI 55 25 55 35 0
LI 55 30 70 30 0
MC 70 30 0 0 450
LI 35 50 70 50 0
MC 25 50 2 0 020
MC 35 50 2 0 030
SA 30 50 0
TY 80 35 5 3 0 0 0 * 24Vcc
LI 70 30 105 30 0
MC 105 30 3 0 890
MC 130 30 1 0 760
MC 130 30 0 0 074
TY 135 25 5 3 0 0 0 * To Load
MC 30 40 1 0 074
MC 30 40 3 0 074
TY 0 40 5 3 0 0 0 * circa 10V[/fcd]
pubblichi e tutti vedremo questo:
chiunque voglia aiutarti può prendere il circuito da te disegnato e darti tutto l'aiuto che può, senza ridisegnarlo.

0
voti
Grazie e scusa.
ho provato a fare ctrl-A ma non mi copia tutto, mi da la possibilità di aprire un file
ho provato a fare ctrl-A ma non mi copia tutto, mi da la possibilità di aprire un file
17 messaggi
• Pagina 1 di 2 • 1, 2
Chi c’è in linea
Visitano il forum: Google [Bot] e 52 ospiti

Elettrotecnica e non solo (admin)
Un gatto tra gli elettroni (IsidoroKZ)
Esperienza e simulazioni (g.schgor)
Moleskine di un idraulico (RenzoDF)
Il Blog di ElectroYou (webmaster)
Idee microcontrollate (TardoFreak)
PICcoli grandi PICMicro (Paolino)
Il blog elettrico di carloc (carloc)
DirtEYblooog (dirtydeeds)
Di tutto... un po' (jordan20)
AK47 (lillo)
Esperienze elettroniche (marco438)
Telecomunicazioni musicali (clavicordo)
Automazione ed Elettronica (gustavo)
Direttive per la sicurezza (ErnestoCappelletti)
EYnfo dall'Alaska (mir)
Apriamo il quadro! (attilio)
H7-25 (asdf)
Passione Elettrica (massimob)
Elettroni a spasso (guidob)
Bloguerra (guerra)





