Antenna FM alimentata dal lunotto auto
Moderatori:
carloc,
g.schgor,
BrunoValente,
IsidoroKZ
34 messaggi
• Pagina 3 di 4 • 1, 2, 3, 4
1
voti
I circuiti sono controcorrente. Seguono sempre la massa
-Per rispondere utilizza il tasto [RISPONDI] e non il tasto [CITA], grazie.-
-Per rispondere utilizza il tasto [RISPONDI] e non il tasto [CITA], grazie.-
0
voti
abusivo ha scritto:..di appena 35 anni fa!
Ed oggi ancora insegna ..
I circuiti sono controcorrente. Seguono sempre la massa
-Per rispondere utilizza il tasto [RISPONDI] e non il tasto [CITA], grazie.-
-Per rispondere utilizza il tasto [RISPONDI] e non il tasto [CITA], grazie.-
0
voti
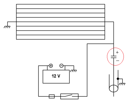
Kagliostro ha scritto:No, non direi
il condensatore va tra il positivo del lunotto (ovviamente sul lunotto e non vicino all'interruttore) ed il centrale del cavo antenna
............
Ciao Kagliostro, il tuo schemino e` semplicemente fantastico!!
mi confermeresti soltanto la polarita del condensatore?
- Allegati
-
- lll.PNG (7.11 KiB) Osservato 5055 volte
-

tonyalcapon
20 4 - New entry

- Messaggi: 62
- Iscritto il: 10 apr 2012, 2:57
0
voti
mir ha scritto:Vi posto questo interessantissimo PDF ..
Molto interessante grazie, ho provato a cercarne uno simile ma sembrano introvabili oggi.
-

tonyalcapon
20 4 - New entry

- Messaggi: 62
- Iscritto il: 10 apr 2012, 2:57
0
voti
Come dicevo in un precedente post
non serve un condensatore elettrolitico, usa un poliestere o un ceramico
Ah, se la cosa ti confondesse, i poliestere ed i ceramici non hanno un + ed un - e quindi sono reversibili
(oddio, ci sarebbe tutto un discorso da fare sui condensatori avvolti, ma soprassediamo)
..
Il kit è lo stesso di cui avevo postato il link (UK 237)
K
p.s.: Non serve allegare il contenuto completo di un post precedente, il thread resta più leggibile e meno congestionato se si fa solo un accenno (se proprio serve)
non serve un condensatore elettrolitico, usa un poliestere o un ceramico
Ah, se la cosa ti confondesse, i poliestere ed i ceramici non hanno un + ed un - e quindi sono reversibili
(oddio, ci sarebbe tutto un discorso da fare sui condensatori avvolti, ma soprassediamo)
..
Il kit è lo stesso di cui avevo postato il link (UK 237)
K
p.s.: Non serve allegare il contenuto completo di un post precedente, il thread resta più leggibile e meno congestionato se si fa solo un accenno (se proprio serve)
-

Kagliostro
6.396 4 5 7 - Master

- Messaggi: 4831
- Iscritto il: 19 set 2012, 11:32
0
voti
tonyalcapon ha scritto: ho provato a cercarne uno simile ma sembrano introvabili oggi.
Certamente, ma lo schemino fornisce ottime indicazioni in proposito, come ad esempio sul tipo di condensatore da utilizzare che il buon
I circuiti sono controcorrente. Seguono sempre la massa
-Per rispondere utilizza il tasto [RISPONDI] e non il tasto [CITA], grazie.-
-Per rispondere utilizza il tasto [RISPONDI] e non il tasto [CITA], grazie.-
0
voti
Kagliostro ha scritto:non serve un condensatore elettrolitico, usa un poliestere o un ceramico
Ah, se la cosa ti confondesse, i poliestere ed i ceramici non hanno un + ed un - e quindi sono reversibili
Wow grazie mille! sto imparando un sacco
-

tonyalcapon
20 4 - New entry

- Messaggi: 62
- Iscritto il: 10 apr 2012, 2:57
0
voti
Zeitung ha scritto:come colleghi l´antenna all´amplificatore? potresti dirci come arrivi alla autoradio? grazie.
Ciao Zei, penso che la domanda fosse referita a me, io uso questo affare, come vedi e` semplicissimo, un ingresso/uscita antenna e un filo che va collegato allo spinotto/filo blu dell`autoradio.
- Allegati
-
- uuu.PNG (102.5 KiB) Osservato 4928 volte
-

tonyalcapon
20 4 - New entry

- Messaggi: 62
- Iscritto il: 10 apr 2012, 2:57
34 messaggi
• Pagina 3 di 4 • 1, 2, 3, 4
Chi c’è in linea
Visitano il forum: Nessuno e 43 ospiti

Elettrotecnica e non solo (admin)
Un gatto tra gli elettroni (IsidoroKZ)
Esperienza e simulazioni (g.schgor)
Moleskine di un idraulico (RenzoDF)
Il Blog di ElectroYou (webmaster)
Idee microcontrollate (TardoFreak)
PICcoli grandi PICMicro (Paolino)
Il blog elettrico di carloc (carloc)
DirtEYblooog (dirtydeeds)
Di tutto... un po' (jordan20)
AK47 (lillo)
Esperienze elettroniche (marco438)
Telecomunicazioni musicali (clavicordo)
Automazione ed Elettronica (gustavo)
Direttive per la sicurezza (ErnestoCappelletti)
EYnfo dall'Alaska (mir)
Apriamo il quadro! (attilio)
H7-25 (asdf)
Passione Elettrica (massimob)
Elettroni a spasso (guidob)
Bloguerra (guerra)



