Cos'è ElectroYou | Login Iscriviti

ElectroYou - la comunità dei professionisti del mondo elettrico

Circuito RL parallelo, in regime sinusoidale

Circuiti, campi elettromagnetici e teoria delle linee di trasmissione e distribuzione dell’energia elettrica

Moderatori: Foto Utenteg.schgor, Foto UtenteIsidoroKZ

0
voti

[1] Circuito RL parallelo, in regime sinusoidale

Messaggioda Foto Utentenoisemake » 17 dic 2017, 0:45

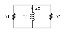
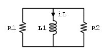
20171216_230527.jpg

Salve a tutti avrei un dubbio su questo esercizio , il circuito è in regime sinusoidale per t<0;
devo trovare la potenza complessa erogata dal generatore per t<0 e la tensione su R2 per t>0.

Per il primo punto, passando al dominio dei fasori, ottengo che la corrente erogata dal generatore è data da:

I_e=E/(Req)=0,839-0,286i

Dove E=10 e R_eq= (R2//Z_L1)+R1

Quindi la potenza complessa erogata è P=1/2*E*I_ec= 4,195+1,43i
dove I_ec è il complesso coniugato di I_e

Fin qui spero tutto ok.

Dopo trovo la corrente nell'induttore con il partitore di corrente ed ottengo
I_{L1}=I_e*(R2/R2+Z_{L1}) =0,758-0,428i , cioè i(t)=0,871cos(314t-0,515)A

A questo punto posto t=0 ottengo che la corrente nell'induttore all'istante 0.
i(0)=0,758 che è la condizione iniziale della mia evoluzione libera.
quindi per t<0
La Resistenza equivalente vista dall'induttore è Req=20/3 allora lambda=-Req/L1
i(t)=0,758e^(-555,56t) che è l'evoluzione libera della corrente nell'induttore per t<0.

Ora dato che devo calcolare la tensione su R2 , ed essendo per per t<0 il generatore spento , andando a riscrivere il circuito mi trovo R1 in parallelo con L1 in parallelo con R2; quindi la corrente che circola in R2 devo calcolarla a partire da i(t)=0,758e^{(-555,56t)} facendo il partitore di corrente?
Perdonate eventuali cretinate :)
Avatar utente
Foto Utentenoisemake
10 2
 
Messaggi: 22
Iscritto il: 24 mag 2016, 19:46

0
voti

[2] Re: Circuito RL parallelo, in regime sinusoidale

Messaggioda Foto UtenteMarkyMark » 17 dic 2017, 10:49



Puoi usare il partitore di corrente oppure puoi osservare che i_L scorre nel parallelo delle due resistenze



:D
mark
Avatar utente
Foto UtenteMarkyMark
3.422 2 5 6
Master EY
Master EY
 
Messaggi: 518
Iscritto il: 11 giu 2016, 12:01

0
voti

[3] Re: Circuito RL parallelo, in regime sinusoidale

Messaggioda Foto Utentenoisemake » 17 dic 2017, 19:22

Grazie mille, quindi per fare il partitore di corrente sull'esponenziale mi basta considerare il coefficiente.

i(t)=0,758e^{(-555,56t)}


i_{R2}=0,758e^{(-555,56t)}*10/30
v_{R2}=0,253e^{(-555,56t)}*20= 5,05e^{(-555,56t)} V

Grazie :D
Ps. Ho il dubbio dovrebbe essere v_{R2}=-5,05e^{(-555,56t)}
Avatar utente
Foto Utentenoisemake
10 2
 
Messaggi: 22
Iscritto il: 24 mag 2016, 19:46

0
voti

[4] Re: Circuito RL parallelo, in regime sinusoidale

Messaggioda Foto Utenteg.schgor » 17 dic 2017, 23:06

Si, è il senso della corrente che inverte le tensioni sulle resistenze.
Avatar utente
Foto Utenteg.schgor
57,8k 9 12 13
G.Master EY
G.Master EY
 
Messaggi: 16971
Iscritto il: 25 ott 2005, 9:58
Località: MILANO

0
voti

[5] Re: Circuito RL parallelo, in regime sinusoidale

Messaggioda Foto Utentenoisemake » 18 dic 2017, 17:26

Perfetto , grazie :-)
Avatar utente
Foto Utentenoisemake
10 2
 
Messaggi: 22
Iscritto il: 24 mag 2016, 19:46


Torna a Elettrotecnica generale

Chi c’è in linea

Visitano il forum: Nessuno e 67 ospiti