Sai qualcosa sulla banda degli ingressi?
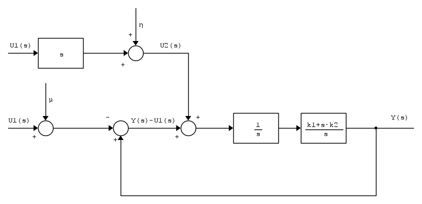
A parte che servirebbe a gran poco senza conoscere i coefficenti k1 e k2.
Per come lo hai posto sembra un esercizio totalmente teorico ma poi mi parli di segnali che provengono da sensori di cui però non si sa nulla..
filtraggio segnali
15 messaggi
• Pagina 2 di 2 • 1, 2
15 messaggi
• Pagina 2 di 2 • 1, 2
Torna a Elaborazione numerica ed analogica dei segnali
Chi c’è in linea
Visitano il forum: Nessuno e 5 ospiti

Elettrotecnica e non solo (admin)
Un gatto tra gli elettroni (IsidoroKZ)
Esperienza e simulazioni (g.schgor)
Moleskine di un idraulico (RenzoDF)
Il Blog di ElectroYou (webmaster)
Idee microcontrollate (TardoFreak)
PICcoli grandi PICMicro (Paolino)
Il blog elettrico di carloc (carloc)
DirtEYblooog (dirtydeeds)
Di tutto... un po' (jordan20)
AK47 (lillo)
Esperienze elettroniche (marco438)
Telecomunicazioni musicali (clavicordo)
Automazione ed Elettronica (gustavo)
Direttive per la sicurezza (ErnestoCappelletti)
EYnfo dall'Alaska (mir)
Apriamo il quadro! (attilio)
H7-25 (asdf)
Passione Elettrica (massimob)
Elettroni a spasso (guidob)
Bloguerra (guerra)


e
indipendenti.


