Corrente alternata
Moderatori:
g.schgor,
IsidoroKZ
22 messaggi
• Pagina 2 di 3 • 1, 2, 3
0
voti
no, bisogna applicare il primo principio di Kirchhoff.
0
voti
Blaster ha scritto:Applicando tale principio avrò che la corrente di due fasi ritorna al generatore attraverso la terza fase. Ragionamento corretto?
In questo modo Il carico ad un certo istante di tempo t assorbe la corrente di due fasi?
0
voti
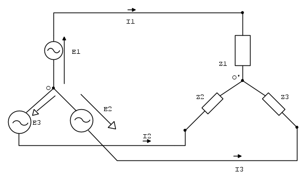
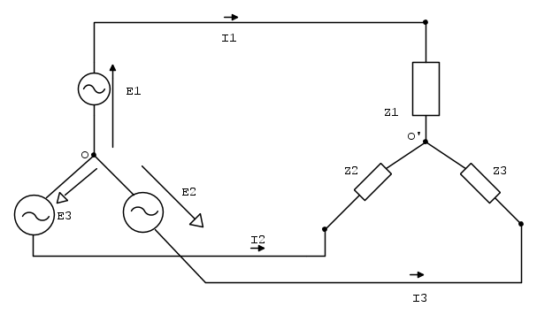
Considero il sistema trifase con carico equilibrato rappresentato in figura
Considerando la corrente I1 che giunge al carico Z1, questa come ritorna al generatore E1?
Considerando la corrente I1 che giunge al carico Z1, questa come ritorna al generatore E1?
0
voti
Basta applicare il primo principio di Kirchhoff nel nodo comune delle tre impedenze, quindi matematicamente scrivere
.
Se la matematica è troppo arida e non ti soddisfa, e vuoi dare alle correnti un'anima, puoi dire che la corrente
giunta nel nodo, per colpa di Kirchhoff, si divide in due parti: una parte va su
e prosegue attraverso
; l'altra va su
e prosegue attraverso
. Le due correnti, giunte nel nodo comune ai tre generatori, stavolta per merito di Kirchhoff, si riuniscono, ripristinando la
che prosegue attraverso 
. Se la matematica è troppo arida e non ti soddisfa, e vuoi dare alle correnti un'anima, puoi dire che la corrente
giunta nel nodo, per colpa di Kirchhoff, si divide in due parti: una parte va su
e prosegue attraverso
; l'altra va su
e prosegue attraverso
. Le due correnti, giunte nel nodo comune ai tre generatori, stavolta per merito di Kirchhoff, si riuniscono, ripristinando la
che prosegue attraverso 
0
voti
Ma in un certo istante di tempo t, quanto detto per I1, si applica a anche a I2 e I3?
Ultima modifica di
admin il 5 mag 2018, 20:01, modificato 1 volta in totale.
Motivazione: Eliminata inutile citazione integrale del messaggio che precede
Motivazione: Eliminata inutile citazione integrale del messaggio che precede
22 messaggi
• Pagina 2 di 3 • 1, 2, 3
Torna a Elettrotecnica generale
Chi c’è in linea
Visitano il forum: Nessuno e 13 ospiti

Elettrotecnica e non solo (admin)
Un gatto tra gli elettroni (IsidoroKZ)
Esperienza e simulazioni (g.schgor)
Moleskine di un idraulico (RenzoDF)
Il Blog di ElectroYou (webmaster)
Idee microcontrollate (TardoFreak)
PICcoli grandi PICMicro (Paolino)
Il blog elettrico di carloc (carloc)
DirtEYblooog (dirtydeeds)
Di tutto... un po' (jordan20)
AK47 (lillo)
Esperienze elettroniche (marco438)
Telecomunicazioni musicali (clavicordo)
Automazione ed Elettronica (gustavo)
Direttive per la sicurezza (ErnestoCappelletti)
EYnfo dall'Alaska (mir)
Apriamo il quadro! (attilio)
H7-25 (asdf)
Passione Elettrica (massimob)
Elettroni a spasso (guidob)
Bloguerra (guerra)





