Ciao a tutti,
Da un sensore induttivo ricevo un segnale avente frequenza variabile tra 300-500Hz e una tensione picco picco variabile tra i 2 e i 6V con 5V di offset.
La forma d’onda potrei idealizzarla come una forma d’onda triangolare. L’obiettivo è ottenere un’onda quadra che mi permetta di contare i picchi positivi (o negativi) dell’onda di partenza
Idea1: con il segnale entro in un BJT per poi amplificarlo di 2-3 volte. Una volta amplificato il segnale pilota a sua volta una base di un BJT polarizzato come interruttore on off... in uscita avrò una tensione quadra stabile.
Idea 2: amplifico con un amplificatore operazionale, in serie un diodo che taglia semionde negative e in uscita uno zener taglia tensione a 5V circa
Quale è la migliore? Altre idee?
Consiglio gestione segnale
Moderatori:
carloc,
g.schgor,
BrunoValente,
IsidoroKZ
26 messaggi
• Pagina 1 di 3 • 1, 2, 3
0
voti
ira83 ha scritto: vado di operazionale
No, vai di comparatore. LM393 e' un comparatore
C'era un articolo di Bob Pease che spegava perche' un Op-Amp NON deve essere usato come comparatore. (cerca con google)
ira83 ha scritto: se in uscita volessi l’onda quadra di circa 5V basta alimentare così anche l’operazionale no?
No.
Alimenta il comparatore con V > 5 + 3 + 1.5 = 9.5 V
Collega la resistenza di pull-up (il comparatore e' open collector) alla tensione che desideri in uscita
0
voti
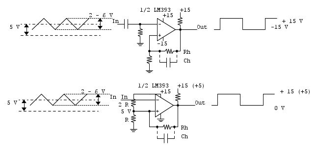
Quei comparatori con operazionale non vanno bene per l'applicazione.
E' indispensabile introdurre un'isteresi altrimenti l'uscita diventa instabile nei pressi del punto di transizione. Ancora di più perché il segnale è triangolare e ha quindi una pendenza bassa nell'attraversare la soglia.
E' indispensabile introdurre un'isteresi altrimenti l'uscita diventa instabile nei pressi del punto di transizione. Ancora di più perché il segnale è triangolare e ha quindi una pendenza bassa nell'attraversare la soglia.
0
voti
Questa e' la soluzione proposta da
venexian (anche se non sono totalmente convinto che l'isteresi sia necessaria dati i segnali e il comparatore LM393 indicati).
L'uscita in questo caso e' invertita (sfasata di 180 gradi) rispetto allo schema precedente.
Rh(ysteresis) e Ch(ysteresis) (componenti che determinano l'isteresi) possono essere usati entrambi oppure in alternativa.
Ovviamente gli schemi (questi e quelli del post precedente) sono schemi di principio e non breadborded, tested and released for production.
L'uscita in questo caso e' invertita (sfasata di 180 gradi) rispetto allo schema precedente.
Rh(ysteresis) e Ch(ysteresis) (componenti che determinano l'isteresi) possono essere usati entrambi oppure in alternativa.
Ovviamente gli schemi (questi e quelli del post precedente) sono schemi di principio e non breadborded, tested and released for production.
0
voti
Quella del condensatore sull'isteresi non l'avevo mai vista. Hai dei riferimenti?
L'isteresi serve con un segnale come quello per evitare le commutazioni multiple vicino ai cambiamenti di stato. Dato che l'OP vuole proprio contare questi impulsi, il non inserire l'isteresi porterebbe certamente a degli errori di conteggio.
Nota: i comparatori a isteresi si possono fare anche non invertenti.
L'isteresi serve con un segnale come quello per evitare le commutazioni multiple vicino ai cambiamenti di stato. Dato che l'OP vuole proprio contare questi impulsi, il non inserire l'isteresi porterebbe certamente a degli errori di conteggio.
Nota: i comparatori a isteresi si possono fare anche non invertenti.
0
voti
Grazie mille per le risposte
Ci mancherebbe, intanto mi avete dato una super dritta... mi procuro il comparatore e farò delle prove io un passo alla volta... intanto mentre attendo il componente studio un po’ i comparatori poiché è la prima volta che li utilizzo
Grazie ancora
elfo ha scritto:Ovviamente gli schemi (questi e quelli del post precedente) sono schemi di principio e non breadborded, tested and released for production.
Ci mancherebbe, intanto mi avete dato una super dritta... mi procuro il comparatore e farò delle prove io un passo alla volta... intanto mentre attendo il componente studio un po’ i comparatori poiché è la prima volta che li utilizzo
Grazie ancora
0
voti
venexian ha scritto:Quella del condensatore sull'isteresi non l'avevo mai vista. Hai dei riferimenti?
Non saprei darti un riferimento bibliografico preciso: da "sempre" so che si puo' fare (e si fa).
Ecco due applicazioni di esempio
AN-260 A 20-Bit (1 ppm) Linear Slope-Integrating A/D Converter
http://www.ti.com/lit/an/snoa597b/snoa597b.pdf
Fig. 2 Pag 5
Bipolar (AC) Input V-to-F Converter
http://www.analog.com/media/en/technica ... /an45f.pdf
AN45-17 Fig 24
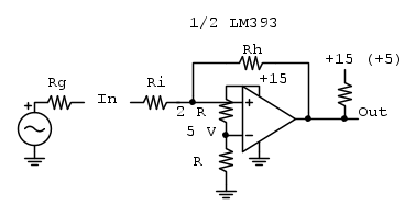
venexian ha scritto:Nota: i comparatori a isteresi si possono fare anche non invertenti.
Hai ragione,
MA
guarda il circuito qui sotto.
Il livello di isteresi - fissata Rh - dipende da (Ri + Rg).
Rg (resistenza del generatore) e' "esterna" al circuito e quindi *non* nota a priori.
0
voti
elfo ha scritto:Non saprei darti un riferimento bibliografico preciso: da "sempre" so che si puo' fare (e si fa).
A me risulta proprio di no.
Gli esempi che hai postato sono estrapolazioni di un solo operazionale in circuiti multi-reazionati nei quali il componente specifico non svolge la funzione di comparatore.
A tuo parere, visto 'che si fa', quale sarebbe la funzione di quel condensatore in un comparatore?
26 messaggi
• Pagina 1 di 3 • 1, 2, 3
Chi c’è in linea
Visitano il forum: Majestic-12 [Bot] e 192 ospiti

Elettrotecnica e non solo (admin)
Un gatto tra gli elettroni (IsidoroKZ)
Esperienza e simulazioni (g.schgor)
Moleskine di un idraulico (RenzoDF)
Il Blog di ElectroYou (webmaster)
Idee microcontrollate (TardoFreak)
PICcoli grandi PICMicro (Paolino)
Il blog elettrico di carloc (carloc)
DirtEYblooog (dirtydeeds)
Di tutto... un po' (jordan20)
AK47 (lillo)
Esperienze elettroniche (marco438)
Telecomunicazioni musicali (clavicordo)
Automazione ed Elettronica (gustavo)
Direttive per la sicurezza (ErnestoCappelletti)
EYnfo dall'Alaska (mir)
Apriamo il quadro! (attilio)
H7-25 (asdf)
Passione Elettrica (massimob)
Elettroni a spasso (guidob)
Bloguerra (guerra)







