Cos'è ElectroYou | Login Iscriviti

ElectroYou - la comunità dei professionisti del mondo elettrico

Amperometro per alimentatore

Elettronica lineare e digitale: didattica ed applicazioni

Moderatori: Foto Utentecarloc, Foto Utenteg.schgor, Foto UtenteBrunoValente, Foto UtenteIsidoroKZ

0
voti

[1] Amperometro per alimentatore

Messaggioda Foto Utentedidimo » 22 mag 2018, 17:17

Salve a tutti,
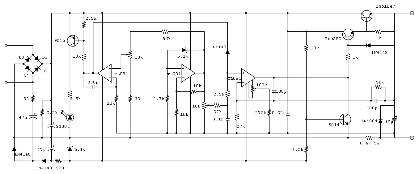
ho comprato un kit per un alimentatore stabilizzato CC/CV ( 0-30 V, 0.002-3.0 A ) e vorrei dotarlo d'un amperometro ( tutta roba made in PRC :shock: ).
Dispongo d'un piccolo voltmetro digitale in dc 0.00 - 3.00 V (impedenza ingresso circa 185 kohm)
Lo schema, che spero di aver copiato senza errori, è il seguente:



( Comunque quello proposto dal venditore è:
Http://img.banggood.com/file/products/2 ... nstall.pdf
Il circuito penso sia stato preso da qui ( vi sono differenze su alcuni componenti: zener,transistors,diodi.):
http://www.electronics-lab.com/project/ ... 0-002-3-a/)

Considerato che la corrente d'uscita deve venir rilevata per poterla controllare, forse, si potrebbe ricavarne il valore direttamente dal circuito, modificandolo.
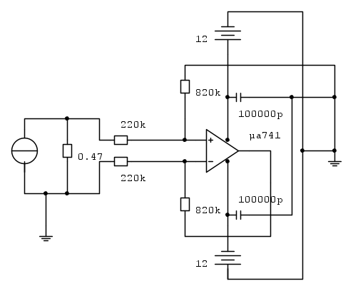
Oppure, dato che schema riporta una R da 0.47 ohm in serie all'uscita ed ho pensato che amplificando la tensione ai suoi capi si potrebbe ottenere 0 V --> 0 A, 0.10 V --> 0.10 A, ..... 3.00 V -->3.00 A.

Per l'alimentazione del kit utilizzerei 2 trasformatori toroidali da 12 V in serie da cui potrei ricavare le tensioni V+ e V- per l'operazionale: è necessario siano stabilizzate o si possono prelevare direttamente dal circuito stampato o è possibile alimentazione singola ?
Pensavo di poter utilizzare dei µa741 di cui dispongo alcuni vecchi esemplari ceramici 14 pins.
Il problema consiste nel fatto che non so come fare :oops:
Spero di aver detto tutto anche se un po' confuso.
O_/
didimo
Avatar utente
Foto Utentedidimo
78 6
Frequentatore
Frequentatore
 
Messaggi: 163
Iscritto il: 15 feb 2009, 0:43

0
voti

[2] Re: Amperometro per alimentatore

Messaggioda Foto UtenteGuidoB » 23 mag 2018, 1:02

Ciao Foto Utentedidimo,
didimo ha scritto:Il circuito penso sia stato preso spudoratamente copiato da qui

:?

didimo ha scritto:dato che schema riporta una R da 0.47 ohm in serie all'uscita ed ho pensato che amplificando la tensione ai suoi capi si potrebbe ottenere 0 V --> 0 A, 0.10 V --> 0.10 A, ..... 3.00 V -->3.00 A

Sì, sarebbe possibile.

didimo ha scritto:Per l'alimentazione del kit utilizzerei 2 trasformatori toroidali da 12 V in serie da cui potrei ricavare le tensioni V+ e V- per l'operazionale

Esagerato :lol: potresti prenderle dal circuito esistente, che già alimenta altri operazionali.
Per questo alimentatore non è necessaria un'alimentazione duale, e nemmeno avere 12+12 V alternati, va bene anche un trasformatore con uscita singola a 24 V.

didimo ha scritto:Pensavo di poter utilizzare dei µa741 di cui dispongo alcuni vecchi esemplari ceramici 14 pins.
Il problema consiste nel fatto che non so come fare :oops:

Lascia perdere... Per quest'uso ti consiglio di comprare un volt-amperometro da 100 V 10 A da pochi euro (cerca per esempio su Aliexpress "100V 10A Voltmeter Ammeter").

Dovrai alimentarlo con una tensione massima di 30 V, altrimenti si brucerà. Ti consiglio di usare uno stabilizzatore 7824. Anche i TL081 del circuito sono tirati per il collo, basta superare appena i 24 Vca in ingresso per possibilmente bruciarli.

Il punto più idoneo per inserire il sensore di corrente dell'amperometro è in serie alla resistenza da 0,47 ohm esistente (tra la resistenza e l'emettitore del transistor 9014). La resistenza aggiunta è probabilmente trascurabile, altrimenti potrai aggiungere una resistenza da qualche decina di ohm in parallelo a quella da 0,47 ohm per correggerne l'effetto.
Big fan of ƎlectroYou!       Ausili per disabili e anziani su ƎlectroYou
Caratteri utili: À È É Ì Ò Ó Ù α β γ δ ε η θ λ μ π ρ σ τ φ ω Ω º ª ² ³ √ ∛ ∜ ₀ ₁ ₂ ₃ ₄ ₅ ₆ ∃ ∄ ∆ ∈ ∉ ± ∓ ∾ ≃ ≈ ≠ ≤ ≥
Avatar utente
Foto UtenteGuidoB
17,8k 7 12 13
G.Master EY
G.Master EY
 
Messaggi: 2809
Iscritto il: 3 mar 2011, 16:48
Località: Madrid

0
voti

[3] Re: Amperometro per alimentatore

Messaggioda Foto Utentedidimo » 23 mag 2018, 8:29

Salve Foto UtenteGuidoB .
Ti ringrazio per aver sacrificato ore di sonno per prendere in considerazione il mio problema!
Non avendo un trasformatore idoneo utilizzerei due toroidali recuperati da lampade alogene.
Ho provato a simulare un circuito con µa741 ma se con una corrente di 3A l'uscita è ok, con 10 mA non mi fornisce i risultati voluti.
Comunque grazie egualmente.

didimo
Avatar utente
Foto Utentedidimo
78 6
Frequentatore
Frequentatore
 
Messaggi: 163
Iscritto il: 15 feb 2009, 0:43

0
voti

[4] Re: AMPEROMETRO PER ALIMENTATORE

Messaggioda Foto UtenteGuidoB » 23 mag 2018, 9:37

didimo ha scritto:Non avendo un trasformatore idoneo utilizzerei due toroidali recuperati da lampade alogene.

Ah ok, se li hai già è un ottimo modo per riciclarli.

didimo ha scritto:Ho provato a simulare un circuito con µa741 ma se con una corrente di 3A l'uscita è ok, con 10 mA non mi fornisce i risultati voluti.

Strano. Hai preso l'alimentazione negativa del 741 dal ramo a -5,1 V, quello stabilizzato dallo zener?
Big fan of ƎlectroYou!       Ausili per disabili e anziani su ƎlectroYou
Caratteri utili: À È É Ì Ò Ó Ù α β γ δ ε η θ λ μ π ρ σ τ φ ω Ω º ª ² ³ √ ∛ ∜ ₀ ₁ ₂ ₃ ₄ ₅ ₆ ∃ ∄ ∆ ∈ ∉ ± ∓ ∾ ≃ ≈ ≠ ≤ ≥
Avatar utente
Foto UtenteGuidoB
17,8k 7 12 13
G.Master EY
G.Master EY
 
Messaggi: 2809
Iscritto il: 3 mar 2011, 16:48
Località: Madrid

0
voti

[5] Re: Amperometro per alimentatore

Messaggioda Foto Utenteelektronik » 23 mag 2018, 9:54

Ciao Foto UtenteGuidoB io ho messo il volt-amperometro da te indicato nel mio alimentatore regolabile 0-30V - 0-3A, purtroppo non misura al di sotto dei 100 milliampere cosa che in laboratorio non aiuta, forse e meglio trovarne uno che arrivi a 3 ampere ma partisse da zero ampere.
Avatar utente
Foto Utenteelektronik
7.800 4 6 7
Master
Master
 
Messaggi: 3836
Iscritto il: 12 mag 2015, 22:26

1
voti

[6] Re: Amperometro per alimentatore

Messaggioda Foto UtenteGuidoB » 23 mag 2018, 10:07

Anch'io ne ho usato uno e non misura nulla al di sotto di 20 mA. Dai 20 mA in su misura correttamente.
Dev'essere un difetto congenito purtroppo.
Big fan of ƎlectroYou!       Ausili per disabili e anziani su ƎlectroYou
Caratteri utili: À È É Ì Ò Ó Ù α β γ δ ε η θ λ μ π ρ σ τ φ ω Ω º ª ² ³ √ ∛ ∜ ₀ ₁ ₂ ₃ ₄ ₅ ₆ ∃ ∄ ∆ ∈ ∉ ± ∓ ∾ ≃ ≈ ≠ ≤ ≥
Avatar utente
Foto UtenteGuidoB
17,8k 7 12 13
G.Master EY
G.Master EY
 
Messaggi: 2809
Iscritto il: 3 mar 2011, 16:48
Località: Madrid

0
voti

[7] Re: Amperometro per alimentatore

Messaggioda Foto Utenteelektronik » 23 mag 2018, 10:37

GuidoB ha scritto:Anch'io ne ho usato uno e non misura nulla al di sotto di 20 mA. Dai 20 mA in su misura correttamente.
Dev'essere un difetto congenito purtroppo.

Sarei felice se mi misurerebbe 20ma
Avatar utente
Foto Utenteelektronik
7.800 4 6 7
Master
Master
 
Messaggi: 3836
Iscritto il: 12 mag 2015, 22:26

0
voti

[8] Re: Amperometro per alimentatore

Messaggioda Foto Utentedidimo » 23 mag 2018, 18:35

didimo ha scritto:didimo ha scritto:
Ho provato a simulare un circuito con µa741 ma se con una corrente di 3A l'uscita è ok, con 10 mA non mi fornisce i risultati voluti.

Strano. Hai preso l'alimentazione negativa del 741 dal ramo a -5,1 V, quello stabilizzato dallo zener?


Ho simulato il circuito seguente settando la corrente a 2.98A e l'out risultava 5.235 V, poi con 0.010 A l'out risultava 0.0356 V.
Con 2.98A la caduta di tensione ai capi della 0.47 ohm è 1.40V e con 0.010A è 0.0047V.
Il guadagno è 820/220= 3.7272 che con 1.40 V input fornisce 5.218 V e con 0.0047 fornisce 0.0175 V che è circa 1/2 di quanto aspettavo.
Non ho proseguito nel cambio delle 820k e 220k ohm per portare il guadagno al valore corretto dati i risultati.
Può darsi che abbia errato lo schema o c'è altro che non so ed è molto quello che non conosco. :oops:
Avatar utente
Foto Utentedidimo
78 6
Frequentatore
Frequentatore
 
Messaggi: 163
Iscritto il: 15 feb 2009, 0:43

2
voti

[9] Re: Amperometro per alimentatore

Messaggioda Foto Utenteelfo » 23 mag 2018, 18:58

il 741 ha una tensione di offset di 1mV ed una offset current di 20 nA (valori tipici @ 25 C).

20 nA su 220 k // 820 k moltiplicati il guadagno "fanno" circa 13 mV che sono compatibili con l'errore che rilevi nelle tue misure.

Abbassa tutte le resistenze almeno di un fattore 10 (dieci).

Data sheet 741
http://www.ti.com/lit/ds/symlink/lm741.pdf
Avatar utente
Foto Utenteelfo
6.819 4 5 7
G.Master EY
G.Master EY
 
Messaggi: 2828
Iscritto il: 15 lug 2016, 13:27

0
voti

[10] Re: Amperometro per alimentatore

Messaggioda Foto Utentedidimo » 26 mag 2018, 10:50

elfo ha scritto:....................Abbassa tutte le resistenze almeno di un fattore 10 (dieci).


Grazie molte per la dritta :ok:
Ora la simulazione con Multisim mi fornisce un errore di circa 3 mA con 47k e 22.1k con la corrente da 10mA a 3A. =D>
Scusa la mia ignoranza ma ora avrei ancora un problemino:
Come si potrebbe alimentare il 741 solo con tensione positiva a 24 V ?
E cosa succede se dovessi abbassare ulteriormente le R fermo restando il loro rapporto?
In base a che considerazioni si debbono scegliere le R( da ohm a Mohm), fermo restando il loro rapporto?

elfo ha scritto:20 nA su 220 k // 820 k moltiplicati il guadagno "fanno" circa 13 mV che sono compatibili con l'errore che rilevi nelle tue misure.


Ci potrebbero essere conseguenze per il741?

Abbi pazienza e scusa per le tante domande

didimo
Avatar utente
Foto Utentedidimo
78 6
Frequentatore
Frequentatore
 
Messaggi: 163
Iscritto il: 15 feb 2009, 0:43

Prossimo

Torna a Elettronica generale

Chi c’è in linea

Visitano il forum: Majestic-12 [Bot] e 47 ospiti