Cos'è ElectroYou | Login Iscriviti

ElectroYou - la comunità dei professionisti del mondo elettrico

Questo circuito è corretto?

Elettronica lineare e digitale: didattica ed applicazioni

Moderatori: Foto Utentecarloc, Foto Utenteg.schgor, Foto UtenteBrunoValente, Foto UtenteIsidoroKZ

0
voti

[1] Questo circuito è corretto?

Messaggioda Foto UtenteHotz » 30 giu 2018, 12:06

Buongiorno a tutti O_/

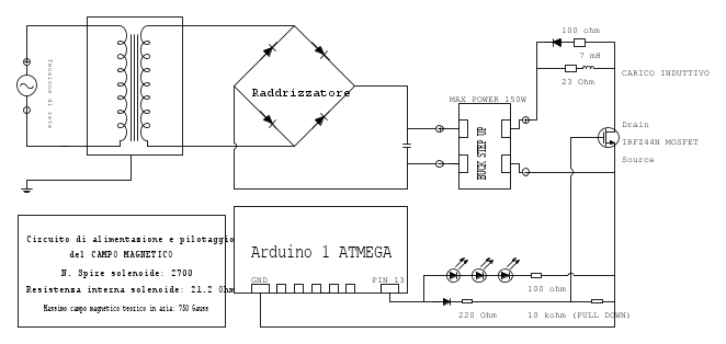
Sto realizzando un piccolo circuito per controllare l'accensione e lo spegnimento di un solenoide.

Vi allego il pdf contenente l'immagine e poi parto con la descrizione del circuito che non sono riuscito a realizzare con fidocadj perché non riuscivo a individuare alcuni componenti...

Sono partito dal trasformatore di corrente. In realtà la corrente è già rettificata e stabilizzata a 10V circa.
A questo punto, ho collegato il trasformatore ad un buck step up per innalzare il valore della tensione (ne ho bisogno perché devo alimentare il solenoide con correnti diverse in base all'esperimento realizzato).

A questo punto avevo pensato di utilizzare un semplice mosfet. Non disponendone tuttavia di uno logic level ho dovuto utilizzare un BJT per pilotare il mosfet.
Attraverso arduino attivo e disattivo il pin da 5V. Una piccola corrente raggiunge quindi la base del BJT e gli consente di condurre. Ho predisposto anche una resistenza di pull down da 10KOhm.

Quando il BJT è in saturazione il buck alimenta con i suoi x volt l'emittore del BJT. Ho predisposto una resistenza da 10KOhm per ridurre al minimo la corrente circolante. I tre diodi mi servono per garantire una caduta di tensione di circa 4 volt, che si azzera quando il BJT smette di condurre.
In pratica, grazie a l BJT ho creato una specie di partitore di tensione dal quale posso prelevare una tensione di xV - 4V predisponendomi all'estremità dei diodi.
Questo "segnale" finisce nel gate del mosfet, il quale legge tra drain e gate una ddp di 4Volt, che è il threeshold del mosfet, il quale si porta quindi in conduzione ed alimenta il solenoide.
Secondo voi è accettabile? Ci sono errori? Cosa posso migliorare? Grazie sempre per la vostra disponibilità gratuita e disinteressata!
File rimosso
Avatar utente
Foto UtenteHotz
43 3
New entry
New entry
 
Messaggi: 61
Iscritto il: 20 mag 2017, 20:52

0
voti

[2] Re: Questo circuito è corretto?

Messaggioda Foto Utentedimaios » 30 giu 2018, 12:21

Hotz ha scritto:Vi allego il pdf contenente l'immagine e poi parto con la descrizione del circuito che non sono riuscito a realizzare con fidocadj perché non riuscivo a individuare alcuni componenti...

:^o
Ingegneria : alternativa intelligente alla droga.
Avatar utente
Foto Utentedimaios
30,2k 7 10 12
G.Master EY
G.Master EY
 
Messaggi: 3381
Iscritto il: 24 ago 2010, 14:12
Località: Behind the scenes

1
voti

[3] Re: Questo circuito è corretto?

Messaggioda Foto UtenteMarcoD » 30 giu 2018, 14:12

Non ho capito bene lo schema.
La lettura del PDF è scomoda.
Mi pare un circuito inutilmente complicato.
Mi pare che applichi la tensione costante della caduta dei tre diodi in serie fra drain e gate?

Per fare condurre un MOSFET non basta applicare una tensione fra gate e source ?
Quale è la sigla del componente?
Cosa dice il data sheet?
Avatar utente
Foto UtenteMarcoD
12,2k 5 9 13
Master EY
Master EY
 
Messaggi: 6696
Iscritto il: 9 lug 2015, 16:58
Località: Torino

2
voti

[4] Re: Questo circuito è corretto?

Messaggioda Foto UtenteBrunoValente » 30 giu 2018, 16:53

Hotz ha scritto:Vi allego il pdf contenente l'immagine e poi parto con la descrizione del circuito che non sono riuscito a realizzare con fidocadj perché non riuscivo a individuare alcuni componenti..


Non ho visto componenti speciali nel tuo schema, tra l'altro disegnato pessimamente, quindi ho rimosso il file.
Sei pregato di disegnarlo con Fidocad e di non accampare scuse.
Avatar utente
Foto UtenteBrunoValente
39,6k 7 11 13
G.Master EY
G.Master EY
 
Messaggi: 7796
Iscritto il: 8 mag 2007, 14:48

3
voti

[5] Re: Questo circuito è corretto?

Messaggioda Foto UtenteHotz » 30 giu 2018, 20:19

Suvvia signori,
qui nessuno intende prendere in giro nessuno.
Le componenti mancanti all'interno del software erano:
1) Buck Step UP
2) Arduino
3) Collegamento di messa a terra del trasformatore

Per quanto concerne l'intervento del dott. Bruno Valente,
la critica è sempre ben accetta, purché costruttiva, altrimenti si trasforma in mera e sconsiderata offesa.
Io non ho la sua medesima formazione. Ho approfondito il campo della meccanica e più nello specifico mi interesso del ramo della trasmissione del calore. Se riteneva che il mio schema fosse fallevole o malamente rappresentato, avrebbe potuto accludere suggerimenti utili piuttosto che limitarsi al giudizio sterile ed acritico.

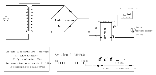
Ad ogni modo, ho tentato di ricostruire il ciurcuito accettando il suggerimento di MarcoD che sentitamente ringrazio.
Effettivamente, l'errore che commettevo nella pratica era di collegare il carico a valle della source. Adesso funziona tutto perfettamente.

Allego file fidoCAD




Grazie a tutti per la cortesia, riuscite a essere sempre risolutivi.

Attendo comunque le vostre dritte sullo schema,
buon proseguimento :)
Avatar utente
Foto UtenteHotz
43 3
New entry
New entry
 
Messaggi: 61
Iscritto il: 20 mag 2017, 20:52

1
voti

[6] Re: Questo circuito è corretto?

Messaggioda Foto Utenteclaudiocedrone » 1 lug 2018, 0:44

Il carico è induttivo, mettici un diodo in antiparallelo a protezione del mosfet. O_/
"Non farei mai parte di un club che accettasse la mia iscrizione" (G. Marx)
Avatar utente
Foto Utenteclaudiocedrone
21,3k 4 7 9
Master EY
Master EY
 
Messaggi: 15302
Iscritto il: 18 gen 2012, 13:36

1
voti

[7] Re: Questo circuito è corretto?

Messaggioda Foto UtentePietroBaima » 1 lug 2018, 7:27

se vuoi ottenere una sessantina di volt sull’induttore non ti serve un “buck step up” (buck o step-up? o forse intendi un buck-boost?)

Non ho capito a cosa servono i fotodiodi

A cosa ti serve quel campo magnetico?
Generatore codice per articoli:
nomi
Sul forum:
[pigreco]=π
[ohm]=Ω
[quadrato]=²
[cubo]=³
Avatar utente
Foto UtentePietroBaima
90,7k 7 12 13
G.Master EY
G.Master EY
 
Messaggi: 12206
Iscritto il: 12 ago 2012, 1:20
Località: Londra

0
voti

[8] Re: Questo circuito è corretto?

Messaggioda Foto UtenteHotz » 1 lug 2018, 8:28

PietroBaima ha scritto:se vuoi ottenere una sessantina di volt sull’induttore non ti serve un “buck step up” (buck o step-up? o forse intendi un buck-boost?)

Non ho capito a cosa servono i fotodiodi

A cosa ti serve quel campo magnetico?


I fotodiodi li ho inseriti per errore, intendevo inserire dei led, meno male che me lo hai fatto notare...
Ho modificato anche il nome del dispositivo, del quale non ho ancora ben compreso il nome.
E' buck step up, convertitore boost o buck boost? Per il momento ho modificato in buck boost :mrgreen:
Il campo magnetico mi serve per rompere la laminarità di un fluido contenente particelle nanomagnetiche in sospensione, allo scopo di migliorare la trasmissione del calore, riuscendo a prelevare convettivamente più calore dalla parete di un tubo di rame.


claudiocedrone ha scritto:Il carico è induttivo, mettici un diodo in antiparallelo a protezione del mosfet. O_/


Perfetto, fatto, grazie mille!


Attendo altri consigli


Avatar utente
Foto UtenteHotz
43 3
New entry
New entry
 
Messaggi: 61
Iscritto il: 20 mag 2017, 20:52

1
voti

[9] Re: Questo circuito è corretto?

Messaggioda Foto UtentePietroBaima » 1 lug 2018, 9:49

ah ok, adesso è più chiaro.

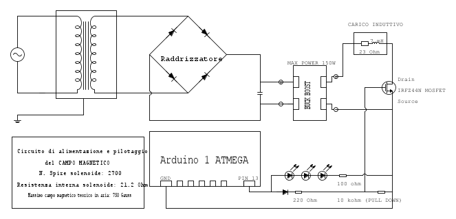
Allora il circuito va rivisto completamente.
Sono sul tablet e di corsa e non ho modo di modificarti il fidocadj purtroppo.

Il buck boost non serve.
Basta un trasformatore, ponte, raddrizzatore e condensatore elettrolitico da 4700uF.
Non serve stabilizzare, tanto non ti serve una corrente precisa.

Da Arducoso esci mettendo una R da 22 Ohm e vai dritto sul gate del MOS.
Lascia i tre LED se pensi ti servano.
Credo che il MOSFET vada messo più generoso.

Ciao
Generatore codice per articoli:
nomi
Sul forum:
[pigreco]=π
[ohm]=Ω
[quadrato]=²
[cubo]=³
Avatar utente
Foto UtentePietroBaima
90,7k 7 12 13
G.Master EY
G.Master EY
 
Messaggi: 12206
Iscritto il: 12 ago 2012, 1:20
Località: Londra

0
voti

[10] Re: Questo circuito è corretto?

Messaggioda Foto UtenteHotz » 1 lug 2018, 10:01

PietroBaima ha scritto:ah ok, adesso è più chiaro.

Allora il circuito va rivisto completamente.
Sono sul tablet e di corsa e non ho modo di modificarti il fidocadj purtroppo.

Il buck boost non serve.
Basta un trasformatore, ponte, raddrizzatore e condensatore elettrolitico da 4700uF.
Non serve stabilizzare, tanto non ti serve una corrente precisa.

Da Arducoso esci mettendo una R da 22 Ohm e vai dritto sul gate del MOS.
Lascia i tre LED se pensi ti servano.
Credo che il MOSFET vada messo più generoso.

Ciao


Grazie per i consigli,
il boost però credo che mi serva perché ho bisogno di modificare la tensione di alimentazione in un range dai 10 ai 45 volt.
Mi spiego meglio: in base all'intensità campo magnetico, l'efficacia delle particelle nanofluide subisce un ridimensionamento o una amplificazione. Non è necessariamente detto che alla massima potenza corrisponda il massimo scambio termico, la relazione è fortemente non lineare, quindi ho bisogno del buck boost per poter variare la tensione di alimentazione attraverso la vitina presente su di esso... sbaglio qualcosa?

P.S.: ho specificato che la potenza massima erogabile del buck boost sia di 150W, tuttavia a 45V la corrente circolante è circa 2,2Ampere, ciò implica una potenza dissipata sul solenoide di circa 100W (ma noi non supereremo gli 80W), devo comunque sovradimensionare il mosfet?





Ho aggiunto il diodo che drive non aveva sincronizzato sul portatile
Avatar utente
Foto UtenteHotz
43 3
New entry
New entry
 
Messaggi: 61
Iscritto il: 20 mag 2017, 20:52

Prossimo

Torna a Elettronica generale

Chi c’è in linea

Visitano il forum: Nessuno e 52 ospiti