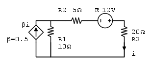
Buona sera, sto preparando l'esame di elettrotecnica e mi trovo in difficoltà nel risolvere esercizi con i generatori dipendenti. Questo è uno dei tanti esercizi, volevo sapere se c'è un metodo preciso per risolverlo e come devo applicarlo. La traccia richiede questo: "Con riferimento al circuito in figura determinare la potenza erogata dal generatore dipendente."
Grazie mille per l'aiuto.
Risolvere un circuito con generatori dipendenti e non
Moderatori:
g.schgor,
IsidoroKZ
16 messaggi
• Pagina 1 di 2 • 1, 2
3
voti
i metodi generali sono sempre gli stessi.
nel tuo caso applicherei Millman.

poi esplicito I:

e puoi trovare Vab, ovvero la tensione agli unici due nodi.
nota Vab trovare la potenza erogata dal generatore dipendente è semplice.
NB: le lettere minuscole indicano grandezze variabili nel tempo, mentre sembra che tu abbia a che fare con correnti e tensioni continue.
nel tuo caso applicherei Millman.

poi esplicito I:

e puoi trovare Vab, ovvero la tensione agli unici due nodi.
nota Vab trovare la potenza erogata dal generatore dipendente è semplice.
NB: le lettere minuscole indicano grandezze variabili nel tempo, mentre sembra che tu abbia a che fare con correnti e tensioni continue.
0
voti
Grazie mille, non avevo pensato a risolvere il problema con Milliman perché il nostro docente ci ha fatto vedere sempre esercizi, di questo genere risolti con i potenziali di nodo o con le LK.
Per quanto riguarda l'uso delle lettere, ho utilizzato quelle della traccia, so di trattare grandezze continue, ma ho preferito riportare il problema così come mi è stato posto.
Grazie mille di nuovo per l'aiuto,
buona serata.
Per quanto riguarda l'uso delle lettere, ho utilizzato quelle della traccia, so di trattare grandezze continue, ma ho preferito riportare il problema così come mi è stato posto.
Grazie mille di nuovo per l'aiuto,
buona serata.
1
voti
carmengi ha scritto:il nostro docente ci ha fatto vedere sempre esercizi, di questo genere risolti con i potenziali di nodo
allora usa i potenziali di nodo.... e vediamo che conclusioni trai
0
voti
il problema è che non li so usare

1
voti
questo è male.
vedi se questo articolo può esserti d'aiuto:
https://www.electroyou.it/lillo/wiki/re ... li_di_nodo
ci sono anche i link ad alcuni esercizi risolti nel Forum.
0
voti
Grazie per il tuo consiglio. Ora mi è tutto un po' più chiaro. Intanto, ho applicato Millman anche ad un altro esercizio, che era già risolto per controllare se mi trovavo, in quanto l'esercizio non era svolto con Millman. Il problema è che non mi trovo e non so se sbaglio io o ha sbagliato chi mi ha dato l'esercizio. Sotto posto l'esercizio svolto da me, qualcuno mi può dire se l'ho svolto bene ? Grazie mille
L'esercizio richiede di determinare la potenza assorbita dal resistore R1.
Ho considerato VAB ai capi del ramo dov'è presente R1, in quanto sull'esercizio li sono segnati i nodi.
Quindi
esplicito la corrente

Che poi fin qui mi sembra uguale all'esercizio precedente anche se, ho un dubbio nella formula di i , dovuto ai versi della corrente generata dal generatore indipendente (forse è qui lo sbaglio).
Metto a sistema le due grandezze sostituisco i in VAB e mi escono i seguenti valori VAB=24,70V e i= -0,51A
la corrente del generatore dipendente è quindi pari a
mi trovo la corrente che circola sul ramo dov'è R1, data dalla differenza fra la corrente generata dal generatore indipendente e i, che è pari a 0.255A e mi calcolo la potenza assorbita da R1
.
Invece il risultato che mi hanno dato è pari a 0,4W.
L'esercizio richiede di determinare la potenza assorbita dal resistore R1.
Ho considerato VAB ai capi del ramo dov'è presente R1, in quanto sull'esercizio li sono segnati i nodi.
Quindi

esplicito la corrente

Che poi fin qui mi sembra uguale all'esercizio precedente anche se, ho un dubbio nella formula di i , dovuto ai versi della corrente generata dal generatore indipendente (forse è qui lo sbaglio).
Metto a sistema le due grandezze sostituisco i in VAB e mi escono i seguenti valori VAB=24,70V e i= -0,51A
la corrente del generatore dipendente è quindi pari a

mi trovo la corrente che circola sul ramo dov'è R1, data dalla differenza fra la corrente generata dal generatore indipendente e i, che è pari a 0.255A e mi calcolo la potenza assorbita da R1
.Invece il risultato che mi hanno dato è pari a 0,4W.
1
voti
Nella formula di Vab hai sbagliato un paio di cosette...
Il Conte di Montecristo
Se non studio un giorno, me ne accorgo io. Se non studio due giorni, se ne accorge il pubblico.
Io devo studiare sodo e preparare me stesso perché prima o poi verrà il mio momento.
Abraham Lincoln
Se non studio un giorno, me ne accorgo io. Se non studio due giorni, se ne accorge il pubblico.
Io devo studiare sodo e preparare me stesso perché prima o poi verrà il mio momento.
Abraham Lincoln
-

EdmondDantes
11,9k 8 11 13 - Disattivato su sua richiesta
- Messaggi: 3619
- Iscritto il: 25 lug 2009, 22:18
- Località: Marsiglia
0
voti
Qualche segno o altro?
Ps nel divisore ho dimenticato il segno più ma ho in realtà ho sommato
Ps nel divisore ho dimenticato il segno più ma ho in realtà ho sommato
Ultima modifica di
carmengi il 14 lug 2018, 10:40, modificato 1 volta in totale.
1
voti
c'è un errore di segno al numeratore, e un "+" dimenticato al denominatore.
anche nella espressione della corrente credo ci sia un errore.
anche nella espressione della corrente credo ci sia un errore.
16 messaggi
• Pagina 1 di 2 • 1, 2
Torna a Elettrotecnica generale
Chi c’è in linea
Visitano il forum: Nessuno e 56 ospiti

Elettrotecnica e non solo (admin)
Un gatto tra gli elettroni (IsidoroKZ)
Esperienza e simulazioni (g.schgor)
Moleskine di un idraulico (RenzoDF)
Il Blog di ElectroYou (webmaster)
Idee microcontrollate (TardoFreak)
PICcoli grandi PICMicro (Paolino)
Il blog elettrico di carloc (carloc)
DirtEYblooog (dirtydeeds)
Di tutto... un po' (jordan20)
AK47 (lillo)
Esperienze elettroniche (marco438)
Telecomunicazioni musicali (clavicordo)
Automazione ed Elettronica (gustavo)
Direttive per la sicurezza (ErnestoCappelletti)
EYnfo dall'Alaska (mir)
Apriamo il quadro! (attilio)
H7-25 (asdf)
Passione Elettrica (massimob)
Elettroni a spasso (guidob)
Bloguerra (guerra)




