da
tony89 » 12 nov 2010, 16:01
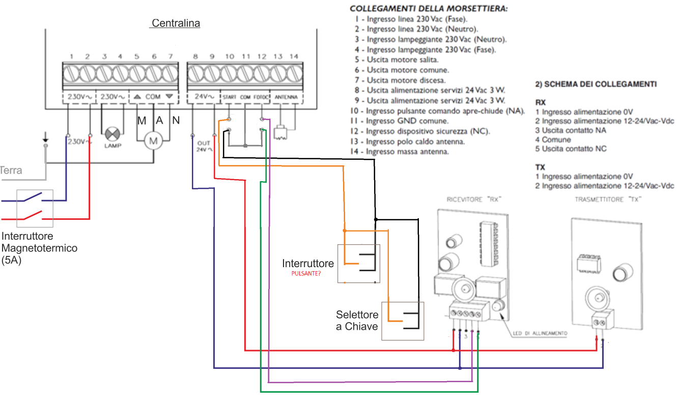
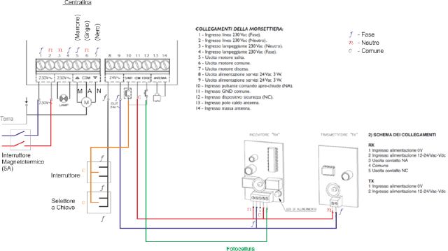
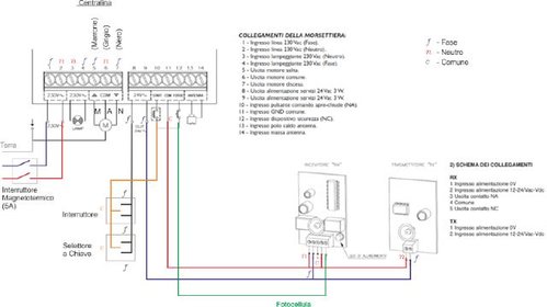
ciuno ha scritto: il mio dubbio è: ma non doveva essere segnata anche 24Vac in ingresso invece che 0V (n.1)?
Come si evince dal manuale della fotocellula queste sono compatibili sia con un alimentazione in AC (come nel caso di quella fornita dal tuo modello di centralina) che in DC, però proprio per via che possono essere alimentate anche in DC il morsetto n.1 è stato contrassegnato con 0V, cioè per meglio dire stà a significare che se alimentavi le fotocellule in continua sul morsetto n.1 dovevi fornire il negativo dell'alimentazione ma nel tuo caso visto che stiamo in AC tale obbligo decade è quindi bisogna preoccuparsi solamente di fornire l'alimentazione (in AC appunto) tra i morsetti 1 e 2!
ciuno ha scritto:2) il collegamento n.12 in ingresso della centralina non dev'essere collegato con l'uscita della fotocellula n.5 perché entrambi sono segnati con NC? Mentre il n.11 della centralina segnato come "comune" dovrebbe essere collegato con il n. 4 della fotocellula segnato anch'esso con "comune"?
Trattandosi internamete di un semplice contatto "pulito" (intendo quello interno della fotocellula i cui terminali sono rappresentati dal morsetto 4 e 5 della stessa) non ha importanza se si inverte il collegamento, cioè pure dando quello con la dicitura NC della fotocellula a quello con la dicitura COM della centralina e quello con la dicitura COM della fotocellula a quello con la dicitura NC della centralina non succede nulla e il funzionamento avviene allo stesso modo (ciò nonostante confermo che funzionerebbe anche come proposto da te ora, perché alla fine elettricamente è la stessa cosa)!
L'unica cosa importante (come si evince dallo schema di collegamento originario della centralina) è assicurare (attraverso il morsetto 11 della centralina) un punto (collegamento) comune tra uno dei conduttori provenienti dal pulsante di start e un conduttore proveniente dal contatto della fotocellula!
Se hai ancora dubbi chiedi...
