Buongiorno,
dovrei pilotare un rele e nel contempo accendere una lampadina. Ho a disposizione una uscita a transistor che fornisce solo 30mA. Il rele e la lampadina (24Vdc) in totale assorbono circa 65mA. La bobina del rele e la lampadina sono collegati al +24 V da un lato. Per dei motivi progettuali che devo rispettare l'uscita a transistor deve lavorare con emettitore collegato a 0V ed il collettore collegato all'altra connessione del rele e della lampadina. Quindi il transistor, una volta on, dovrebbe attivare il rele ed accendere la lampadina. La corrente fornita dall'uscita è come ho detto prima di soli 30mA. Dovrei quindi collegare la mia uscita ad un altro transistor collegandolo in che modo?
grazie dell'aiuto
Transistor per pilotaggio relé
Moderatori:
carloc,
g.schgor,
BrunoValente,
IsidoroKZ
19 messaggi
• Pagina 1 di 2 • 1, 2
0
voti
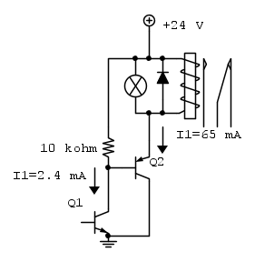
Il transistor Q1 (il tuo transistor "orginale") cosa e'? (uscita logica, transistor discreto...)?
Il transistor Q1 "regge" una tensione di collettore di 24 V?
Il transistor Q1 "regge" una tensione di collettore di 24 V?
0
voti
Grazie per i tuoi consigli. Il transitor in uscita è un transistor ricevente di un fotoaccoppiatore. In allegato le caratteristiche. Grazie
0
voti
Dai dati sembra che la tensione massima sopportabile sia solo 18 V non 24 V !.
Però con la R da 10 kohm la corrente max sarebbe 2,4 mA, il TR1 non dovrebbe danneggiarsi.
Metterei un resistore da 1 kohm in serie alla base di TR2, per limitare la corrente in caso di cortocircuito sulla bobina del relè. Peggiora un poco il funzionamento, cadraè 1 volt, aumenta la dissipazione di TR2, è criticabile, è una mia sensazione.
Poi è brutto pilotare un carico tramite emettitore, perché il transistor non satura.
Però con la R da 10 kohm la corrente max sarebbe 2,4 mA, il TR1 non dovrebbe danneggiarsi.
Metterei un resistore da 1 kohm in serie alla base di TR2, per limitare la corrente in caso di cortocircuito sulla bobina del relè. Peggiora un poco il funzionamento, cadraè 1 volt, aumenta la dissipazione di TR2, è criticabile, è una mia sensazione.
Poi è brutto pilotare un carico tramite emettitore, perché il transistor non satura.

1
voti
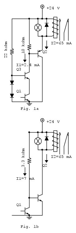
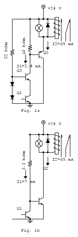
Lo schema di Fig. 1b sarebbe stato lo schema "classico" che supera alcuni dei problemi segnalati da
MarcoD.
Ha il "difetto" che inverte (quando Q1 e' acceso il carico e' spento).
Lo schema di Fig. 1a e' "uguale a quello del post precedente e supera la limitazione di 18 V nella Vce max del transistor del fotoaccoopiatore.
Ha il difetto che la tensione che si perde nel "pilotaggio" del carico e' ancora maggiore (nel campo di 1 - 2 V)
Ha il "difetto" che inverte (quando Q1 e' acceso il carico e' spento).
Lo schema di Fig. 1a e' "uguale a quello del post precedente e supera la limitazione di 18 V nella Vce max del transistor del fotoaccoopiatore.
Ha il difetto che la tensione che si perde nel "pilotaggio" del carico e' ancora maggiore (nel campo di 1 - 2 V)
1
voti
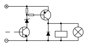
Utilizzando un partitore con due resistenze di pari valore, puoi riuscire ad applicare al massimo 12 V al collettore del transistor d'uscita del fotoaccoppiatore, rispettando la sua massima tensione di lavoro di 18 V.
Il partitore presenta un piccolo consumo di corrente anche a riposo.
Se possibile io sostituirei la lampadina con un led, in serie a una resistenza da 1,5 kΩ 0,5 - 1 W.
Il led infatti dura di più, e non presenta una corrente all'accensione (a filamento freddo) pari a 10 volte la corrente di lavoro come nel caso della lampadina, che ti obbliga a dimensionare il transistor di pilotaggio per una corrente maggiore.
Sotto una possibile soluzione. Con resistenze del valore indicato di 2,2 kΩ, la corrente fornita alla base del transistor è di circa 10 mA. Attenzione che la resistenza superiore deve dissipare, a relè attratto, una potenza maggiore della inferiore.
Il partitore presenta un piccolo consumo di corrente anche a riposo.
Se possibile io sostituirei la lampadina con un led, in serie a una resistenza da 1,5 kΩ 0,5 - 1 W.
Il led infatti dura di più, e non presenta una corrente all'accensione (a filamento freddo) pari a 10 volte la corrente di lavoro come nel caso della lampadina, che ti obbliga a dimensionare il transistor di pilotaggio per una corrente maggiore.
Sotto una possibile soluzione. Con resistenze del valore indicato di 2,2 kΩ, la corrente fornita alla base del transistor è di circa 10 mA. Attenzione che la resistenza superiore deve dissipare, a relè attratto, una potenza maggiore della inferiore.
Big fan of ⋮ƎlectroYou! Ausili per disabili e anziani su ⋮ƎlectroYou
Caratteri utili: À È É Ì Ò Ó Ù α β γ δ ε η θ λ μ π ρ σ τ φ ω Ω º ª ² ³ √ ∛ ∜ ₀ ₁ ₂ ₃ ₄ ₅ ₆ ∃ ∄ ∆ ∈ ∉ ± ∓ ∾ ≃ ≈ ≠ ≤ ≥
Caratteri utili: À È É Ì Ò Ó Ù α β γ δ ε η θ λ μ π ρ σ τ φ ω Ω º ª ² ³ √ ∛ ∜ ₀ ₁ ₂ ₃ ₄ ₅ ₆ ∃ ∄ ∆ ∈ ∉ ± ∓ ∾ ≃ ≈ ≠ ≤ ≥
0
voti
Buongiorno,
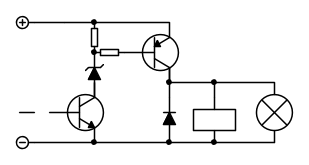
scusate i miei tempi di risposta molto lunghi. Ho risolto il problema mettendo un diodo zener 7.5V come da allegato. Mandatemi pure i vostri commenti. Grazie a tutti. Distinti saluti
scusate i miei tempi di risposta molto lunghi. Ho risolto il problema mettendo un diodo zener 7.5V come da allegato. Mandatemi pure i vostri commenti. Grazie a tutti. Distinti saluti
- Allegati
-
- transistor3.png (10.17 KiB) Osservato 8972 volte
0
voti
Non mi sembra una bella soluzione: quando è acceso sul carico non cadono 24 V, cadono circa 16V
Schemi disegnati con fidocad per favore.
Schemi disegnati con fidocad per favore.
-

BrunoValente
39,6k 7 11 13 - G.Master EY

- Messaggi: 7796
- Iscritto il: 8 mag 2007, 14:48
0
voti
pma ha scritto:Buongiorno,
scusate i miei tempi di risposta molto lunghi. Ho risolto il problema mettendo un diodo zener 7.5V come da allegato.
mettendo lo zener ,il rele da 24 V verrà alimentato con una tensione pari ad:24-7,5-0,7=15,8V,funzionera?
19 messaggi
• Pagina 1 di 2 • 1, 2
Chi c’è in linea
Visitano il forum: Nessuno e 60 ospiti

Elettrotecnica e non solo (admin)
Un gatto tra gli elettroni (IsidoroKZ)
Esperienza e simulazioni (g.schgor)
Moleskine di un idraulico (RenzoDF)
Il Blog di ElectroYou (webmaster)
Idee microcontrollate (TardoFreak)
PICcoli grandi PICMicro (Paolino)
Il blog elettrico di carloc (carloc)
DirtEYblooog (dirtydeeds)
Di tutto... un po' (jordan20)
AK47 (lillo)
Esperienze elettroniche (marco438)
Telecomunicazioni musicali (clavicordo)
Automazione ed Elettronica (gustavo)
Direttive per la sicurezza (ErnestoCappelletti)
EYnfo dall'Alaska (mir)
Apriamo il quadro! (attilio)
H7-25 (asdf)
Passione Elettrica (massimob)
Elettroni a spasso (guidob)
Bloguerra (guerra)









