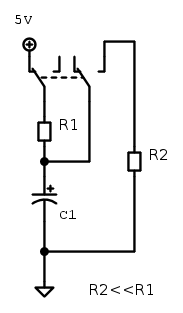
Ciao ragazzi ho realizzato questa rete RC per temporizzare l'accensione di un 'altro circuito, la domanda è come posso scaricare il condensatore piu velocemente? Mi spiego meglio , quando l'interruttore S1 viene chiuso il condensatore C1 si carica mediante la resistenza R1 , ma dopo aver aperto di nuovo l'interruttore il condensatore rimarrà carico , o meglio si scaricherà molto lentamente. Quando l'interruttore verrà chiuso nuovamente , il tempo sarà minore rispetto a quello prestabilito , questo perché il condensatore risulterà ancora carico. Come posso scaricare il condensatore con una curva molto repentina?
Accensione ritardata
Moderatori:
carloc,
g.schgor,
BrunoValente,
IsidoroKZ
8 messaggi
• Pagina 1 di 1
0
voti
La prima cosa che mi viene in mente è usare un doppio deviatore e una seconda resistenza (quella per scaricare il condensatore) molto minore di R1...
... poi, sicuramente, ci sarà anche una soluzione più elegante, ma al momento non mi viene in mente...
Max
... poi, sicuramente, ci sarà anche una soluzione più elegante, ma al momento non mi viene in mente...
MaxDisapprovo quello che dite, ma difenderò fino alla morte il vostro diritto di dirlo [attribuita a Voltaire]
La gentilezza dovrebbe diventare lo stile naturale della vita, non l'eccezione [Siddhārtha Gautama]
La gentilezza dovrebbe diventare lo stile naturale della vita, non l'eccezione [Siddhārtha Gautama]
-

Max2433BO
18,6k 4 11 13 - G.Master EY

- Messaggi: 4724
- Iscritto il: 25 set 2013, 16:29
- Località: Universo - Via Lattea - Sistema Solare - Terzo pianeta...
0
voti
Lo schema di MAX2433BO è buono
Quanto è il ritardo in secondi ?
Se ti accontenti di 10 volte il tempo di ritardo, metti un resistore di valore 10 volte maggiore in parallelo al condensatore.
Quanto è il ritardo in secondi ?
scaricare il condensatore con una curva molto repentina?
Se ti accontenti di 10 volte il tempo di ritardo, metti un resistore di valore 10 volte maggiore in parallelo al condensatore.

0
voti
Grazie per le vostre risposte ragazzi , ma volevo che il tutto fosse automatizzato ,magari con un diodo zener che superata una certa soglia scarica il condensatore . Il problema che non so come fare...
-

ElectroTech
16 4 - New entry

- Messaggi: 82
- Iscritto il: 8 nov 2016, 14:46
0
voti
La tua domanda iniziale è male esposta.
Se l'interruttore fosse l'uscita di un CMOS basterebbe un diodo in parallelo a R1 (interdetto in carica, in conduzione in carica).
Se l'interruttore fosse l'uscita di un CMOS basterebbe un diodo in parallelo a R1 (interdetto in carica, in conduzione in carica).
0
voti
Hai ragione , il nodo del circuito viene collegato alla base di un transistor che accende e spegne un carico.
-

ElectroTech
16 4 - New entry

- Messaggi: 82
- Iscritto il: 8 nov 2016, 14:46
8 messaggi
• Pagina 1 di 1
Chi c’è in linea
Visitano il forum: Nessuno e 172 ospiti

Elettrotecnica e non solo (admin)
Un gatto tra gli elettroni (IsidoroKZ)
Esperienza e simulazioni (g.schgor)
Moleskine di un idraulico (RenzoDF)
Il Blog di ElectroYou (webmaster)
Idee microcontrollate (TardoFreak)
PICcoli grandi PICMicro (Paolino)
Il blog elettrico di carloc (carloc)
DirtEYblooog (dirtydeeds)
Di tutto... un po' (jordan20)
AK47 (lillo)
Esperienze elettroniche (marco438)
Telecomunicazioni musicali (clavicordo)
Automazione ed Elettronica (gustavo)
Direttive per la sicurezza (ErnestoCappelletti)
EYnfo dall'Alaska (mir)
Apriamo il quadro! (attilio)
H7-25 (asdf)
Passione Elettrica (massimob)
Elettroni a spasso (guidob)
Bloguerra (guerra)







