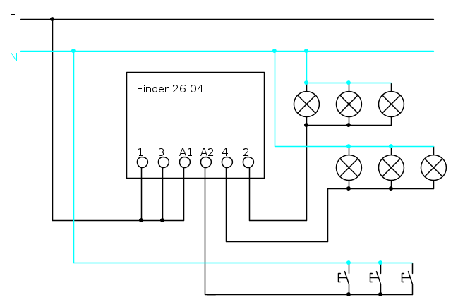
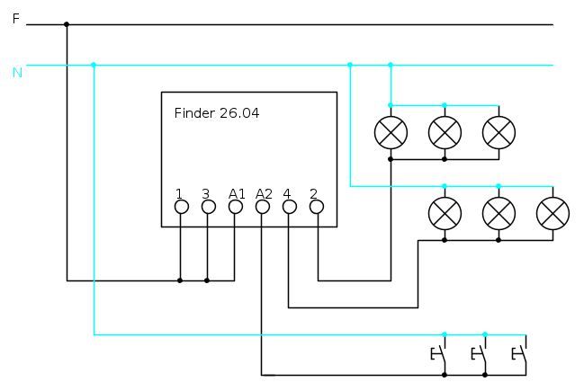
Dal disegno che hai postato e dalla domanda relativa alla connessione di terra che hai posto, è chiaro che non hai conoscenze del tipo di lavoro che stai per approcciare, e poiché il rischio elettrico non è cosa da poco conto, anzi espone a rischio la propria incolumità, mi permetto di consigliarti per questa realizzazione, di evitare improvvisazioni che potrebbero generare situazioni spiacevoli, e di interpellare un elettricista, cosi da evitare possibili rischi per persone e cose, ed otterrai un impianto elettrico perfettamente funzionante.
Ironia a parte di

Elettrotecnica e non solo (admin)
Un gatto tra gli elettroni (IsidoroKZ)
Esperienza e simulazioni (g.schgor)
Moleskine di un idraulico (RenzoDF)
Il Blog di ElectroYou (webmaster)
Idee microcontrollate (TardoFreak)
PICcoli grandi PICMicro (Paolino)
Il blog elettrico di carloc (carloc)
DirtEYblooog (dirtydeeds)
Di tutto... un po' (jordan20)
AK47 (lillo)
Esperienze elettroniche (marco438)
Telecomunicazioni musicali (clavicordo)
Automazione ed Elettronica (gustavo)
Direttive per la sicurezza (ErnestoCappelletti)
EYnfo dall'Alaska (mir)
Apriamo il quadro! (attilio)
H7-25 (asdf)
Passione Elettrica (massimob)
Elettroni a spasso (guidob)
Bloguerra (guerra)









