Amplificatore operazionale: corto circuito virtuale
Moderatori:
carloc,
g.schgor,
BrunoValente,
IsidoroKZ
39 messaggi
• Pagina 4 di 4 • 1, 2, 3, 4
2
voti
Perche' l'operazionale e` ideale e si mettono i generatori di offset, tensione e corrente, "fuori" dall'operazionale ideale. Il generatore di Voff lo si fa "scivolare fuori" e di solito lo si mette in serie all'ingresso non invertente.
Per usare proficuamente un simulatore, bisogna sapere molta più elettronica di lui
Plug it in - it works better!
Il 555 sta all'elettronica come Arduino all'informatica! (entrambi loro malgrado)
Se volete risposte rispondete a tutte le mie domande
Plug it in - it works better!
Il 555 sta all'elettronica come Arduino all'informatica! (entrambi loro malgrado)
Se volete risposte rispondete a tutte le mie domande
0
voti
Ok.
La corrente di offset, differenza tra le correnti di polarizzazione, anch'essa aggiunta esternamente all'OP ideale, non la possiamo includere nel modo differenziale?
Se cosi' fosse, l'eventuale amplificazione differenziale infinita e il conseguente ccv dovrebbe bloccarla...
La corrente di offset, differenza tra le correnti di polarizzazione, anch'essa aggiunta esternamente all'OP ideale, non la possiamo includere nel modo differenziale?
Se cosi' fosse, l'eventuale amplificazione differenziale infinita e il conseguente ccv dovrebbe bloccarla...
0
voti
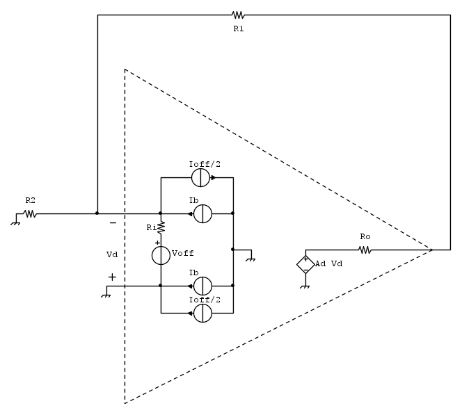
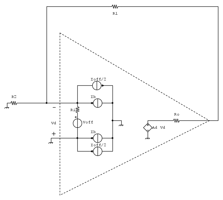
Non ho capito, puoi fare uno schema in cui metti in evidenza i generatori di corrente?
Per usare proficuamente un simulatore, bisogna sapere molta più elettronica di lui
Plug it in - it works better!
Il 555 sta all'elettronica come Arduino all'informatica! (entrambi loro malgrado)
Se volete risposte rispondete a tutte le mie domande
Plug it in - it works better!
Il 555 sta all'elettronica come Arduino all'informatica! (entrambi loro malgrado)
Se volete risposte rispondete a tutte le mie domande
0
voti
Provo a spiegarmi meglio.
Nell'ipotesi che il modello sia corretto e che il ccv sia valido, anche le correnti continue di polarizzazione, di bias e di offset, oltre a quelle di segnale, dovrebbero circolare solo sulle resistenze esterne e non sulla Ri.
4
voti
Si`, e giusto su Ri non circola corrente e non c'e` tensione. E questo che fa si` che non si possa piu` dire che V- e` uguale a V+: e` la tensione su Ri ad essere nulla, non la tensione fra i due ingressi.
Probabilmente la perplessita` deriva dal fatto di voler considerare un cortocircuito fra gli ingressi, che e` una cosa senza molto senso
La vd che hai indicato, e che e` nulla, e` quella su Ri, non quella fra i due ingressi. Se disegni cosi` il circuito e` piu` facile non confondersi.
Il cortocircuito virtuale, che fa piu` danni che aiuti, puo` anche essere sostituito dal circuito aperto virtuale, un circuito aperto in cui per definizione non passa corrente ma che ha ai suoi capi tensione nulla. Entrambi meglio perderli che trovarli!
Probabilmente la perplessita` deriva dal fatto di voler considerare un cortocircuito fra gli ingressi, che e` una cosa senza molto senso
La vd che hai indicato, e che e` nulla, e` quella su Ri, non quella fra i due ingressi. Se disegni cosi` il circuito e` piu` facile non confondersi.
Il cortocircuito virtuale, che fa piu` danni che aiuti, puo` anche essere sostituito dal circuito aperto virtuale, un circuito aperto in cui per definizione non passa corrente ma che ha ai suoi capi tensione nulla. Entrambi meglio perderli che trovarli!
Per usare proficuamente un simulatore, bisogna sapere molta più elettronica di lui
Plug it in - it works better!
Il 555 sta all'elettronica come Arduino all'informatica! (entrambi loro malgrado)
Se volete risposte rispondete a tutte le mie domande
Plug it in - it works better!
Il 555 sta all'elettronica come Arduino all'informatica! (entrambi loro malgrado)
Se volete risposte rispondete a tutte le mie domande
0
voti
Perché Ioff/2 ? io avrei scritto Ioff 
-

BrunoValente
39,6k 7 11 13 - G.Master EY

- Messaggi: 7796
- Iscritto il: 8 mag 2007, 14:48
0
voti
La differenza delle due correnti degli ingressi deve essere Ioff, mentre la media deve essere Ib. Per avere una differenza di Ioff, senza variare il valor medio, bisogna aggiungere Ioff/2 da un lato e togliere la stessa quantita` dall'altro. E` lo stesso circuito del messaggio [34], solo ridisegnato con un generatore in meno. (almeno, mi sembra sia cosi`)
Per usare proficuamente un simulatore, bisogna sapere molta più elettronica di lui
Plug it in - it works better!
Il 555 sta all'elettronica come Arduino all'informatica! (entrambi loro malgrado)
Se volete risposte rispondete a tutte le mie domande
Plug it in - it works better!
Il 555 sta all'elettronica come Arduino all'informatica! (entrambi loro malgrado)
Se volete risposte rispondete a tutte le mie domande
39 messaggi
• Pagina 4 di 4 • 1, 2, 3, 4
Chi c’è in linea
Visitano il forum: Majestic-12 [Bot] e 54 ospiti

Elettrotecnica e non solo (admin)
Un gatto tra gli elettroni (IsidoroKZ)
Esperienza e simulazioni (g.schgor)
Moleskine di un idraulico (RenzoDF)
Il Blog di ElectroYou (webmaster)
Idee microcontrollate (TardoFreak)
PICcoli grandi PICMicro (Paolino)
Il blog elettrico di carloc (carloc)
DirtEYblooog (dirtydeeds)
Di tutto... un po' (jordan20)
AK47 (lillo)
Esperienze elettroniche (marco438)
Telecomunicazioni musicali (clavicordo)
Automazione ed Elettronica (gustavo)
Direttive per la sicurezza (ErnestoCappelletti)
EYnfo dall'Alaska (mir)
Apriamo il quadro! (attilio)
H7-25 (asdf)
Passione Elettrica (massimob)
Elettroni a spasso (guidob)
Bloguerra (guerra)



