Buona sera bella gente!
Come faccio a simulare la pressione di un pulsante, alimentando una bobina, e poi ripremerlo nuovamente togliendo alimentazione alla bobina.
Qualche dettaglio in più: l’autoradio della Mia Chevrolet Spark non ha il Bluetooth, ma ne ho trovata una (autoradio)che il Bluetooth cel’ha solo che c’è una piccola differenza, la mia ha il connettore classico, per intenderci quello che si può convertire in connettore ISO con un semplice adattatore da 3 €. Mentre la nuova ha il connettore dove i comandi arrivano tramite un bus di sistema, praticamente posso alimentarla, ma non posso mandarla in stand by
L’unico modo per vederla in stand by è premere il pulsante sull’autoradio.
Esiste una sorta di mini teleruttore che simuli il premere il tasto on dell’autoradio?
Grazie mille a tutti
Come faccio a simulare un click di un pulsante??
21 messaggi
• Pagina 1 di 3 • 1, 2, 3
0
voti
Il comando ON-OFF con un solo pulsante è trattato in altro esempio,
ma in pratica non vale la pena di usare 3 relè al posto di un
interruttore da lampada...
ma in pratica non vale la pena di usare 3 relè al posto di un
interruttore da lampada...
0
voti
Grazie per l’interessamento al mio piccolo problema. Probabilmente però, non mi sono spiegato bene.
Vorrei/dovrei, chiudere ed aprire il circuito mantenendo alimentata una bobina, chiudere ed aprire il circuito togliendo alimentazione alla bobina. Alimentazione 12 volt DC carico sui contatti 1A
Un semplice relè interruttore, presuppone che sia io a dare alimentazione per un attimo alla bobina premendo un pulsante, chiudendo un circuito fino alla prossima pressione del pulsante.
E anche possibile che non abbia ben compreso il concetto illustrato nel link che mi hai suggerito, se così fosse me ne scuso e ti chiedo gentilmente di essere più chiaro nella soluzione che vuoi suggerirmi
Grazie ancora
Vorrei/dovrei, chiudere ed aprire il circuito mantenendo alimentata una bobina, chiudere ed aprire il circuito togliendo alimentazione alla bobina. Alimentazione 12 volt DC carico sui contatti 1A
Un semplice relè interruttore, presuppone che sia io a dare alimentazione per un attimo alla bobina premendo un pulsante, chiudendo un circuito fino alla prossima pressione del pulsante.
E anche possibile che non abbia ben compreso il concetto illustrato nel link che mi hai suggerito, se così fosse me ne scuso e ti chiedo gentilmente di essere più chiaro nella soluzione che vuoi suggerirmi
Grazie ancora
0
voti
L a soluzione più semplice mi sembra quella di utilizzare
un interruttore a pressione normalmente montati
sulle lampade da tavolo.
un interruttore a pressione normalmente montati
sulle lampade da tavolo.
0
voti
Probabilmente vuole farlo in automatico che alla chiusura del quadro della macchina questo ipotetico teleruttore faccia togliere alimentazione anche all’autoradio. Tieni presente che poi in questo caso non potrai utilizzarla con quadro spento.
0
voti
Se ho capito bene, vuoi simulare la pressione di un pulsante al momento dell'attivazione dell'alimentazione e al momento della sua disattivazione, giusto?
io farei così :
al momento dell'accensione e dello spegnimento, il condensatore da 33uF (che deve essere elettrolitico non polarizzato, come quelli per altoparlanti) immagazzina circa 0,005 Joule di energia, che si scarica attraverso il ponte di diodi e il led del fotoaccoppiatore facendogli fare un flash di circa 0,3 secondi, portando così in conduzione il transistor momentaneamente
io farei così :
al momento dell'accensione e dello spegnimento, il condensatore da 33uF (che deve essere elettrolitico non polarizzato, come quelli per altoparlanti) immagazzina circa 0,005 Joule di energia, che si scarica attraverso il ponte di diodi e il led del fotoaccoppiatore facendogli fare un flash di circa 0,3 secondi, portando così in conduzione il transistor momentaneamente
-

SediciAmpere
4.187 5 5 8 - Master

- Messaggi: 4847
- Iscritto il: 31 ott 2013, 15:00
0
voti
16 ampere sei un grande!!
Turion direi che ci hai preso,
devo proprio accendere e spegnere l’autoradio dal pulsante ON/OFF quando inserisco o tolgo la chiave daL quadro, nelle radio è una finzione comune, ma questa è un caso particolare.
Turion non ho Ben specificato che l’alimentazione all’autorario rimane sempre collegata, il circuito che mi ha suggerito sediciampere lo monterei in parallelo al pulsante ON/OFF
Turion direi che ci hai preso,
devo proprio accendere e spegnere l’autoradio dal pulsante ON/OFF quando inserisco o tolgo la chiave daL quadro, nelle radio è una finzione comune, ma questa è un caso particolare.Turion non ho Ben specificato che l’alimentazione all’autorario rimane sempre collegata, il circuito che mi ha suggerito sediciampere lo monterei in parallelo al pulsante ON/OFF
0
voti
No, non posso ancora mettere il circuito in parallelo al pulsante dell’autoradio, giusto?
Devo collegarlo ad un relè che non trattenga il contatto.
Signori grazie ancora per l’aiu Che mi state dando
Devo collegarlo ad un relè che non trattenga il contatto.
Signori grazie ancora per l’aiu Che mi state dando
0
voti
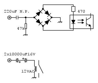
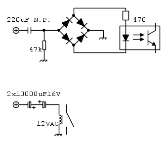
Eccoci con lo schema riveduto e corretto
Ho provato a simularlo e ho aumentato la capacità del condensatore a 220 microfarad, che ricordo deve essere elettrolitico non polarizzato, simile a questo: https://www.audiovideoparts.com/ecommer ... esults=100 , altrimenti esplode
e aggiunto una resistenza da 47k che fa scaricare completamente il condensatore
il transistor può essere collegato direttamente in parallelo al pulsante (non serve un relè, anzi brucerebbe il transistor del fotoaccoppiatore) devi solo collegarlo con la polarità giusta, il polo a potenziale più alto sul collettore e il polo a potenziale più basso sull'emettitore
se invece vuoi usare un relè, il circuito si semplifica molto, solo che richiede ben due condensatori da 10mila microfarad
Ho provato a simularlo e ho aumentato la capacità del condensatore a 220 microfarad, che ricordo deve essere elettrolitico non polarizzato, simile a questo: https://www.audiovideoparts.com/ecommer ... esults=100 , altrimenti esplode
e aggiunto una resistenza da 47k che fa scaricare completamente il condensatoreil transistor può essere collegato direttamente in parallelo al pulsante (non serve un relè, anzi brucerebbe il transistor del fotoaccoppiatore) devi solo collegarlo con la polarità giusta, il polo a potenziale più alto sul collettore e il polo a potenziale più basso sull'emettitore
se invece vuoi usare un relè, il circuito si semplifica molto, solo che richiede ben due condensatori da 10mila microfarad
-

SediciAmpere
4.187 5 5 8 - Master

- Messaggi: 4847
- Iscritto il: 31 ott 2013, 15:00
0
voti
Sediciampere sei un mito!Posso chiederti nel secondo schema come fanno i condensatori a dare un impulso quando do alimentazione e poi a ridare l’impulso quando la tolgo?
Insomma come funziona la parte dei condensatori, sono curioso ed ho voglia di imparare qualcosa. Io sono un elettricista e di solito monto schede già pronte e non so come funzionano al loro interno.
Grazie ancora per il tempo che mi state dedicando
21 messaggi
• Pagina 1 di 3 • 1, 2, 3
Torna a Costruzione, riparazione, riutilizzo
Chi c’è in linea
Visitano il forum: Nessuno e 6 ospiti

Elettrotecnica e non solo (admin)
Un gatto tra gli elettroni (IsidoroKZ)
Esperienza e simulazioni (g.schgor)
Moleskine di un idraulico (RenzoDF)
Il Blog di ElectroYou (webmaster)
Idee microcontrollate (TardoFreak)
PICcoli grandi PICMicro (Paolino)
Il blog elettrico di carloc (carloc)
DirtEYblooog (dirtydeeds)
Di tutto... un po' (jordan20)
AK47 (lillo)
Esperienze elettroniche (marco438)
Telecomunicazioni musicali (clavicordo)
Automazione ed Elettronica (gustavo)
Direttive per la sicurezza (ErnestoCappelletti)
EYnfo dall'Alaska (mir)
Apriamo il quadro! (attilio)
H7-25 (asdf)
Passione Elettrica (massimob)
Elettroni a spasso (guidob)
Bloguerra (guerra)




