Ciao a tutti,
non ho mai avuto a che fare con l'illuminazione dei pulsanti tramite gli appositi led. Riuscite ad aiutarmi a capire come funziona? Non trovo schemi a riguardo.
Possiedo una linea bticino living light.
Secondo voi è possibile illuminare un pulsante per un tempo T che intercorre tra due impulsi (premuta pulsante).
Mi spiego meglio:
pulsante led spento
premo pulsante --> pulsante led acceso
pulsante led accesso fino a che non premo nuovamente pulsante
Pensate sia fattibile?
Pulsante illuminabile
Moderatori:
sebago,
MASSIMO-G,
lillo,
Mike
16 messaggi
• Pagina 1 di 2 • 1, 2
0
voti
Bulldozer ha scritto:Pensate sia fattibile?
E' certamente fattibile.
-

PietroBaima
90,7k 7 12 13 - G.Master EY

- Messaggi: 12206
- Iscritto il: 12 ago 2012, 1:20
- Località: Londra
0
voti
Riesci ad indicarmi uno schema per il collegamento del led nella modalità indicata?
0
voti
Dipende dalla tua capacità di costruire uno circuito elettronico.
In caso tu non ne sia in grado si può usare un relè passo passo.
In caso tu non ne sia in grado si può usare un relè passo passo.
-

PietroBaima
90,7k 7 12 13 - G.Master EY

- Messaggi: 12206
- Iscritto il: 12 ago 2012, 1:20
- Località: Londra
0
voti
Se ti disegno uno schema elettrico con un circuito integrato e qualche componente, riesci poi a costruirlo?
Se la risposta è no usiamo un relè passo passo.
Se la risposta è no usiamo un relè passo passo.
-

PietroBaima
90,7k 7 12 13 - G.Master EY

- Messaggi: 12206
- Iscritto il: 12 ago 2012, 1:20
- Località: Londra
0
voti
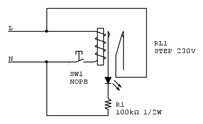
Questo è uno schema che fa uso di un relè passo passo.
-

PietroBaima
90,7k 7 12 13 - G.Master EY

- Messaggi: 12206
- Iscritto il: 12 ago 2012, 1:20
- Località: Londra
0
voti
Bulldozer ha scritto:Ciao a tutti,
Mi spiego meglio:
pulsante led spento
premo pulsante --> pulsante led acceso
pulsante led accesso fino a che non premo nuovamente pulsante
Pensate sia fattibile?
questi pulsanti comandano delle luci? c'è un rele a tempo o un rele tipo finder che le fa spegnere o accendere?
0
voti
Se questi pulsanti attualmente comandano un punto luce tramite relè passo passo, una soluzione banale e veloce è passare un filo dalla cassetta di derivazione in cui si trova il relè fino al pulsante e collegarlo, da un lato alla spia LED, e dall’altro sul passo-passo, in parallelo alla fase interrotta che va al punto luce. L’altro filo della spia va collegato al neutro.
Comunque è più sensato mettere le spie led direttamente ai 2 morsetti del pulsante per localizzarlo al buio. Poi se devi farne altri utilizzi va bene !
Comunque è più sensato mettere le spie led direttamente ai 2 morsetti del pulsante per localizzarlo al buio. Poi se devi farne altri utilizzi va bene !
16 messaggi
• Pagina 1 di 2 • 1, 2
Torna a Impianti, sicurezza e quadristica
Chi c’è in linea
Visitano il forum: Nessuno e 69 ospiti

Elettrotecnica e non solo (admin)
Un gatto tra gli elettroni (IsidoroKZ)
Esperienza e simulazioni (g.schgor)
Moleskine di un idraulico (RenzoDF)
Il Blog di ElectroYou (webmaster)
Idee microcontrollate (TardoFreak)
PICcoli grandi PICMicro (Paolino)
Il blog elettrico di carloc (carloc)
DirtEYblooog (dirtydeeds)
Di tutto... un po' (jordan20)
AK47 (lillo)
Esperienze elettroniche (marco438)
Telecomunicazioni musicali (clavicordo)
Automazione ed Elettronica (gustavo)
Direttive per la sicurezza (ErnestoCappelletti)
EYnfo dall'Alaska (mir)
Apriamo il quadro! (attilio)
H7-25 (asdf)
Passione Elettrica (massimob)
Elettroni a spasso (guidob)
Bloguerra (guerra)
pigreco]=π




