Vera anche questa delle resistenze corazzate e sicuramente dall'estetica più raffinata. Lo metto nei progetti non aberranti da fare.
Bene bene ma l'argomento del contendere è il mio carico a mosfet e ieri sera ho misurato la resistenza (a vuoto senza carico) e ruotando il potenziometro si abbasa tendendo allo zero quindi preregolando la cosa a 8 o 4 ohm in teoria dovrei avere un carico costante.
Alberto
Massima frequenza lavoro per ponte diodi.
Moderatori:
carloc,
g.schgor,
BrunoValente,
IsidoroKZ
44 messaggi
• Pagina 3 di 5 • 1, 2, 3, 4, 5
1
voti
maredentro72 ha scritto:ruotando il potenziometro si abbasa tendendo allo zero quindi preregolando la cosa a 8 o 4 ohm in teoria dovrei avere un carico costante
In corrente continua sicuramente è così. In alternata, introducendo dei dispositivi non lineari come i diodi, posso immaginare che non sia così liscia la cosa.
Per piccoli segnali i diodi non conducono e ti ritrovi direttamente un circuito aperto, mentre all'aumentare della corrente la caduta di tensione sui diodi aumenta e chissà dove potrebbe finire la resistenza totale vista dall'amplificatore.
Per l'uso con amplificatori audio di potenza mi sentirei più sicuro con le resistenze: quello è il valore e quello rimane in tutte le condizioni.
Per potenze relativamente basse io ho risolto così
0
voti
edgar ha scritto:...Per l'uso con amplificatori audio di potenza mi sentirei più sicuro con le resistenze...
La penso uguale.
Nella verifica o taratura di un finale audio preferisco partire da un dato certo.
Se quello che funziona basta non lo tocca' sennò te lassa!
2
voti
claudiocedrone ha scritto::-) Il quesito è però interessante, anche io mi sono sempre chiesto come poter costruire (anche per potenze in fondo limitate) un carico attivo adatto per l'uso non in corrente continua ma con audio di potenza in aternativa al solito dummy load resistivo, giungendo però alla conclusione che fosse talmente complicato da non valerne la pena...
Si puo` fare, non so se sia stato fatto in ambito audio. Ne esistono di monofasi e trifase a frequenze basse (fino a qualche centinaio di hertz), nel passato ne ho fatti due, uno trifase e uno monofase, per applicazioni particolari.
Mi pare che
Per usare proficuamente un simulatore, bisogna sapere molta più elettronica di lui
Plug it in - it works better!
Il 555 sta all'elettronica come Arduino all'informatica! (entrambi loro malgrado)
Se volete risposte rispondete a tutte le mie domande
Plug it in - it works better!
Il 555 sta all'elettronica come Arduino all'informatica! (entrambi loro malgrado)
Se volete risposte rispondete a tutte le mie domande
0
voti
"Non farei mai parte di un club che accettasse la mia iscrizione" (G. Marx)
-

claudiocedrone
21,3k 4 7 9 - Master EY

- Messaggi: 15302
- Iscritto il: 18 gen 2012, 13:36
0
voti
claudiocedrone ha scritto::-) un carico attivo adatto per l'uso [cut] con audio di potenza in aternativa al solito dummy load resistivo
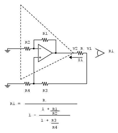
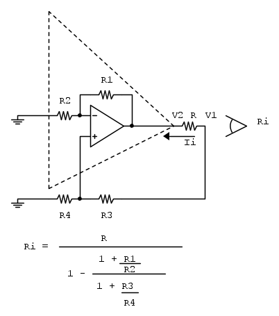
Il circuito e' un Howland Current Pump (improved) usato "all'incovercio".
Spiegone piu' tardi
0
voti
"Non farei mai parte di un club che accettasse la mia iscrizione" (G. Marx)
-

claudiocedrone
21,3k 4 7 9 - Master EY

- Messaggi: 15302
- Iscritto il: 18 gen 2012, 13:36
1
voti
IsidoroKZ ha scritto: ...Mi pare che brabus ne avesse fatto uno per la sua tesi, ma non ricordo se in DC o in AC...
Eccolo, collaborazione con
"Non farei mai parte di un club che accettasse la mia iscrizione" (G. Marx)
-

claudiocedrone
21,3k 4 7 9 - Master EY

- Messaggi: 15302
- Iscritto il: 18 gen 2012, 13:36
0
voti
Se l'intento era impaurirmi ci siete riusciti
. Il dummy load a mosfet lo terrò solo per scopi "lineari/didattici" e metto in cantiere un bel carico resistivo a corazzate con relative selezioni per 16-8-4-2 ohm.
. Il dummy load a mosfet lo terrò solo per scopi "lineari/didattici" e metto in cantiere un bel carico resistivo a corazzate con relative selezioni per 16-8-4-2 ohm.-

maredentro72
35 2 - Messaggi: 46
- Iscritto il: 24 dic 2012, 22:04
0
voti
aspettiamo lo spiegone di
"Non farei mai parte di un club che accettasse la mia iscrizione" (G. Marx)
-

claudiocedrone
21,3k 4 7 9 - Master EY

- Messaggi: 15302
- Iscritto il: 18 gen 2012, 13:36
44 messaggi
• Pagina 3 di 5 • 1, 2, 3, 4, 5
Chi c’è in linea
Visitano il forum: Nessuno e 194 ospiti

Elettrotecnica e non solo (admin)
Un gatto tra gli elettroni (IsidoroKZ)
Esperienza e simulazioni (g.schgor)
Moleskine di un idraulico (RenzoDF)
Il Blog di ElectroYou (webmaster)
Idee microcontrollate (TardoFreak)
PICcoli grandi PICMicro (Paolino)
Il blog elettrico di carloc (carloc)
DirtEYblooog (dirtydeeds)
Di tutto... un po' (jordan20)
AK47 (lillo)
Esperienze elettroniche (marco438)
Telecomunicazioni musicali (clavicordo)
Automazione ed Elettronica (gustavo)
Direttive per la sicurezza (ErnestoCappelletti)
EYnfo dall'Alaska (mir)
Apriamo il quadro! (attilio)
H7-25 (asdf)
Passione Elettrica (massimob)
Elettroni a spasso (guidob)
Bloguerra (guerra)






