calcolo della resistenza di gate di IGBT
Moderatori:
carloc,
g.schgor,
BrunoValente,
IsidoroKZ
8 messaggi
• Pagina 1 di 1
0
voti
ciao vorrei sapere come calcolare la resistenza di questo IGBT , che formula utilizzare e cosa prendere in considerazione.
- Allegati
-
IKW15T120_Rev2_4G_new.doc.pdf- data sheet igbt
- (525.97 KiB) Scaricato 186 volte
0
voti
si è un half bridge e devo scegliere una resistenza di gate per i due igbt , alimentati attraverso la tecnica di modulazione PWM
0
voti
Occorre sapere CHI e COME viene fornito il PWM. È un 555? È un microcontrollore? Altro?
Perché quella resistenza dipende da quanta corrente istantanea può fornire chi pilota l'IGBT.
Ciao,
P.
Perché quella resistenza dipende da quanta corrente istantanea può fornire chi pilota l'IGBT.
Ciao,
P.
0
voti
Solo ora mi pare di aver capito:
Credevo volesse calcolare/stimare la resistenza interna del gate, cosa gli serve mi sono detto, saranno più di 10 Mohm, quello che influisce è la capacità gate resto del semiconduttore.
Vuole dimensionare il RESISTORE posizionato in serie al gate.
Credevo volesse calcolare/stimare la resistenza interna del gate, cosa gli serve mi sono detto, saranno più di 10 Mohm, quello che influisce è la capacità gate resto del semiconduttore.
Vuole dimensionare il RESISTORE posizionato in serie al gate.

1
voti
"The past is not really the past until it has been registered. Or put another way, the past has no meaning or existence unless it exists as a record in the present."
John Archibald Wheeler
John Archibald Wheeler
0
voti
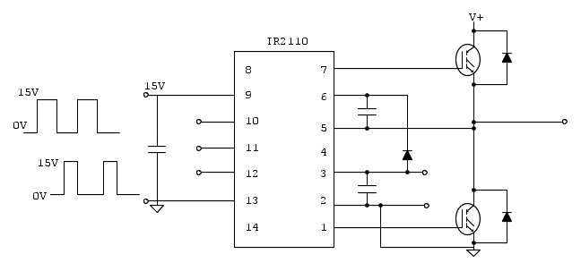
Ho la sensazione che quel circuito faccia il botto.
Ma il carico non dovrebbe essere connesso FRA il IGBT superiore e quello inferiore? Così il carico mi sembra un cortocircuito. O no?
Ciao,
P.
Ma il carico non dovrebbe essere connesso FRA il IGBT superiore e quello inferiore? Così il carico mi sembra un cortocircuito. O no?
Ciao,
P.
1
voti
pgiagno ha scritto:Ho la sensazione che quel circuito faccia il botto.
Non fa nessun botto. Se cerchi qualche application note degli IGBT troverai schemi essenzialmente uguali a questo.
pgiagno ha scritto: Così il carico mi sembra un cortocircuito. O no?
Il carico non è un cortocircuito in quanto i due transistor non sono accesi in contemporanea...
"The past is not really the past until it has been registered. Or put another way, the past has no meaning or existence unless it exists as a record in the present."
John Archibald Wheeler
John Archibald Wheeler
8 messaggi
• Pagina 1 di 1
Chi c’è in linea
Visitano il forum: Nessuno e 193 ospiti

Elettrotecnica e non solo (admin)
Un gatto tra gli elettroni (IsidoroKZ)
Esperienza e simulazioni (g.schgor)
Moleskine di un idraulico (RenzoDF)
Il Blog di ElectroYou (webmaster)
Idee microcontrollate (TardoFreak)
PICcoli grandi PICMicro (Paolino)
Il blog elettrico di carloc (carloc)
DirtEYblooog (dirtydeeds)
Di tutto... un po' (jordan20)
AK47 (lillo)
Esperienze elettroniche (marco438)
Telecomunicazioni musicali (clavicordo)
Automazione ed Elettronica (gustavo)
Direttive per la sicurezza (ErnestoCappelletti)
EYnfo dall'Alaska (mir)
Apriamo il quadro! (attilio)
H7-25 (asdf)
Passione Elettrica (massimob)
Elettroni a spasso (guidob)
Bloguerra (guerra)






