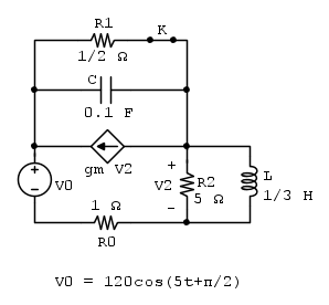
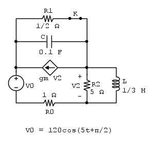
L'interruttore K si apre dopo
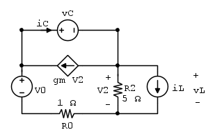
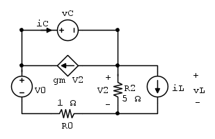
.Dopo aver trovato le condizioni iniziali mi stavo accingendo, felice e disinvolto, a calcolare gli autovalori con il circuito resistivo associato. Mi sono trovato in questa situazione: Ho allora pensato di rimuovere quel generatore pilotato di corrente perché in parallelo a un GIT (avranno ovviamente la stessa tensione) ed è qui che è successo il dramma: arrivo ad una soluzione che mi porta in cima all'Everest, venivano autovalori completamente diversi da quelli del testo. Allora ricalcolo tutto considerando anche quel GDC usando il metodo delle correnti di maglia. Ovviamente, nella matrice avrò una riga e una colonna di soli zeri (segno, come ho già detto, che le tensioni dei due generatori in parallelo fossero uguali) ma stavolta però gli autovalori sono quelli corretti. La prima E.D., quella relativa alla derivata della corrente nell'induttore, coincideva in entrambi i casi. Era la seconda a variare. Vi chiedo allora come mai, secondo voi, eliminare quel GDC mi ha portato completamente fuori strada?

Elettrotecnica e non solo (admin)
Un gatto tra gli elettroni (IsidoroKZ)
Esperienza e simulazioni (g.schgor)
Moleskine di un idraulico (RenzoDF)
Il Blog di ElectroYou (webmaster)
Idee microcontrollate (TardoFreak)
PICcoli grandi PICMicro (Paolino)
Il blog elettrico di carloc (carloc)
DirtEYblooog (dirtydeeds)
Di tutto... un po' (jordan20)
AK47 (lillo)
Esperienze elettroniche (marco438)
Telecomunicazioni musicali (clavicordo)
Automazione ed Elettronica (gustavo)
Direttive per la sicurezza (ErnestoCappelletti)
EYnfo dall'Alaska (mir)
Apriamo il quadro! (attilio)
H7-25 (asdf)
Passione Elettrica (massimob)
Elettroni a spasso (guidob)
Bloguerra (guerra)



a non risultare corretta.

