Curva coppia-velocità pompe-ventilatori
Moderatori:
SandroCalligaro,
mario_maggi,
fpalone
30 messaggi
• Pagina 2 di 3 • 1, 2, 3
2
voti
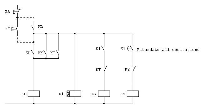
EcoTan ha scritto:a questo punto potresti mettere anche lo schema funzionale..
Eccolo
⋮ƎlectroYou e ne sai di più!
0
voti
Forse sbaglierò. Il contatto ritardato, nel momento in cui chiude, si trova in serie con un contatto NormalChiuso di KY che in quel momento è eccitato aperto quindi non avrebbe alcun effetto..
4
voti
loganwolverine,
le pompe centrifughe hanno un'inerzia molto più bassa di quella di un ventilatore, a pari potenza e velocità della girante. Quindi si avviano entro pochi secondi, mentre un ventilatore richiede più tempo.
Ciao
Mario
le pompe centrifughe hanno un'inerzia molto più bassa di quella di un ventilatore, a pari potenza e velocità della girante. Quindi si avviano entro pochi secondi, mentre un ventilatore richiede più tempo.
Ciao
Mario
Mario Maggi
https://www.evlist.it per la mobilità elettrica e filiera relativa
https://www.axu.it , inverter speciali, convertitori DC/DC, soluzioni originali per la qualità dell'energia
Innovazioni: https://www.axu.it/mm4
https://www.evlist.it per la mobilità elettrica e filiera relativa
https://www.axu.it , inverter speciali, convertitori DC/DC, soluzioni originali per la qualità dell'energia
Innovazioni: https://www.axu.it/mm4
-

mario_maggi
20,0k 3 11 12 - G.Master EY

- Messaggi: 4178
- Iscritto il: 21 dic 2006, 9:59
- Località: Milano
2
voti
Scusate il ritardo, ma ora dovrebbe funzionare
⋮ƎlectroYou e ne sai di più!
0
voti
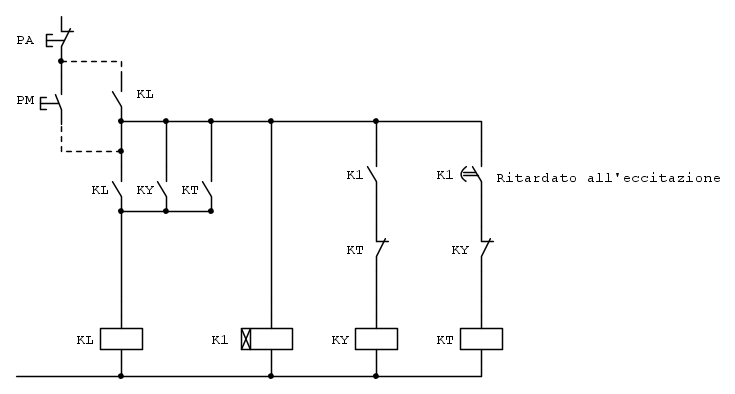
Il funzionale funziona ma mi resta un ulteriore tenuissimo dubbio:
alla chiusura del contatto ritardato di K1, KT può eccitarsi in virtù del fatto che KY è ancora eccitato e dà contatto chiuso, poi immediatamente KY cadrà. Non c'è il possibile rischio che per un breve istante KY e KT entrambi chiusi facciano un corto circuito sulla potenza trifase?
alla chiusura del contatto ritardato di K1, KT può eccitarsi in virtù del fatto che KY è ancora eccitato e dà contatto chiuso, poi immediatamente KY cadrà. Non c'è il possibile rischio che per un breve istante KY e KT entrambi chiusi facciano un corto circuito sulla potenza trifase?
30 messaggi
• Pagina 2 di 3 • 1, 2, 3
Chi c’è in linea
Visitano il forum: Nessuno e 14 ospiti

Elettrotecnica e non solo (admin)
Un gatto tra gli elettroni (IsidoroKZ)
Esperienza e simulazioni (g.schgor)
Moleskine di un idraulico (RenzoDF)
Il Blog di ElectroYou (webmaster)
Idee microcontrollate (TardoFreak)
PICcoli grandi PICMicro (Paolino)
Il blog elettrico di carloc (carloc)
DirtEYblooog (dirtydeeds)
Di tutto... un po' (jordan20)
AK47 (lillo)
Esperienze elettroniche (marco438)
Telecomunicazioni musicali (clavicordo)
Automazione ed Elettronica (gustavo)
Direttive per la sicurezza (ErnestoCappelletti)
EYnfo dall'Alaska (mir)
Apriamo il quadro! (attilio)
H7-25 (asdf)
Passione Elettrica (massimob)
Elettroni a spasso (guidob)
Bloguerra (guerra)







