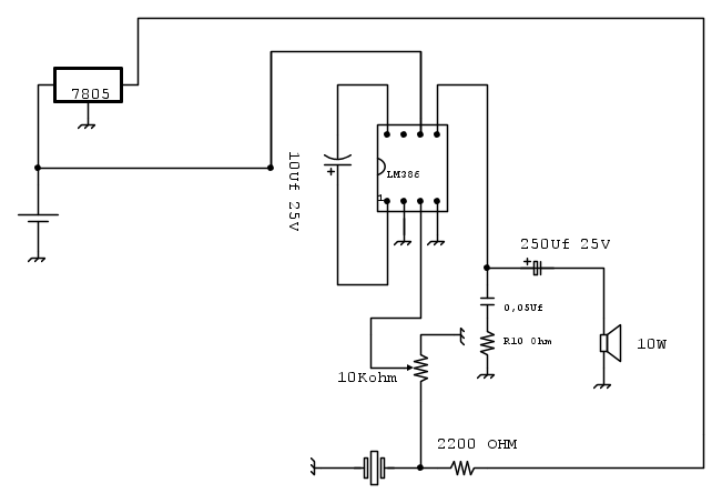
Buonasera sto cercando di costruire un apparato meglio realizzato sulla base di un piccolo ampli con lm 386 proveniente dalla cina spero che qualcuno mi voglia aiutare nel scegliere e dimensionare i vari componenti, i tutto per fare un piccolo strumento per individuare i rumori anomali su vetture
Sara alimentato dalla batteria della vettura ( presa accendisigari) utilizzero una cassa da 10w e una capsula microfonica pre amplificata alimentata da un 7005 con una resistenza di 2,2Kohm come da datasheet, quello che chiedo e come dimensionare i condensatori,( per ora ho preso quelli del data sheet) e non mi è chiaro il Bypass come viene fatto e a cosa serve, non ultimo non sarebbe male inserire (se si puo) una specie di squelch regolabile per attutire i rumori di fondo
LM386 costruzione apparato per ascoltare i rumori
Moderatori:
carloc,
g.schgor,
BrunoValente,
IsidoroKZ
8 messaggi
• Pagina 1 di 1
2
voti
I valori dei condensatori vanno bene, C bypass serve ad incrementare il parametro "Power Supply Rejection Ratio", cioè a ridurre l'ampiezza del rumore in uscita causato dalla presenza di eventuale rumore sulla tensione di alimentazione. Il problema si presenta soprattutto quando il circuito è alimentato da rete con classico alimentatore costituito da trasformatore, ponte e condensatore per cui la tensione continua potrebbe essere affetta da ripple, nel tuo caso C bypass potrebbe non essere necessario ma se lo metti non sbagli, un valore di 50-100uF andrebbe bene.
Non è una buona idea amplificare un microfono in macchina, sicuramente fischierà.
Non è una buona idea amplificare un microfono in macchina, sicuramente fischierà.
-

BrunoValente
39,6k 7 11 13 - G.Master EY

- Messaggi: 7796
- Iscritto il: 8 mag 2007, 14:48
0
voti
BrunoValente ha scritto:...Non è una buona idea amplificare un microfono in macchina, sicuramente fischierà.
Ma anche no!
Ma se l'OP volesse indicare lo scopo ultimo di tale circuito ...
Se quello che funziona basta non lo tocca' sennò te lassa!
0
voti
Ma la capsula non andrebbe disaccoppiata in continua?
"Non farei mai parte di un club che accettasse la mia iscrizione" (G. Marx)
-

claudiocedrone
21,3k 4 7 9 - Master EY

- Messaggi: 15302
- Iscritto il: 18 gen 2012, 13:36
0
voti
claudiocedrone ha scritto:Ma la capsula non andrebbe disaccoppiata in continua?
Certamente, non me ne ero accorto.
-

BrunoValente
39,6k 7 11 13 - G.Master EY

- Messaggi: 7796
- Iscritto il: 8 mag 2007, 14:48
1
voti
"Non farei mai parte di un club che accettasse la mia iscrizione" (G. Marx)
-

claudiocedrone
21,3k 4 7 9 - Master EY

- Messaggi: 15302
- Iscritto il: 18 gen 2012, 13:36
0
voti
Grazie a tutti delle risposte,il focus di questo progetto è creare uno strumento per capire da dove provengono certe ruorosita' sulle autovetture ( principalmente,battiti e/o cigolii) udibili da avantreno,retrotreno,sospensioni ecc ecc con vettura in movimento ( esiste gia una cosa simile ) ma diciamo che il suo punto debole è che ha delle capsule microfoniche incastonate in delle pinze e spesso sono troppo ingombranti , quando si sterza la ruota spesso cadono.
per quando riguarda il condensatore per la capsula microfonica che tipo e che valore deve avere?In oltre il discorso "filtro" per attenuare gli altri rumori e sentire solo quello piu'"forte" si potrebbe fare con semplicita'?
grazie
per quando riguarda il condensatore per la capsula microfonica che tipo e che valore deve avere?In oltre il discorso "filtro" per attenuare gli altri rumori e sentire solo quello piu'"forte" si potrebbe fare con semplicita'?
grazie
-

Gabriele440
30 3 - New entry

- Messaggi: 53
- Iscritto il: 22 giu 2013, 13:59
0
voti
Gabriele440 ha scritto:per capire da dove provengono certe ruorosita' sulle autovetture ( principalmente,battiti e/o cigolii)
Penso che un tale strumento sarebbe utile per gli autoriparatori.
Se mettessimo due microfoni a distanza di qualche decina di cm fra loro, amplificandone i segnali in controfase, e poi cercassimo l'orientamento che rende MINIMA la percezione di quel certo rumore, non riusciremmo ad avere una indicazione oggettiva?
8 messaggi
• Pagina 1 di 1
Chi c’è in linea
Visitano il forum: Nessuno e 241 ospiti

Elettrotecnica e non solo (admin)
Un gatto tra gli elettroni (IsidoroKZ)
Esperienza e simulazioni (g.schgor)
Moleskine di un idraulico (RenzoDF)
Il Blog di ElectroYou (webmaster)
Idee microcontrollate (TardoFreak)
PICcoli grandi PICMicro (Paolino)
Il blog elettrico di carloc (carloc)
DirtEYblooog (dirtydeeds)
Di tutto... un po' (jordan20)
AK47 (lillo)
Esperienze elettroniche (marco438)
Telecomunicazioni musicali (clavicordo)
Automazione ed Elettronica (gustavo)
Direttive per la sicurezza (ErnestoCappelletti)
EYnfo dall'Alaska (mir)
Apriamo il quadro! (attilio)
H7-25 (asdf)
Passione Elettrica (massimob)
Elettroni a spasso (guidob)
Bloguerra (guerra)




