Motore tergicristallo funzionamento
Moderatori:
SandroCalligaro,
mario_maggi,
fpalone
2 messaggi
• Pagina 1 di 1
0
voti
Chi mi può spiegare dettagliatamente il funzionamento di questo motore tergicristallo ? E tutti i suoi elementi come la resistenza e l'induttore. Mi sono fatto una mia idea leggendo per il web per quanto riguarda l'eccitazione ecc.. ma preferirei che degli esperti mi dessero delle spiegazioni certe.
- Allegati
-
- Disegno2.jpg (17.51 KiB) Osservato 10968 volte
2
voti
Sinceramente non ho mai visto componenti tipo resistenze, condensatori ed induttori all'interno di un motorino per tergicristallo (diodi si, in quelli a due velocità), ma ciò non vuol dire che non esistano motori con tali componenti...
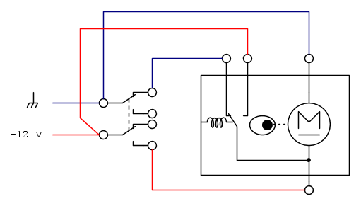
... il funzionamento di un motorino "normale" di tipo a mono velocità si può capire seguendo questo schema di massima:
Tutto ciò che è all'interno del riquadro è dentro il motorino stesso: il motore elettrico vero e proprio, con i suoi ingranaggi di riduzione, un deviatore a "molla" e una camma, solidale all'albero motore.
Il gruppo deviatore/camma serve a portare il tergicristallo nella posizione di riposo quando si spegne il tergicristallo.
Il principio di funzionamento è, in poche parole, il seguente:
- A riposo la camma contrasta la molla del deviatore interno e fa in modo che il contatto chiuda a massa, in questo modo il motorino ha entrambi i poli allo stesso potenziale e risulta fermo.
- Se chiudiamo il deviatore di comando, liberiamo uno dei due poli del motore dalla massa (perché scolleghiamo il deviatore interno da massa) e, contemporaneamente lo colleghiamo a +12 V, il tergi inizia a funzionare e la camma a girare, facendo aprire e chiudere il deviatore interno.
- Se apriamo il deviatore di comando e la camma non si trova esattamente nella posizione corrispondente alla posizione di riposo del tergi, questa non contrasta la molla del deviatore interno per cui un polo del motore continua a rimanere alimentato a +12 V, e quindi il motore continuerà a funzionare fino a che la camma non si troverà a contrastare nuovamente la molla, portando il deviatore a collegarsi a massa e a fermare il motore.
... in parole semplici funziona così.
Max
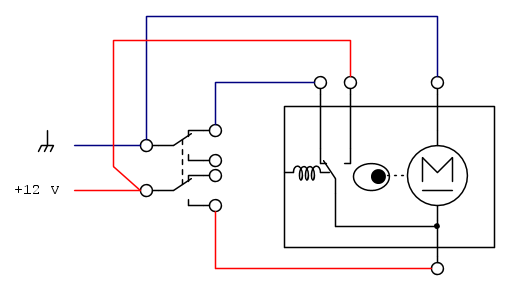
... il funzionamento di un motorino "normale" di tipo a mono velocità si può capire seguendo questo schema di massima:
Tutto ciò che è all'interno del riquadro è dentro il motorino stesso: il motore elettrico vero e proprio, con i suoi ingranaggi di riduzione, un deviatore a "molla" e una camma, solidale all'albero motore.
Il gruppo deviatore/camma serve a portare il tergicristallo nella posizione di riposo quando si spegne il tergicristallo.
Il principio di funzionamento è, in poche parole, il seguente:
- A riposo la camma contrasta la molla del deviatore interno e fa in modo che il contatto chiuda a massa, in questo modo il motorino ha entrambi i poli allo stesso potenziale e risulta fermo.
- Se chiudiamo il deviatore di comando, liberiamo uno dei due poli del motore dalla massa (perché scolleghiamo il deviatore interno da massa) e, contemporaneamente lo colleghiamo a +12 V, il tergi inizia a funzionare e la camma a girare, facendo aprire e chiudere il deviatore interno.
- Se apriamo il deviatore di comando e la camma non si trova esattamente nella posizione corrispondente alla posizione di riposo del tergi, questa non contrasta la molla del deviatore interno per cui un polo del motore continua a rimanere alimentato a +12 V, e quindi il motore continuerà a funzionare fino a che la camma non si troverà a contrastare nuovamente la molla, portando il deviatore a collegarsi a massa e a fermare il motore.
... in parole semplici funziona così.
MaxDisapprovo quello che dite, ma difenderò fino alla morte il vostro diritto di dirlo [attribuita a Voltaire]
La gentilezza dovrebbe diventare lo stile naturale della vita, non l'eccezione [Siddhārtha Gautama]
La gentilezza dovrebbe diventare lo stile naturale della vita, non l'eccezione [Siddhārtha Gautama]
-

Max2433BO
18,6k 4 11 13 - G.Master EY

- Messaggi: 4724
- Iscritto il: 25 set 2013, 16:29
- Località: Universo - Via Lattea - Sistema Solare - Terzo pianeta...
2 messaggi
• Pagina 1 di 1
Chi c’è in linea
Visitano il forum: Nessuno e 7 ospiti

Elettrotecnica e non solo (admin)
Un gatto tra gli elettroni (IsidoroKZ)
Esperienza e simulazioni (g.schgor)
Moleskine di un idraulico (RenzoDF)
Il Blog di ElectroYou (webmaster)
Idee microcontrollate (TardoFreak)
PICcoli grandi PICMicro (Paolino)
Il blog elettrico di carloc (carloc)
DirtEYblooog (dirtydeeds)
Di tutto... un po' (jordan20)
AK47 (lillo)
Esperienze elettroniche (marco438)
Telecomunicazioni musicali (clavicordo)
Automazione ed Elettronica (gustavo)
Direttive per la sicurezza (ErnestoCappelletti)
EYnfo dall'Alaska (mir)
Apriamo il quadro! (attilio)
H7-25 (asdf)
Passione Elettrica (massimob)
Elettroni a spasso (guidob)
Bloguerra (guerra)
