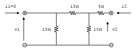
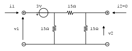
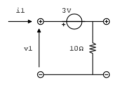
Calcolare la matrice delle resistenze R e delle conduttanze G.
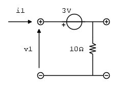
Non ho capito se posso considerare i due generatori indipendenti come se fossero interni e procedere spegnendoli e applicando la definizione della rappresentazione delle resistenze


Moderatori:
carloc,
g.schgor,
BrunoValente,
IsidoroKZ












e per il teorema di reciprocità 




g.schgor ha scritto:Se spegni i generatori, i tuoi calcoli sono esatti: ma che senso ha ?

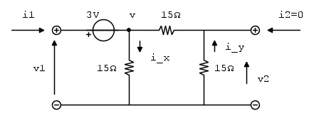
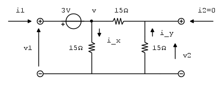
Davide9792 ha scritto:... ho trovato il seguente il risultato
Vorrei chiederti se è corretto il risultato, ...
dei due GIT ausiliari.


Davide9792 ha scritto:... Allora per quanto riguarda i GIT ho che:
Pongo![]()



Visitano il forum: Nessuno e 215 ospiti