Luci esterne controllate da interruttore e programmabili
Moderatori:
sebago,
MASSIMO-G,
lillo,
Mike
19 messaggi
• Pagina 2 di 2 • 1, 2
0
voti
Questa è la soluzione fidocad che avevo descritto a parole:
-

DavideDaSerra
213 1 7 - Expert

- Messaggi: 279
- Iscritto il: 21 gen 2018, 18:41
0
voti
@DavideDaSerra, forse c'è qualcosa che non colgo, ma non ti sembra un po' confuso quel cablaggio ?
Come è alimentato quel Finder ?
Saluti
p.s.
vedo adesso che hai modificato lo schema, ma la mia osservazione rimane valida.
Come è alimentato quel Finder ?
Saluti
p.s.
vedo adesso che hai modificato lo schema, ma la mia osservazione rimane valida.
W - U.H.F.
-

WALTERmwp
30,2k 4 8 13 - G.Master EY

- Messaggi: 8990
- Iscritto il: 17 lug 2010, 18:42
- Località: le 4 del mattino
0
voti
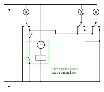
Per semplicità di rappresentazione avevo omesso l'alimentazione (F/N) mi sembrava pacifica, noto però solo ora l'errore di aver usato il simbolo di bobina anziché di interruttore. Ad ogni modo lo schema con l'alimentazione è qui.
NOTA:
se possibile chiedo a un moderatore di cancellare l'immagine nel mio post precedente.
EDIT: immagine sostituita con codice fidocad
NOTA:
se possibile chiedo a un moderatore di cancellare l'immagine nel mio post precedente.
EDIT: immagine sostituita con codice fidocad
Ultima modifica di
DavideDaSerra il 5 apr 2020, 22:42, modificato 3 volte in totale.
-

DavideDaSerra
213 1 7 - Expert

- Messaggi: 279
- Iscritto il: 21 gen 2018, 18:41
0
voti
@DavideDaSerra, in uno schema devono essere riportati i collegamenti necessari a renderlo funzionale rispondendo all'esigenza del caso, non si evita di riportare connessioni per non "appesantire" una rappresentazione: i collegamenti non ce li si deve immaginare, devono esserci.
Vedo che inserite immagini del disegno fatto con FidoCadJ, invece del disegno stesso.
Così facendo si perde una delle proprietà più importanti di questo programma.
Vi suggerisco la lettura di questo, una indicazione utile per riportare quanto fatto con FidoCadJ direttamente nel post.
Grazie.
Saluti
Vedo che inserite immagini del disegno fatto con FidoCadJ, invece del disegno stesso.
Così facendo si perde una delle proprietà più importanti di questo programma.
Vi suggerisco la lettura di questo, una indicazione utile per riportare quanto fatto con FidoCadJ direttamente nel post.
Grazie.
Saluti
W - U.H.F.
-

WALTERmwp
30,2k 4 8 13 - G.Master EY

- Messaggi: 8990
- Iscritto il: 17 lug 2010, 18:42
- Località: le 4 del mattino
0
voti
Grazie delle dritte, posso chiedere una cosa? È possibile e, in caso affermativo, come si fa in fidocad a "spostare" le etichette o almeno a impostare una dimensione del carattere più piccola?
Bisogna necessariamente usare il tag "testo" e fare un'etichetta a parte?
Bisogna necessariamente usare il tag "testo" e fare un'etichetta a parte?
-

DavideDaSerra
213 1 7 - Expert

- Messaggi: 279
- Iscritto il: 21 gen 2018, 18:41
0
voti
Chiedevo per un oggetto "normale", ad esempio un interruttore, come modificare il carattere dei campi che doppio-cliccando si chiamano "Nome" e "Valore".
-

DavideDaSerra
213 1 7 - Expert

- Messaggi: 279
- Iscritto il: 21 gen 2018, 18:41
19 messaggi
• Pagina 2 di 2 • 1, 2
Torna a Impianti, sicurezza e quadristica
Chi c’è in linea
Visitano il forum: Google [Bot] e 109 ospiti

Elettrotecnica e non solo (admin)
Un gatto tra gli elettroni (IsidoroKZ)
Esperienza e simulazioni (g.schgor)
Moleskine di un idraulico (RenzoDF)
Il Blog di ElectroYou (webmaster)
Idee microcontrollate (TardoFreak)
PICcoli grandi PICMicro (Paolino)
Il blog elettrico di carloc (carloc)
DirtEYblooog (dirtydeeds)
Di tutto... un po' (jordan20)
AK47 (lillo)
Esperienze elettroniche (marco438)
Telecomunicazioni musicali (clavicordo)
Automazione ed Elettronica (gustavo)
Direttive per la sicurezza (ErnestoCappelletti)
EYnfo dall'Alaska (mir)
Apriamo il quadro! (attilio)
H7-25 (asdf)
Passione Elettrica (massimob)
Elettroni a spasso (guidob)
Bloguerra (guerra)

