Esercizio
Moderatori:
g.schgor,
IsidoroKZ
19 messaggi
• Pagina 1 di 2 • 1, 2
1
voti
[6] Re: Esercizio
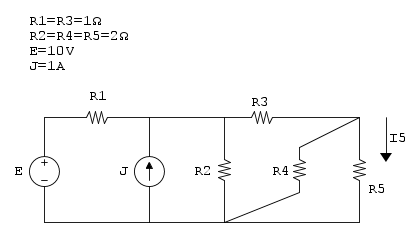
Immaginando che l'incognita da calcolare, visto lo schema iniziale, sia la I5, possiamo poi scrivere
Scusa, ma la parte analitica te la lascio volentieri
Una domanda lasciamela fare: quale teorema è stato usato al post [4]?
Scusa, ma la parte analitica te la lascio volentieri
Una domanda lasciamela fare: quale teorema è stato usato al post [4]?
⋮ƎlectroYou e ne sai di più!
1
voti
[9] Re: Esercizio
Dato che R4=R5 e che R3=R4/2 e che R2=R4 la Req vista a destra di J vale 1
.Se troviamo la tensione su J, la corrente su quella Req varrà
e di conseguenza
.Per trovare Veq usiamo Millman.


.Si fa prima a fare il calcolo che a scriverlo.
-

PietroBaima
90,7k 7 12 13 - G.Master EY

- Messaggi: 12206
- Iscritto il: 12 ago 2012, 1:20
- Località: Londra
19 messaggi
• Pagina 1 di 2 • 1, 2
Torna a Elettrotecnica generale
Chi c’è in linea
Visitano il forum: Nessuno e 17 ospiti

Elettrotecnica e non solo (admin)
Un gatto tra gli elettroni (IsidoroKZ)
Esperienza e simulazioni (g.schgor)
Moleskine di un idraulico (RenzoDF)
Il Blog di ElectroYou (webmaster)
Idee microcontrollate (TardoFreak)
PICcoli grandi PICMicro (Paolino)
Il blog elettrico di carloc (carloc)
DirtEYblooog (dirtydeeds)
Di tutto... un po' (jordan20)
AK47 (lillo)
Esperienze elettroniche (marco438)
Telecomunicazioni musicali (clavicordo)
Automazione ed Elettronica (gustavo)
Direttive per la sicurezza (ErnestoCappelletti)
EYnfo dall'Alaska (mir)
Apriamo il quadro! (attilio)
H7-25 (asdf)
Passione Elettrica (massimob)
Elettroni a spasso (guidob)
Bloguerra (guerra)









pigreco]=π