Ciao a tutti.
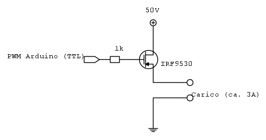
Ho la necessitá di interrompere una linea di alimentazione da 50 volt sul positivo, e pensavo di utilizzare un Mosfet canale P.
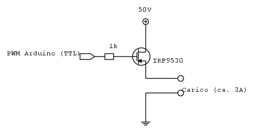
Il circuito che ho disegnato é questo:
Il Mosfet verrebbe controllato tramite Arduino in PWM, per avere un accensione "delicata" dell'alimentazione. Valutavo poi l'idea di cortocircuitare il mosfet con un relé, per eliminare la dissipazione del calore.
Il circuito puó andar bene? Oppure manca qualcosa?
Se ho dimenticato qualche informazione da dare, chiedo scusa
Grazie in anticipo
Collegamento Mosfet P Channel
Moderatori:
carloc,
g.schgor,
BrunoValente,
IsidoroKZ
44 messaggi
• Pagina 1 di 5 • 1, 2, 3, 4, 5
4
voti
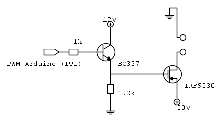
Ciao. Non puoi comandare il MOS direttamente con un pin digitale, in quel modo avresti una Vgs sempre (estremamente) negativa, con il MOS sempre acceso e probabilmente bucando il gate.
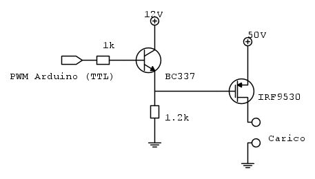
Inserisci uno stadio per il pilotaggio corretto del MOS, ti basta una resistenza di pullup e un npn. Ti serve anche limitare la tensione tra source e gate, che di solito non deve superare i 20 V. Inserisco uno schema (invertente) come immagine perché sono da cellulare.
Inserisci uno stadio per il pilotaggio corretto del MOS, ti basta una resistenza di pullup e un npn. Ti serve anche limitare la tensione tra source e gate, che di solito non deve superare i 20 V. Inserisco uno schema (invertente) come immagine perché sono da cellulare.
-

marioursino
5.687 3 9 13 - G.Master EY

- Messaggi: 1598
- Iscritto il: 5 dic 2009, 4:32
0
voti
marioursino ha scritto:Inserisci uno stadio per il pilotaggio corretto del MOS, ti basta una resistenza di pullup e un npn.
Cosí?
Il fatto del limitare i 20 volt sul gate non serviva: ho a disposizione anche i 12 volt, che dovrebbero bastare penso.
Puó andare il circuito?
Chiedo scusa per aver messo i 50 volt e il GND del mosfet al contrario, ma non riuscivo a girare il componente.
Tra l'altro, se non sbaglio, nel primo circuito del primo post avevo pure sbagliato a collegarlo. Oppure ho sbagliato ora, non lo o... mi sto perdendo in un bicchier d'acqua

0
voti
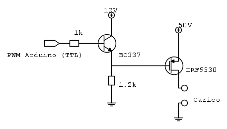
No.Cosí?
Non entro nel merito del MOS, non conosco bene la polarizzazione dei canale N o P, ma mi pare che il BC337 non sia connesso bene.
Lo schema è un incubo da comprendere con +V e masse invertite.
Lo schema del post 2 , mi pare corretto e chiaro.
Il campo di escursione del PWM arduino è fra 0 e +5 V ?
I componenti in fidocadj dovrebbero potersi posizionare con i camndi "ruota" e "specchia".
0
voti
Nello schema consigliato è presente un Q1 FDS6672 che mi pare un canale N
tu vuoi adoperare un IRF9530 canale P.
Non va bene.
Ti propongono un circuito per pilotaggio gate con partitore e zener,
Tu vuoi adoperare un +12 V.
Poi non si può esludere che passando da canale N a P, invertendo le polarizzazioni, rimaneggiando il circuito si possa arrivare a qualcosa di diverso ma funzionante.
Ma, se non sai bene cosa fare, almeno copia correttamente quanto suggerito.
tu vuoi adoperare un IRF9530 canale P.
Non va bene.
Ti propongono un circuito per pilotaggio gate con partitore e zener,
Tu vuoi adoperare un +12 V.
Poi non si può esludere che passando da canale N a P, invertendo le polarizzazioni, rimaneggiando il circuito si possa arrivare a qualcosa di diverso ma funzionante.
Ma, se non sai bene cosa fare, almeno copia correttamente quanto suggerito.

1
voti
AleEl ha scritto:Cosí?
Il fatto del limitare i 20 volt sul gate non serviva: ho a disposizione anche i 12 volt, che dovrebbero bastare penso.
Invece servono i 50 V. Se alimenti il carico a 50 V, per spegnere il PMOS devi portarne il gate a 50V.
Se vuoi semplificarti la vita passa ad un controllo low-side con un NMOS.
Puó andare il circuito?
No.
Boiler
0
voti
boiler ha scritto: per spegnere il PMOS devi portarne il gate a 50V.
Forse intendeva: portare il gate alla stessa tensione del source che è a 50 V (quindi la VGS è = 0)
.. nel casino dello schema mal disegnato,,è facile confondersi...
0
voti
MarcoD ha scritto:.. nel casino dello schema mal disegnato,,è facile confondersi...
Tralasciando che si sta parlando dello schema di Mario, che seppur in foto é fatto bene, ho giá detto il perché del mio schema: non sapevo come fare.
Eccolo qui, ma se é sbagliato serve a poco, quindi non vedo l'utilitá di questo circuito corretto
44 messaggi
• Pagina 1 di 5 • 1, 2, 3, 4, 5
Chi c’è in linea
Visitano il forum: Nessuno e 54 ospiti

Elettrotecnica e non solo (admin)
Un gatto tra gli elettroni (IsidoroKZ)
Esperienza e simulazioni (g.schgor)
Moleskine di un idraulico (RenzoDF)
Il Blog di ElectroYou (webmaster)
Idee microcontrollate (TardoFreak)
PICcoli grandi PICMicro (Paolino)
Il blog elettrico di carloc (carloc)
DirtEYblooog (dirtydeeds)
Di tutto... un po' (jordan20)
AK47 (lillo)
Esperienze elettroniche (marco438)
Telecomunicazioni musicali (clavicordo)
Automazione ed Elettronica (gustavo)
Direttive per la sicurezza (ErnestoCappelletti)
EYnfo dall'Alaska (mir)
Apriamo il quadro! (attilio)
H7-25 (asdf)
Passione Elettrica (massimob)
Elettroni a spasso (guidob)
Bloguerra (guerra)






