Buona sera a tutto il forum!
Avrei la necessità di interrompere un segnale BF audio proveniente da un operazionale quando esternamente mi arriva una tensione positiva di 12 V
Potrei mettere un relé e risolvere in questo modo, ma mi chiedevo se c'è una soluzione più semplice ed elegante.
Il preamplificatore chiacchierone da "azzittare" è alimentato con una sola tensione positiva di 12 V.
Grazie a chiunque mi vorrà dedicare un minuto...
Interrompere un segnale di BF
31 messaggi
• Pagina 1 di 4 • 1, 2, 3, 4
0
voti
Ciao,
proverei a fare così
l'ho tirato giù senza fare prove, probabilmente va adattato , altri modi ce ne sono , ma se questo si mette a punto direi che è molto pratico.
proverei a fare così
l'ho tirato giù senza fare prove, probabilmente va adattato , altri modi ce ne sono , ma se questo si mette a punto direi che è molto pratico.
Alex
https://www.facebook.com/Elettronicaeelettrotecnica
<< vedi di pigliare arditamente in mano, il dizionario che ti suona in bocca,
se non altro è schietto e paesano.
(Giuseppe Giusti) <<
https://www.facebook.com/Elettronicaeelettrotecnica
<< vedi di pigliare arditamente in mano, il dizionario che ti suona in bocca,
se non altro è schietto e paesano.
(Giuseppe Giusti) <<
0
voti
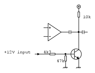
ciao @SediciAmpere,
probabilmente gli basterebbero questi quattro componenti, se non mi sbaglio.
probabilmente gli basterebbero questi quattro componenti, se non mi sbaglio.
Alex
https://www.facebook.com/Elettronicaeelettrotecnica
<< vedi di pigliare arditamente in mano, il dizionario che ti suona in bocca,
se non altro è schietto e paesano.
(Giuseppe Giusti) <<
https://www.facebook.com/Elettronicaeelettrotecnica
<< vedi di pigliare arditamente in mano, il dizionario che ti suona in bocca,
se non altro è schietto e paesano.
(Giuseppe Giusti) <<
0
voti
Grazie per essere intervenuti.
Appena ho 5 minuti lo testo.
Ma il FET non va polarizzato negativamente?
setteali ha scritto:...proverei a fare così...
Appena ho 5 minuti lo testo.
Ma il FET non va polarizzato negativamente?
Se quello che funziona basta non lo tocca' sennò te lassa!
0
voti
abusivo ha scritto:Potrei mettere un relé e risolvere in questo modo, ma mi chiedevo se c'è una soluzione più semplice ed elegante.
Dipende da cosa devi fare, potresti scoprire che quella è la soluzione migliore per il tuo caso.
Di preciso, cosa devi fare e perché?
0
voti
Scusa
setteali, non avevo proprio visto la tua precedente risposta, interessante lo schema con il transistor
Esatto
setteali ha scritto:ciao @SediciAmpere,
probabilmente gli basterebbero questi quattro componenti, se non mi sbaglio.
Esatto
-

SediciAmpere
4.187 5 5 8 - Master

- Messaggi: 4847
- Iscritto il: 31 ott 2013, 15:00
0
voti
Ciao,
è uno schema che io ho qualche volta utilizzato, ma è usato in tantissimi amplificatori HI-FI, dove hanno un mute, di servizio o di funzione.
è uno schema che io ho qualche volta utilizzato, ma è usato in tantissimi amplificatori HI-FI, dove hanno un mute, di servizio o di funzione.
Alex
https://www.facebook.com/Elettronicaeelettrotecnica
<< vedi di pigliare arditamente in mano, il dizionario che ti suona in bocca,
se non altro è schietto e paesano.
(Giuseppe Giusti) <<
https://www.facebook.com/Elettronicaeelettrotecnica
<< vedi di pigliare arditamente in mano, il dizionario che ti suona in bocca,
se non altro è schietto e paesano.
(Giuseppe Giusti) <<
0
voti
Proporrei due migliorie non indispensabilial allo schema
del post 2 di
setteali:
un condensatore da100 uF in parallelo ai 47 kohm fra base e emitter per evitare lo schiocco.
un resistore da 1 kohm in serie all'uscita dell'amplificatore per non sovracaricarlo e per facilitare l'attenuazione con transistor saturo (anche se attenua il segnale durante il funzionamento)
poi forse invece che mettere 4,7 kohm (12V/4,7k = 2,5 mA in base), forse ne bastano 47 kohm
per saturare il transistor.

del post 2 di un condensatore da100 uF in parallelo ai 47 kohm fra base e emitter per evitare lo schiocco.
un resistore da 1 kohm in serie all'uscita dell'amplificatore per non sovracaricarlo e per facilitare l'attenuazione con transistor saturo (anche se attenua il segnale durante il funzionamento)
poi forse invece che mettere 4,7 kohm (12V/4,7k = 2,5 mA in base), forse ne bastano 47 kohm
per saturare il transistor.

31 messaggi
• Pagina 1 di 4 • 1, 2, 3, 4
Torna a Costruzione, riparazione, riutilizzo
Chi c’è in linea
Visitano il forum: Nessuno e 40 ospiti

Elettrotecnica e non solo (admin)
Un gatto tra gli elettroni (IsidoroKZ)
Esperienza e simulazioni (g.schgor)
Moleskine di un idraulico (RenzoDF)
Il Blog di ElectroYou (webmaster)
Idee microcontrollate (TardoFreak)
PICcoli grandi PICMicro (Paolino)
Il blog elettrico di carloc (carloc)
DirtEYblooog (dirtydeeds)
Di tutto... un po' (jordan20)
AK47 (lillo)
Esperienze elettroniche (marco438)
Telecomunicazioni musicali (clavicordo)
Automazione ed Elettronica (gustavo)
Direttive per la sicurezza (ErnestoCappelletti)
EYnfo dall'Alaska (mir)
Apriamo il quadro! (attilio)
H7-25 (asdf)
Passione Elettrica (massimob)
Elettroni a spasso (guidob)
Bloguerra (guerra)





