Sono d'accordo con Elfo, Isidoro e anche con DarwinNE perché stiamo dicendo tutti la stessa cosa.
Ciao
Quiz elettronico
Moderatori:
carloc,
g.schgor,
BrunoValente,
IsidoroKZ
45 messaggi
• Pagina 5 di 5 • 1, 2, 3, 4, 5
2
voti
[42] Re: Quiz elettronico
Io non ho detto nulla
, ho solo proposto il quiz!
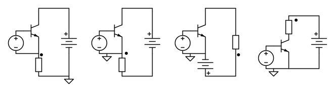
L'ho fatto quasi involontariamente un po' piu` difficile di quanto potesse essere fatto perche' ho lasciato la parte di controllo e la retroazione ha offuscato il circuito. La versione semplice dei due schemi e` questa:
Nel generatore collegato alla base e` compresa anche la componente continua per polarizzare il transistore.
Nei due schemi dovrebbe vedersi piu` facilmente che il primo circuito e` un collettore comune, il secondo e` un emettitore comune.
Il simbolo di ground serve solo a confondere le idee
. Se c'e` nel circuito un solo simbolo di ground, lo possiamo mettere dove vogliamo, e` solo l'indicazione del nodo rispetto a cui si misurano le differenze di potenziale, in pratica dove mettiamo il puntale negativo del multimetro. Se ci sono tanti simboli (uguali) di ground li colleghiamo tutti insieme (quello che qualcuno chiama supernodo, ma a me non piace), in modo da avere evidenziato un solo simbolo di ground e poi quello lo possiamo mettere dove ci pare.
Sul secondo circuito si possono fare queste trasformazioni "grafiche": si cambia il nodo di ground e si scambiano fra di loro carico e batteria.
Nell'ultimo schema si vede il classico emettitore comune. Pero`, pero`... un emettitore comune dovrebbe invertire il segnale, mentre il primo circuito non e` invertente!
Ho messo nello schema un pallino sul carico per indicare dove considero il positivo della tensione di segnale, il negativo e` sull'altro lato della resistenza.
Si vede che con le trasformazioni topologiche nell'ultimo schema si prende l'uscita sul non-pallino quindi il segno e` opposto rispetto al primo circuito, vale a dire che il CE e` invertente.
E quindi ha ragione
DarwinNE quando dice che gli alimentatori di questo genere possono essere un po' piu` rognosi da compensare.
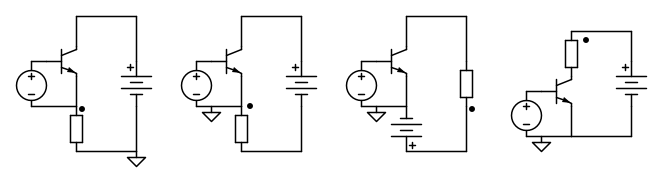
L'ho fatto quasi involontariamente un po' piu` difficile di quanto potesse essere fatto perche' ho lasciato la parte di controllo e la retroazione ha offuscato il circuito. La versione semplice dei due schemi e` questa:
Nel generatore collegato alla base e` compresa anche la componente continua per polarizzare il transistore.
Nei due schemi dovrebbe vedersi piu` facilmente che il primo circuito e` un collettore comune, il secondo e` un emettitore comune.
Il simbolo di ground serve solo a confondere le idee
Sul secondo circuito si possono fare queste trasformazioni "grafiche": si cambia il nodo di ground e si scambiano fra di loro carico e batteria.
Nell'ultimo schema si vede il classico emettitore comune. Pero`, pero`... un emettitore comune dovrebbe invertire il segnale, mentre il primo circuito non e` invertente!
Ho messo nello schema un pallino sul carico per indicare dove considero il positivo della tensione di segnale, il negativo e` sull'altro lato della resistenza.
Si vede che con le trasformazioni topologiche nell'ultimo schema si prende l'uscita sul non-pallino quindi il segno e` opposto rispetto al primo circuito, vale a dire che il CE e` invertente.
E quindi ha ragione
Per usare proficuamente un simulatore, bisogna sapere molta più elettronica di lui
Plug it in - it works better!
Il 555 sta all'elettronica come Arduino all'informatica! (entrambi loro malgrado)
Se volete risposte rispondete a tutte le mie domande
Plug it in - it works better!
Il 555 sta all'elettronica come Arduino all'informatica! (entrambi loro malgrado)
Se volete risposte rispondete a tutte le mie domande
1
voti
[44] Re: Quiz elettronico
E' vero!IsidoroKZ ha scritto:Io non ho detto nulla, ho solo proposto il quiz!
Nei due schemi dovrebbe vedersi piu` facilmente che il primo circuito e` un collettore comune, il secondo e` un emettitore comune.
Avevo visto che primo lo pilotavo in tensione verso massa, (attraverso il carico), quindi ad inseguitore di tensione, ma non ho visualizzato il secondo circuito, che pilotando verso emettitore, il carico è come se fosse sul collettore, quindi ottengo un emettitore comune......
che svista imperdonabile
saluti.
-

lelerelele
4.899 3 7 9 - Master

- Messaggi: 5505
- Iscritto il: 8 giu 2011, 8:57
- Località: Reggio Emilia
0
voti
[45] Re: Quiz elettronico
________ERRATA CORRIGE!_______
Ho commesso un errore imperdonabile, vado a nascondermi in un angolo
Ero concentrato sulla distinzione common collector/common emitter e quando ho disegnato il secondo schema del primo messaggio ho ripreso il primo schema e l'ho modificato, disegnando una vaccata imperdonabile: non ho scambiato gli ingressi dell'operazionale e quindi il circuito ha una retroazione positiva. Oltre all'angolo merito frustate, cilicio e altre amenita` del genere.
Lo schema corretto e` questo qui sotto
In questa configurazione il transistor e` in configurazione emettitore comune, inverte e quindi gli ingressi sull'operazionale devono essere scambiati, la retroazione entra sul non invertente!
Me ne sono accorto perche' l'ho fatto notare in un messaggio in questo thread viewtopic.php?f=1&t=82105&start=570#p909944
E` una cosa curiosa che di solito faccio notare, mi e` venuto in mente che in questo thread non l'avevo fatto osservare e quindi ho avuto il sospetto, fondato, di aver disegnato sbagliato lo schema iniziale.
In tutti gli schemi con l'operazionale bisogna scambiare gli ingressi!
Ho commesso un errore imperdonabile, vado a nascondermi in un angolo
Ero concentrato sulla distinzione common collector/common emitter e quando ho disegnato il secondo schema del primo messaggio ho ripreso il primo schema e l'ho modificato, disegnando una vaccata imperdonabile: non ho scambiato gli ingressi dell'operazionale e quindi il circuito ha una retroazione positiva. Oltre all'angolo merito frustate, cilicio e altre amenita` del genere.
Lo schema corretto e` questo qui sotto
In questa configurazione il transistor e` in configurazione emettitore comune, inverte e quindi gli ingressi sull'operazionale devono essere scambiati, la retroazione entra sul non invertente!
Me ne sono accorto perche' l'ho fatto notare in un messaggio in questo thread viewtopic.php?f=1&t=82105&start=570#p909944
E` una cosa curiosa che di solito faccio notare, mi e` venuto in mente che in questo thread non l'avevo fatto osservare e quindi ho avuto il sospetto, fondato, di aver disegnato sbagliato lo schema iniziale.
In tutti gli schemi con l'operazionale bisogna scambiare gli ingressi!
Per usare proficuamente un simulatore, bisogna sapere molta più elettronica di lui
Plug it in - it works better!
Il 555 sta all'elettronica come Arduino all'informatica! (entrambi loro malgrado)
Se volete risposte rispondete a tutte le mie domande
Plug it in - it works better!
Il 555 sta all'elettronica come Arduino all'informatica! (entrambi loro malgrado)
Se volete risposte rispondete a tutte le mie domande
45 messaggi
• Pagina 5 di 5 • 1, 2, 3, 4, 5
Chi c’è in linea
Visitano il forum: Nessuno e 161 ospiti

Elettrotecnica e non solo (admin)
Un gatto tra gli elettroni (IsidoroKZ)
Esperienza e simulazioni (g.schgor)
Moleskine di un idraulico (RenzoDF)
Il Blog di ElectroYou (webmaster)
Idee microcontrollate (TardoFreak)
PICcoli grandi PICMicro (Paolino)
Il blog elettrico di carloc (carloc)
DirtEYblooog (dirtydeeds)
Di tutto... un po' (jordan20)
AK47 (lillo)
Esperienze elettroniche (marco438)
Telecomunicazioni musicali (clavicordo)
Automazione ed Elettronica (gustavo)
Direttive per la sicurezza (ErnestoCappelletti)
EYnfo dall'Alaska (mir)
Apriamo il quadro! (attilio)
H7-25 (asdf)
Passione Elettrica (massimob)
Elettroni a spasso (guidob)
Bloguerra (guerra)







