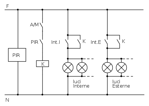
Forse una soluzione come questa ?
Senza inventarsi nulla di particolare, ma qualche filo alla fine, @hereistay, lo dovrai far tirare.
L'interruttore A/M(Automatico/Manuale) è opzionale.
Saluti
Come collegare luci a sensore di movimento crepuscolare?
Moderatori:
sebago,
MASSIMO-G,
lillo,
Mike
25 messaggi
• Pagina 2 di 3 • 1, 2, 3
0
voti
WALTERmwp ha scritto:Forse una soluzione come questa ?(...)
Sei stato perfetto, questo è quello che farei io.

Ultima modifica di
WALTERmwp il 7 dic 2020, 19:15, modificato 1 volta in totale.
Motivazione: Ridotta citazione, la sua integrità rende poco leggibile il thread
Motivazione: Ridotta citazione, la sua integrità rende poco leggibile il thread
0
voti
L'accensione delle luci intendo farla da un singolo punto: nella stessa scatola vorrei mettere un comando per accendere le interne e uno per accendere le esterne.
0
voti
Puoi farlo. Metti un pulsante per luci esterne ed un altro per le luci interne poi nel quadro o in una cassetta di derivazione metti i due relè. E i crepuscolari vedi te dove metterli 
0
voti
hereistay ha scritto:la notte il sensore deve accendere sia le luci interne che quelle esterne ma io devo poter accendere manualmente solo le luci esterne o solo le luci interne
Mi pare che lo schema disegnato da lacoontfreed faccia esattamente quanto hai detto, e sono solo due deviatori che scambiano da acceso ad automatico.
Se ci sono anche vincoli/specifiche sullo spegnimento, allora vanno esplicitati anche questi (ad esempio l' OP dell'altro thread voleva spegnere dallo stesso punto di comando anche se il PIR era ancora attivo, e allora serviva il relé intermedio).
0
voti
Grazie!
In realtà i fili li ho già tirati e stavo impostando il tutto utilizzando un deviatore limitandomi ad accendere/spegnere tutte le luci da questo.
Credo che ciò che mi proponete non sia alla mia portata...
Mi limiterò ad accendere tutte le luci con un deviatore, alla fine parliamo di 2-3 lampadine esterne
In realtà i fili li ho già tirati e stavo impostando il tutto utilizzando un deviatore limitandomi ad accendere/spegnere tutte le luci da questo.
Credo che ciò che mi proponete non sia alla mia portata...
Mi limiterò ad accendere tutte le luci con un deviatore, alla fine parliamo di 2-3 lampadine esterne
0
voti
nulla te lo impedisce.hereistay ha scritto:L'accensione delle luci intendo (...)
Dello schemino che ho riportato puoi considerare "Int.I", "Int.E" alloggiati nella stessa scatoletta da incasso(tipo E503, presumo) e raggiunti, rispettivamente, da un filo del contatto di "K".
dipende, forse soddisfa una esigenza, non so, ma in quello schema i due deviatori sui quali si agisce per controllare in manuale le illuminazioni non consentono di commutare tra on e off ma tra on e PIR.djnz ha scritto:Mi pare che lo schema disegnato da lacoontfreed faccia esattamente quanto hai detto, e sono solo due deviatori che scambiano da acceso ad automatico (...)
Saluti
p.s.
come ti pare.hereistay ha scritto:(...) Mi limiterò ad accendere tutte le luci con un deviatore, alla fine parliamo di 2-3 lampadine esterne
W - U.H.F.
-

WALTERmwp
30,2k 4 8 13 - G.Master EY

- Messaggi: 8986
- Iscritto il: 17 lug 2010, 18:42
- Località: le 4 del mattino
1
voti
WALTERmwp ha scritto:in quello schema i due deviatori sui quali si agisce per controllare in manuale le illuminazioni non consentono di commutare tra on e off ma tra on e PIR
Certo, infatti ho scritto che manca parte delle specifiche sullo spegnimento. Per spegnere farei così (con due interruttori bipolari invece che deviatori):
Una domanda ben posta è già mezza risposta.
0
voti
Certo, infatti ho scritto che manca parte delle specifiche sullo spegnimento. Per spegnere farei così (con due interruttori bipolari invece che deviatori)
bella soluzione

0
voti
Con questo schema proposto da
djnz, si può comandare i due relè che, se il PIR da il consenso, accendo le rispettive lampade oppure serve l'intervento manuale sui bipolari per stabilire il comando PIR/Pulsante Ki (secondo me rappresenta quest'ultima opzione)?
⋮ƎlectroYou e ne sai di più!
25 messaggi
• Pagina 2 di 3 • 1, 2, 3
Torna a Impianti, sicurezza e quadristica
Chi c’è in linea
Visitano il forum: Nessuno e 57 ospiti

Elettrotecnica e non solo (admin)
Un gatto tra gli elettroni (IsidoroKZ)
Esperienza e simulazioni (g.schgor)
Moleskine di un idraulico (RenzoDF)
Il Blog di ElectroYou (webmaster)
Idee microcontrollate (TardoFreak)
PICcoli grandi PICMicro (Paolino)
Il blog elettrico di carloc (carloc)
DirtEYblooog (dirtydeeds)
Di tutto... un po' (jordan20)
AK47 (lillo)
Esperienze elettroniche (marco438)
Telecomunicazioni musicali (clavicordo)
Automazione ed Elettronica (gustavo)
Direttive per la sicurezza (ErnestoCappelletti)
EYnfo dall'Alaska (mir)
Apriamo il quadro! (attilio)
H7-25 (asdf)
Passione Elettrica (massimob)
Elettroni a spasso (guidob)
Bloguerra (guerra)








