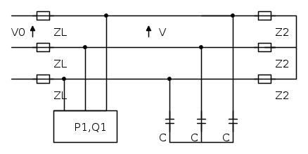
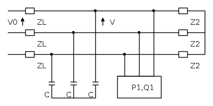
Due carichi trifase sono alimentati alla tensione costante di 380 V. Determinare la capacità del banco di condensatori che occorre inserire, come mostrato in figura, per ottenere un fattore di potenza complessivo pari a cos(phi ')=0,9. Si calcoli, inoltre, la caduta di tensione lungo la linea prima e dopo il rifasamento
[note: V=380 V,P1,Q1,Z2,ZL,f]
Salve ragazzi c'è qualcuno che mi può spiegare come risolvere l' esercizio?
In particolare, nel calcolo della potenza prima del rifasamento devo considerare anche Q1, P1 o solo ciò che ho a valle dei condensatori???
Rifasamento carico sistema trifase
Moderatori:
g.schgor,
IsidoroKZ
14 messaggi
• Pagina 1 di 2 • 1, 2
0
voti
sicuramente dovrai considerare anche il carico a monte del banco condensatori.
anche perché se così non fosse, non mi spiegherei la sua presenza.
in fondo l'esercizio chiede la capacità per un cosφ complessivo di 0,9.
non capisco però perché il banco è interposto tra i due carichi, in fondo vedo che nell'esercizio la tensione V è comune al primo carico, al banco di condensatori e all'ultimo carico.
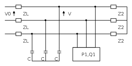
il che significa che per i tuoi scopi, non vedo differenza con questo:
ottimo lo schema in Fidocadj al tuo primo messaggio
la prossima volta però evita di passare con le linee attraverso i componenti, altrimenti le impedenze diventano fusibili, e i condensatori sembrano avere le piastre cortocircuitate
anche perché se così non fosse, non mi spiegherei la sua presenza.
in fondo l'esercizio chiede la capacità per un cosφ complessivo di 0,9.
non capisco però perché il banco è interposto tra i due carichi, in fondo vedo che nell'esercizio la tensione V è comune al primo carico, al banco di condensatori e all'ultimo carico.
il che significa che per i tuoi scopi, non vedo differenza con questo:
ottimo lo schema in Fidocadj al tuo primo messaggio
la prossima volta però evita di passare con le linee attraverso i componenti, altrimenti le impedenze diventano fusibili, e i condensatori sembrano avere le piastre cortocircuitate
0
voti
d'accordo con lillo. Del resto, anche se collegati a valle del primo carico, i condensatori concorrerebbero comunqe al rifasamento dell'intero sistema. Comunque la richiesta del
complessivo dovrebbe essere riferito ad entrambi i carichi.
Tu come lo risolveresti? Posta il tuo procedimento.
Suggerimento: per la caduta di tensione potresti utilizzare la caduta di tensione industriale; in ogni caso ti serve conoscere le potenze totali dei due carichi.
complessivo dovrebbe essere riferito ad entrambi i carichi.GiuseppeMgt ha scritto:...Salve ragazzi c'è qualcuno che mi può spiegare come risolvere l' esercizio?...
Tu come lo risolveresti? Posta il tuo procedimento.
Suggerimento: per la caduta di tensione potresti utilizzare la caduta di tensione industriale; in ogni caso ti serve conoscere le potenze totali dei due carichi.
-

nunziato
4.291 3 9 12 - Master EY

- Messaggi: 531
- Iscritto il: 14 dic 2012, 23:14
- Località: Acri (CS) - Polistena (RC)
0
voti
lillo ha scritto:ottimo lo schema in Fidocadj al tuo primo messaggio![]()
la prossima volta però evita di passare con le linee attraverso i componenti, altrimenti le impedenze diventano fusibili, e i condensatori sembrano avere le piastre cortocircuitate
Grazie mille, la prossima volta farò più attenzione
Tu come lo risolveresti? Posta il tuo procedimento.
Visto i suggerimenti che mi avete dato io affronterei l' esercizio nel seguente modo:
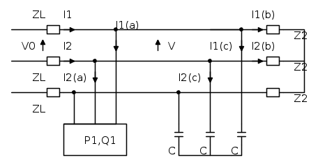
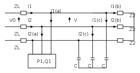
Tgφ= Qtot/Ptot --> Ptot= P1+P(Z2)=P1+3 RE(V*I(Z2)^2), Qtot= Q1 + 3 IM(V*I(Z2)^2)
I(Z2)=V/Z2 (ricordando che il carico è equilibrato e quindi le correnti hanno tutte lo stesso valore efficace sono solo sfasate tra loro di 120 gradi)
Tgφ '= (Q'/Ptot) = [(Qtot-Qc)/Ptot] = [(PTgφ - 3wCV^2)/Ptot]---> C=[P(Tgφ - Tgφ')]/(3wV^2)
Trovati i valori delle C(a stella) per il calcolo della caduta di tensione procederei nel seguente modo:
V-V0 = ZL1I1 - ZL2I2 = (prima del rifasamento) = ZL(I1(a)-I1(b)) - ZL(I2(a)-I2(b))
V-V0 = (dopo il rifasamento ) = ZL(I1(a)-I1(b) - I1(c)) - ZL(I2(a)-I2(b) - I2(c))
Spero di non aver scritto stupidaggini...
-

GiuseppeMgt
5 3 - Messaggi: 8
- Iscritto il: 19 mag 2013, 9:53
0
voti
Sinceramante non ho capito come ti calcoli le correnti
di linea.
Per una migliore comprensione delle formule sarebbe opportuno usassi scriverle in latex
qui un editor on-line basta scrivere l'equazione copiarla e incollarla fra i tag
Per quanto rigurada il calcolo del condensatore di rifasamento se ho ben interpretato le relazioni da te scritte mi sembrano corrette.
di linea.Per una migliore comprensione delle formule sarebbe opportuno usassi scriverle in latex
qui un editor on-line basta scrivere l'equazione copiarla e incollarla fra i tag
- Codice: Seleziona tutto
[tex][/tex]
Per quanto rigurada il calcolo del condensatore di rifasamento se ho ben interpretato le relazioni da te scritte mi sembrano corrette.
-

nunziato
4.291 3 9 12 - Master EY

- Messaggi: 531
- Iscritto il: 14 dic 2012, 23:14
- Località: Acri (CS) - Polistena (RC)
0
voti
nunziato ha scritto:Sinceramante non ho capito come ti calcoli le correntidi linea.
Per una migliore comprensione delle formule sarebbe opportuno usassi scriverle in latex
Per le correnti di linea l' idea era quella di calcolarle come somma delle correnti che si "trovano" nei vari carichi. In questo modo:
prima del rifasamento e
dopo il rifasamento e così via...(con
le correnti che scorrono rispettivamente nel carico di cui conosco
,quello di cui conosco
e il banco dei condensatori)-

GiuseppeMgt
5 3 - Messaggi: 8
- Iscritto il: 19 mag 2013, 9:53
0
voti
poiché hai dovuto calcolare le potenze totali dovute ai due carichi trifase, prima del rifasamento, ti consiglierei di calcolare le correnti tramite le potenze. Se hai
e 
Potresti calcolare il modulo della corrente come
dove
è quello che hai già calcolato come
e da qui la cdt sulle ZL
e 
Potresti calcolare il modulo della corrente come
dove
è quello che hai già calcolato come
e da qui la cdt sulle ZL-

nunziato
4.291 3 9 12 - Master EY

- Messaggi: 531
- Iscritto il: 14 dic 2012, 23:14
- Località: Acri (CS) - Polistena (RC)
0
voti
Perfetto, non ci avevo pensato...
Grazie mille a tutti!
Grazie mille a tutti!

-

GiuseppeMgt
5 3 - Messaggi: 8
- Iscritto il: 19 mag 2013, 9:53
0
voti
lillo ha scritto:sicuramente dovrai considerare anche il carico a monte del banco condensatori.
anche perché se così non fosse, non mi spiegherei la sua presenza.
in fondo l'esercizio chiede la capacità per un cosφ complessivo di 0,9.
non capisco però perché il banco è interposto tra i due carichi, in fondo vedo che nell'esercizio la tensione V è comune al primo carico, al banco di condensatori e all'ultimo carico.
il che significa che per i tuoi scopi, non vedo differenza con questo:
ottimo lo schema in Fidocadj al tuo primo messaggio![]()
la prossima volta però evita di passare con le linee attraverso i componenti, altrimenti le impedenze diventano fusibili, e i condensatori sembrano avere le piastre cortocircuitate
In questo caso, se venisse richiesto il modulo delle correnti di linea prima e dopo il rifasamento, come si dovrebbe procedere?
-

Hamburger00
0 2 - Messaggi: 8
- Iscritto il: 27 ago 2018, 2:15
0
voti
ciao,
i carichi son perfettamente equilibrati, quindi passerei a un equivalente monofase;
calcolerei le correnti assorbite da ogni carico condensatori compresi;
con una semplice KCL ricavi le correnti prima e dopo il banco condensatori, e ne ricavi il modulo.
i carichi son perfettamente equilibrati, quindi passerei a un equivalente monofase;
calcolerei le correnti assorbite da ogni carico condensatori compresi;
con una semplice KCL ricavi le correnti prima e dopo il banco condensatori, e ne ricavi il modulo.
14 messaggi
• Pagina 1 di 2 • 1, 2
Torna a Elettrotecnica generale
Chi c’è in linea
Visitano il forum: Nessuno e 21 ospiti

Elettrotecnica e non solo (admin)
Un gatto tra gli elettroni (IsidoroKZ)
Esperienza e simulazioni (g.schgor)
Moleskine di un idraulico (RenzoDF)
Il Blog di ElectroYou (webmaster)
Idee microcontrollate (TardoFreak)
PICcoli grandi PICMicro (Paolino)
Il blog elettrico di carloc (carloc)
DirtEYblooog (dirtydeeds)
Di tutto... un po' (jordan20)
AK47 (lillo)
Esperienze elettroniche (marco438)
Telecomunicazioni musicali (clavicordo)
Automazione ed Elettronica (gustavo)
Direttive per la sicurezza (ErnestoCappelletti)
EYnfo dall'Alaska (mir)
Apriamo il quadro! (attilio)
H7-25 (asdf)
Passione Elettrica (massimob)
Elettroni a spasso (guidob)
Bloguerra (guerra)



