Cos'è ElectroYou | Login Iscriviti

ElectroYou - la comunità dei professionisti del mondo elettrico

Inversione polarità motore DC

Tecniche per la costruzione e la riparazione di apparecchiature elettriche e non. Ricerca guasti. Adattamenti e riutilizzazioni
0
voti

[1] Inversione polarità motore DC

Messaggioda Foto Utenteangus » 25 mar 2021, 22:13

Salve a tutti,
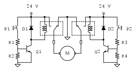
sto tentando di riparare una poltrona con movimento elettrico e necessiterei di invertire la polarità ai capi del motore (24 V DC - 5A) alla pressione di due pulsanti.
Avrei pensato di realizzare una cosa di questo tipo:



Avrei anche pensato di usare:
Transistor Q1=Q2=BC337
Rele' recuperati dalla scheda di controllo originale (la bobina misura circa 1,5Kohm)
Diodi D1=D2=1N4007

Ora, secondo voi:
1) lo schema ha senso? può funzionare? manca qualcosa?
2) la polarizzazione dei transistor è corretta?
3) butto via i transistor e alimento direttamente le bobine dei relè coi pulsanti?

Sono davvero arrugginito :roll: e qualsiasi commento o consiglio è ben accetto!

Grazie in anticipo
in /dev/null no one can hear you scream
Avatar utente
Foto Utenteangus
8.475 4 6 9
G.Master EY
G.Master EY
 
Messaggi: 4168
Iscritto il: 20 giu 2008, 17:25

1
voti

[2] Re: Inversione polarità motore DC

Messaggioda Foto UtenteMax2433BO » 26 mar 2021, 16:07

Se dovessi farlo io, opterei per la soluzione più elettromeccanica possibile, cioè la 3.

In più, al posto dei due pulsanti separati, sceglierei un deviatore a "0" centrale, così sono sicuro che non vengano azionati entrambi i relè per sbaglio.



O_/ Max
Disapprovo quello che dite, ma difenderò fino alla morte il vostro diritto di dirlo [attribuita a Voltaire]

La gentilezza dovrebbe diventare lo stile naturale della vita, non l'eccezione [Siddhārtha Gautama]
Avatar utente
Foto UtenteMax2433BO
18,6k 4 11 13
G.Master EY
G.Master EY
 
Messaggi: 4724
Iscritto il: 25 set 2013, 16:29
Località: Universo - Via Lattea - Sistema Solare - Terzo pianeta...

1
voti

[3] Re: Inversione polarità motore DC

Messaggioda Foto Utentexxxx » 26 mar 2021, 17:55

E comunque anche se vengono azionati due relè per sbaglio non succede niente il motore sta fermo
Avatar utente
Foto Utentexxxx
10 1
CRU - Account cancellato su Richiesta utente
 
Messaggi: 10
Iscritto il: 24 mar 2021, 2:11

1
voti

[4] Re: Inversione polarità motore DC

Messaggioda Foto UtenteMax2433BO » 26 mar 2021, 17:58

Lo so, ma mi sembra più razionale azionare solo il relè utile al movimento del motore.
Disapprovo quello che dite, ma difenderò fino alla morte il vostro diritto di dirlo [attribuita a Voltaire]

La gentilezza dovrebbe diventare lo stile naturale della vita, non l'eccezione [Siddhārtha Gautama]
Avatar utente
Foto UtenteMax2433BO
18,6k 4 11 13
G.Master EY
G.Master EY
 
Messaggi: 4724
Iscritto il: 25 set 2013, 16:29
Località: Universo - Via Lattea - Sistema Solare - Terzo pianeta...

2
voti

[5] Re: Inversione polarità motore DC

Messaggioda Foto UtenteIsidoroKZ » 26 mar 2021, 18:14

Foto Utenteangus, transistori sembrano inutili. Sicuro che la resistenza della bobina sia di 1,5kohm?

Max, direi che anche due pulsanti non diano problemi: se si premono insieme il motore resta fermo, non ci sono cortocircuiti.

Ps: arrivato in ampio ritardo sui due pulsanti, mi sono distratto mentre scrivevo la risposta è non l'ho spedita.
Per usare proficuamente un simulatore, bisogna sapere molta più elettronica di lui
Plug it in - it works better!
Il 555 sta all'elettronica come Arduino all'informatica! (entrambi loro malgrado)
Se volete risposte rispondete a tutte le mie domande
Avatar utente
Foto UtenteIsidoroKZ
121,2k 1 3 8
G.Master EY
G.Master EY
 
Messaggi: 21059
Iscritto il: 17 ott 2009, 0:00

1
voti

[6] Re: Inversione polarità motore DC

Messaggioda Foto Utenteangus » 26 mar 2021, 18:42

eccomi. grazie delle risposte!
Spiego meglio.
L'idea dei transistor l'ho copiata dalla scheda originale, non più riparabile e dal costo esagerato come ricambio.

L'ho guardata un po' e si tratta di un alimentatore switching 24 V con a bordo due relè per l'inversione e un connettore per i due pulsanti esterni "su e giù" (e purtroppo, Foto UtenteMax2433BO devo mantenere quelli altrimenti resta un buco sul divano :lol: )
Così ho ben pensato di cannibalizzare la scheda originale, recuperare i relè, il connettore per i pulsanti e costruire la parte di inversione della polarità da abbinare ad un alimentatore 24 V generico che già ho.

Siccome i pulsantini sono ..ini ..ini e siccome sulla scheda vengono comandati da due piccoli transistor SMD, ho pensato che fosse cosa buona e giusta, senza nemmeno riflettere sulla corrente assorbita dalla bobina, che a conti fatti pare essere veramente poca. Foto UtenteIsidoroKZ, ho verificato anche da datasheet e la bobina dovrebbe essere 1600ohm.
Sono ben felice di semplificare le cose se anche voi mi dite che è ragionevole pilotare direttamente la bobina del relè.
in /dev/null no one can hear you scream
Avatar utente
Foto Utenteangus
8.475 4 6 9
G.Master EY
G.Master EY
 
Messaggi: 4168
Iscritto il: 20 giu 2008, 17:25

0
voti

[7] Re: Inversione polarità motore DC

Messaggioda Foto Utenteangus » 26 mar 2021, 18:54

MaurizioCallegar ha scritto:E comunque anche se vengono azionati due relè per sbaglio non succede niente il motore sta fermo

Infatti :ok: quella era una cosa che avevo valutato
in /dev/null no one can hear you scream
Avatar utente
Foto Utenteangus
8.475 4 6 9
G.Master EY
G.Master EY
 
Messaggi: 4168
Iscritto il: 20 giu 2008, 17:25

0
voti

[8] Re: Inversione polarità motore DC

Messaggioda Foto Utenteedgar » 26 mar 2021, 21:07

angus ha scritto:Siccome i pulsantini sono ..ini ..ini

Magari a lungo termine il carico induttivo potrebbe dare problemi di contatto incerto. Si spiegherebbero i due transistor.
Avatar utente
Foto Utenteedgar
10,0k 4 5 8
Master
Master
 
Messaggi: 5229
Iscritto il: 15 set 2012, 22:59

0
voti

[9] Re: Inversione polarità motore DC

Messaggioda Foto Utenteangus » 27 mar 2021, 19:14

Ok.
Volendo tornare all'idea iniziale, lo schema che ho proposto ha senso? Fareste delle modifiche?
in /dev/null no one can hear you scream
Avatar utente
Foto Utenteangus
8.475 4 6 9
G.Master EY
G.Master EY
 
Messaggi: 4168
Iscritto il: 20 giu 2008, 17:25

0
voti

[10] Re: Inversione polarità motore DC

Messaggioda Foto Utenteedgar » 27 mar 2021, 21:06

Lo schema iniziale è corretto, devi solo far sì che il transistor sia ben saturato. Il BC337 è dato per VCE 45 V, lavorando con 24 V siamo comodi ma se hai un transistor da 60 V, male non fa.
Avatar utente
Foto Utenteedgar
10,0k 4 5 8
Master
Master
 
Messaggi: 5229
Iscritto il: 15 set 2012, 22:59

Prossimo

Torna a Costruzione, riparazione, riutilizzo

Chi c’è in linea

Visitano il forum: Nessuno e 23 ospiti