Riparazione scheda elettronica graffatrice DN 418 Black & de
49 messaggi
• Pagina 3 di 5 • 1, 2, 3, 4, 5
0
voti
se con il circuito da te disegnato metteresti la spina nella presa sentiresti uno
schioppo che te lo ricorderesti per sempre, ti avevo mandato un link per testare l'SCR o triac ma non credo che lo hai fatto, ti ho suggerito di scaricare FIDOCADJ che oltretutto è gratuito ma tu il disegno lo hai fatto con un altro programma, se uno cerca aiuto deve ascoltare e mettere in pratica ciò che gli viene consigliato, se non riesci a fare cose così semplici diventa difficile andare avanti, anche perché non vogliamo che tu ti faccia male.
-

elektronik
7.800 4 6 7 - Master

- Messaggi: 3836
- Iscritto il: 12 mag 2015, 22:26
0
voti
grazie elektronik
ho fatto il diagramma con fidocad
ho fatto il diagramma con fidocad
0
voti
elektronik ha scritto:ti avevo mandato un link per testare l'SCR o triac ma non credo che lo hai fatto
ma l'SCR o TRIAC l'ho già testato c'è scritto all'inizio lo riscrivo
pin1 pin2 aperto (in entrambi i versi)
pin1 pin3 67 ohm (in entrambi i versi)
pin2 pin3 aperto (in entrambi i versi)
aggiungo puntale rosso sul pin 2 e puntale nero sul pin 1 facendo contatto con una pinzetta dal 2 al pin 3 mi dà conduzione e se tolgo la pinzetta cessa la conduzione[/b]
ho provato a caricarlo con l'estensione .fcd ma non è permesso quindi l'ho convertito in jpg
Ultima modifica di
schioppo il 6 apr 2021, 10:29, modificato 1 volta in totale.
0
voti
Per includere lo schema basta includerne il codice in quanto c'è un fidocad anche qui sul sito.
Quindi vai sullo schematico che hai disegnato in fidocad, selezionalo tutto (CTRL+A), tasto dx copia (o CTRL+C) e ora hai copiato il codice.
Per includerlo nel messaggio ora basta incollarlo all'interno dei tag
Quindi vai sullo schematico che hai disegnato in fidocad, selezionalo tutto (CTRL+A), tasto dx copia (o CTRL+C) e ora hai copiato il codice.
Per includerlo nel messaggio ora basta incollarlo all'interno dei tag
- Codice: Seleziona tutto
[fcd][/fcd]
0
voti
grazie Pioz lo rimetto con 'estensione fcd
0
voti
ricarico la scheda PCB con allegato
dove c'e la S sono le piazzole per i cavi che vanno al solenoide
dove c'e la S sono le piazzole per i cavi che vanno al solenoide
1
voti
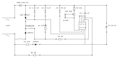
Mi sembra che il disegno sia ancora sbagliato, per capire la disposizione dei pin di un 'integrato va guardato da sopra e il piedino 1 e a sinistra e spesso e segnato da un puntino, quindi semprerebbe che il pin 1 va al posto del pin 8
- Allegati
-
- IC-555-Pinout.gif (3.85 KiB) Osservato 5421 volte
-

elektronik
7.800 4 6 7 - Master

- Messaggi: 3836
- Iscritto il: 12 mag 2015, 22:26
1
voti
Hai ragione,ci avevo anche scommesso ! In effetti io gli avevo chiesto come aveva fatto a fare la numerazione dei pin, ma non c'è stata risposta!!
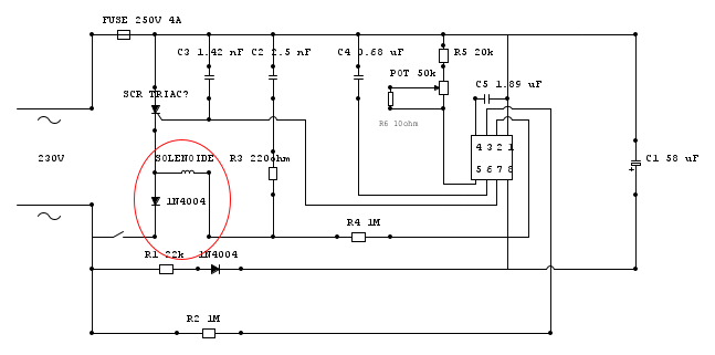
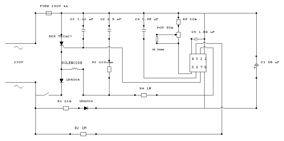
Comunque lo schema credo che non sia corretto, deve riguardare dove ho cerchiato in rosso:
Comunque lo schema credo che non sia corretto, deve riguardare dove ho cerchiato in rosso:
Alex
https://www.facebook.com/Elettronicaeelettrotecnica
<< vedi di pigliare arditamente in mano, il dizionario che ti suona in bocca,
se non altro è schietto e paesano.
(Giuseppe Giusti) <<
https://www.facebook.com/Elettronicaeelettrotecnica
<< vedi di pigliare arditamente in mano, il dizionario che ti suona in bocca,
se non altro è schietto e paesano.
(Giuseppe Giusti) <<
0
voti
è una immagine riflessa in orizzontale del PCB l'ho fatta così perche si vedono i componenti nello stesso modo della parte superiore
questa è l'originale non riflessa in orizzontale
ok controllo la parte del solenoide grazie
questa è l'originale non riflessa in orizzontale
ok controllo la parte del solenoide grazie
0
voti
schioppo ha scritto:è una immagine riflessa in orizzontale del PCB l'ho fatta così perche si vedono i componenti nello stesso modo della parte superiore
E' un'immagine sbagliata come vedi anche te i pin non tornano!
Alex
https://www.facebook.com/Elettronicaeelettrotecnica
<< vedi di pigliare arditamente in mano, il dizionario che ti suona in bocca,
se non altro è schietto e paesano.
(Giuseppe Giusti) <<
https://www.facebook.com/Elettronicaeelettrotecnica
<< vedi di pigliare arditamente in mano, il dizionario che ti suona in bocca,
se non altro è schietto e paesano.
(Giuseppe Giusti) <<
49 messaggi
• Pagina 3 di 5 • 1, 2, 3, 4, 5
Torna a Costruzione, riparazione, riutilizzo
Chi c’è in linea
Visitano il forum: Nessuno e 11 ospiti

Elettrotecnica e non solo (admin)
Un gatto tra gli elettroni (IsidoroKZ)
Esperienza e simulazioni (g.schgor)
Moleskine di un idraulico (RenzoDF)
Il Blog di ElectroYou (webmaster)
Idee microcontrollate (TardoFreak)
PICcoli grandi PICMicro (Paolino)
Il blog elettrico di carloc (carloc)
DirtEYblooog (dirtydeeds)
Di tutto... un po' (jordan20)
AK47 (lillo)
Esperienze elettroniche (marco438)
Telecomunicazioni musicali (clavicordo)
Automazione ed Elettronica (gustavo)
Direttive per la sicurezza (ErnestoCappelletti)
EYnfo dall'Alaska (mir)
Apriamo il quadro! (attilio)
H7-25 (asdf)
Passione Elettrica (massimob)
Elettroni a spasso (guidob)
Bloguerra (guerra)




