Esercizio matrice delle conduttanze
Moderatori:
g.schgor,
IsidoroKZ
17 messaggi
• Pagina 1 di 2 • 1, 2
0
voti
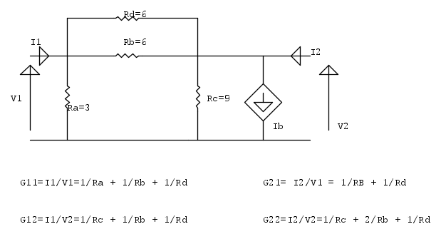
manca Ib
-

PietroBaima
90,7k 7 12 13 - G.Master EY

- Messaggi: 12206
- Iscritto il: 12 ago 2012, 1:20
- Località: Londra
0
voti
Vuoi dire quindi che Ib è quella che scorre in Rb? Con che verso?
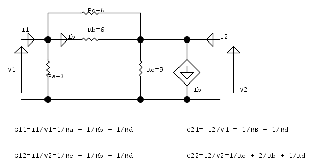
Devi sempre indicare sullo schema il pilota.
Inoltre mancano i pallini sui nodi.
Devi sempre indicare sullo schema il pilota.
Inoltre mancano i pallini sui nodi.
-

PietroBaima
90,7k 7 12 13 - G.Master EY

- Messaggi: 12206
- Iscritto il: 12 ago 2012, 1:20
- Località: Londra
0
voti
Questo è lo schema completo della traccia
0
voti
Dunque, se scrivo la somma delle correnti al nodo di Ga ottengo:

mentre al nodo di uscita noto che le due Ib si semplificano e quindi scrivo:

Per ottenere G11 e G21 devo porre V2=0, cioè ho


da cui dovrei avere


mentre per ottenere G12 e G22 devo porre V1=0, cioè ho


da cui dovrei avere


A meno che non abbia fatto uno dei miei soliti errori scemi

mentre al nodo di uscita noto che le due Ib si semplificano e quindi scrivo:

Per ottenere G11 e G21 devo porre V2=0, cioè ho


da cui dovrei avere


mentre per ottenere G12 e G22 devo porre V1=0, cioè ho


da cui dovrei avere


A meno che non abbia fatto uno dei miei soliti errori scemi
-

PietroBaima
90,7k 7 12 13 - G.Master EY

- Messaggi: 12206
- Iscritto il: 12 ago 2012, 1:20
- Località: Londra
0
voti
perché dovrebbe?
-

PietroBaima
90,7k 7 12 13 - G.Master EY

- Messaggi: 12206
- Iscritto il: 12 ago 2012, 1:20
- Località: Londra
0
voti
Il modo più semplice per risolverlo è applicare un generatore unitario a V1, cortocircuitando V2.
I1 ed I2 risultanti sono numericamente uguali a
e
.
Poi con V2=i e v1 cortocircuitati si ricavano
e
.
I1 ed I2 risultanti sono numericamente uguali a
e
.Poi con V2=i e v1 cortocircuitati si ricavano
e
.
17 messaggi
• Pagina 1 di 2 • 1, 2
Torna a Elettrotecnica generale
Chi c’è in linea
Visitano il forum: Nessuno e 9 ospiti

Elettrotecnica e non solo (admin)
Un gatto tra gli elettroni (IsidoroKZ)
Esperienza e simulazioni (g.schgor)
Moleskine di un idraulico (RenzoDF)
Il Blog di ElectroYou (webmaster)
Idee microcontrollate (TardoFreak)
PICcoli grandi PICMicro (Paolino)
Il blog elettrico di carloc (carloc)
DirtEYblooog (dirtydeeds)
Di tutto... un po' (jordan20)
AK47 (lillo)
Esperienze elettroniche (marco438)
Telecomunicazioni musicali (clavicordo)
Automazione ed Elettronica (gustavo)
Direttive per la sicurezza (ErnestoCappelletti)
EYnfo dall'Alaska (mir)
Apriamo il quadro! (attilio)
H7-25 (asdf)
Passione Elettrica (massimob)
Elettroni a spasso (guidob)
Bloguerra (guerra)


pigreco]=π
per questo poi ho messo
, è un errore?
