Salve a tutti,
ho una batteria al pimbo-acido PB 12V-1.2AH... ho trovato questo circuito può andar bene?
https://it.aliexpress.com/item/1005002259575012.html?src=google&albch=shopping&acnt=708-803-3821&isdl=y&slnk=&plac=&mtctp=&albbt=Google_7_shopping&aff_platform=google&aff_short_key=UneMJZVf&&albagn=888888&isSmbAutoCall=false&needSmbHouyi=false&albcp=9599454372&albag=98571474866&trgt=374448549250&crea=it1005002259575012&netw=u&device=c&albpg=374448549250&albpd=it1005002259575012&gclid=EAIaIQobChMIma3hkarf7wIVBs53Ch1bawDZEAQYDCABEgInFfD_BwE&gclsrc=aw.ds
Volendolo realizzare un circuito ad hoc per questa batteria mi indicate uno schema da seguire... grazie.
Caricabatteria
Moderatori:
carloc,
g.schgor,
BrunoValente,
IsidoroKZ
15 messaggi
• Pagina 1 di 2 • 1, 2
0
voti
Questo è analogico ma è automatico e può caricare di tutto, basta adattarlo...
-

gianniniivo
9.035 7 11 13 - No Rank
- Messaggi: 2874
- Iscritto il: 5 feb 2019, 23:50
0
voti
Atomo ha scritto:Volendolo realizzare un circuito ad hoc per questa batteria mi indicate uno schema da seguire...
Che uso farai della batteria?
In una serratura elettronica tengo carica la stessa batteria con una semplice resistenza di qualche kohm in serie all'alimentatore
0
voti
La batteria andrebbe caricata a circa 120mA.
La tensione andrebbe limitata a 13. 5 V se è di quelle stagne (pb-gel) sempre sotto carica (tampone) .
Penso che vada bene qualsiasi carica batterie purché risponda alle specifiche.
Altrimenti basta un Lm317 o un 7812 e poche altri componenti.
Ciao
La tensione andrebbe limitata a 13. 5 V se è di quelle stagne (pb-gel) sempre sotto carica (tampone) .
Penso che vada bene qualsiasi carica batterie purché risponda alle specifiche.
Altrimenti basta un Lm317 o un 7812 e poche altri componenti.
Ciao
600 Elettra
1
voti
ho una batteria al piombo-acido PB 12V-1.2AH... ho trovato questo circuito può andar bene?
1,2AH volevi scrivere 7,2 ??
AH ampere henry ? volevi scrivere Ah ampere ora ?
12V-1.2AH si deve inserire uno spazio fra valore e unità di misura: 12 V - 1,2 Ah
0
voti
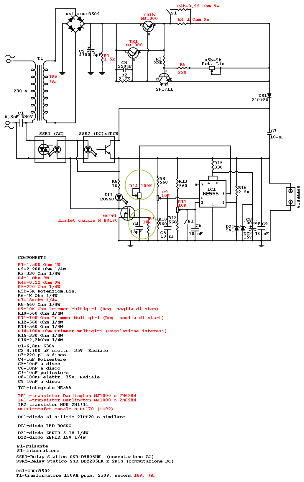
Salve a tutti,
per caricare la batteria al piombo 12V - 1,2Ah
ho trovato questo schema molto semplice e senza tante pretese... che ne pensate?
con il trimmer V1 ho regolato la tensione di carica a 13,7V come indicato sulla batteria....
3 domande:
la batteria deve essere staccata quando regolo la tensione di carica?
il led L2 si accende quando la batteria è carica o scarica?
l'alimentatore per LM317 va bene da 15V?
grazie.
per caricare la batteria al piombo 12V - 1,2Ah
ho trovato questo schema molto semplice e senza tante pretese... che ne pensate?
con il trimmer V1 ho regolato la tensione di carica a 13,7V come indicato sulla batteria....
3 domande:
la batteria deve essere staccata quando regolo la tensione di carica?
il led L2 si accende quando la batteria è carica o scarica?
l'alimentatore per LM317 va bene da 15V?
grazie.
0
voti
la batteria deve essere staccata quando regolo la tensione di carica?
Dove misuri la tensione ?
Forse è meglio, potrebbe essere molto scarica o in corto circuito
il led L2 si accende quando la batteria è carica o scarica?
Si
l'alimentatore per LM317 va bene da 15V? Non lo so. Poi sono 15 V minimi ?
Aumenterei R5 da 15 ad almeno 150 ohm
se C5 sono 100 nF , metterei 100 uF
Se ridisegni lo schema in fidocadj, si potrebbe modificarlo per migliorarlo
Dove misuri la tensione ?
Forse è meglio, potrebbe essere molto scarica o in corto circuito
il led L2 si accende quando la batteria è carica o scarica?
Si
l'alimentatore per LM317 va bene da 15V? Non lo so. Poi sono 15 V minimi ?
Aumenterei R5 da 15 ad almeno 150 ohm
se C5 sono 100 nF , metterei 100 uF
Se ridisegni lo schema in fidocadj, si potrebbe modificarlo per migliorarlo
15 messaggi
• Pagina 1 di 2 • 1, 2
Chi c’è in linea
Visitano il forum: Google Adsense [Bot] e 207 ospiti

Elettrotecnica e non solo (admin)
Un gatto tra gli elettroni (IsidoroKZ)
Esperienza e simulazioni (g.schgor)
Moleskine di un idraulico (RenzoDF)
Il Blog di ElectroYou (webmaster)
Idee microcontrollate (TardoFreak)
PICcoli grandi PICMicro (Paolino)
Il blog elettrico di carloc (carloc)
DirtEYblooog (dirtydeeds)
Di tutto... un po' (jordan20)
AK47 (lillo)
Esperienze elettroniche (marco438)
Telecomunicazioni musicali (clavicordo)
Automazione ed Elettronica (gustavo)
Direttive per la sicurezza (ErnestoCappelletti)
EYnfo dall'Alaska (mir)
Apriamo il quadro! (attilio)
H7-25 (asdf)
Passione Elettrica (massimob)
Elettroni a spasso (guidob)
Bloguerra (guerra)






