Cos'è ElectroYou | Login Iscriviti

ElectroYou - la comunità dei professionisti del mondo elettrico

Esercizio oscillatore a rilassamento cmos

Elettronica lineare e digitale: didattica ed applicazioni

Moderatori: Foto Utentecarloc, Foto Utenteg.schgor, Foto UtenteBrunoValente, Foto UtenteIsidoroKZ

0
voti

[11] Re: Esercizio oscillatore a rilassamento cmos

Messaggioda Foto Utenteboiler » 27 giu 2021, 10:45

Sei sulla buona strada, ma definisci cos'è Vc prima di tirarla in ballo ;-)
Nel momento della commutazione che ho schizzato sopra dobbiamo avere Vm- all'ingresso del primo inverter (e quindi in A).

Una frazioni si secondo minuscola dopo la commutazione siamo in questa condizione:


Ovviamente non è una situazione stabile: ci sarà corrente che scorre attraverso la resistenza verso il condensatore. Visto che il ramo del circuito che torna all'ingresso del primo inverter vede un'impedenza d'ingresso infinita, lì di corrente non ne scorre e possiamo ignorarlo per i nostri calcoli.

L'esercizio che devi risolvere si semplifica quindi a questo:


EDIT: corretto strafalcione segnalato sotto.

Boiler
Avatar utente
Foto Utenteboiler
26,4k 5 9 13
G.Master EY
G.Master EY
 
Messaggi: 5602
Iscritto il: 9 nov 2011, 12:27

0
voti

[12] Re: Esercizio oscillatore a rilassamento cmos

Messaggioda Foto UtenteRoswell1947 » 27 giu 2021, 10:55

Si in effetti intendevo Va..ho sbagliato a scrivere.Per Vc intendo Vc=Vy-Va
Avatar utente
Foto UtenteRoswell1947
89 1 3 8
Stabilizzato
Stabilizzato
 
Messaggi: 438
Iscritto il: 10 feb 2020, 16:39

0
voti

[13] Re: Esercizio oscillatore a rilassamento cmos

Messaggioda Foto Utentedjnz » 27 giu 2021, 11:00

boiler ha scritto:Una frazioni si secondo minuscola dopo la commutazione siamo in questa condizione:

Nell'istante della commutazione 3V→0V di Y, in Va non si avrebbero -2V ?
Una domanda ben posta è già mezza risposta.
Avatar utente
Foto Utentedjnz
1.590 1 4 7
Master
Master
 
Messaggi: 708
Iscritto il: 26 lug 2020, 14:52

0
voti

[14] Re: Esercizio oscillatore a rilassamento cmos

Messaggioda Foto UtenteEnChamade » 27 giu 2021, 11:20

djnz ha scritto:Nell'istante della commutazione 3V→0V di Y, in Va non si avrebbero -2V ?

Si. E aspetta di vedere dove si porta quella tensione quando hai la commutazione opposta di Y. :mrgreen: :mrgreen:
Avatar utente
Foto UtenteEnChamade
6.498 2 8 12
G.Master EY
G.Master EY
 
Messaggi: 588
Iscritto il: 18 giu 2009, 12:00
Località: Padova - Feltre

0
voti

[15] Re: Esercizio oscillatore a rilassamento cmos

Messaggioda Foto UtenteRoswell1947 » 27 giu 2021, 11:29

Non ci sto capendo più nulla..boiler potresti gentilmente descrivere come evolve il circuito step by step partendo dal primo stato in funzione delle soglie vm- e vm+?il mio problema è durante le transizioni...
Avatar utente
Foto UtenteRoswell1947
89 1 3 8
Stabilizzato
Stabilizzato
 
Messaggi: 438
Iscritto il: 10 feb 2020, 16:39

0
voti

[16] Re: Esercizio oscillatore a rilassamento cmos

Messaggioda Foto Utenteboiler » 27 giu 2021, 11:33

djnz ha scritto:Nell'istante della commutazione 3V→0V di Y, in Va non si avrebbero -2V ?

Sì, hai ragione, non siamo vincolati al riferimento, mi sono sbagliato.

Boiler
Avatar utente
Foto Utenteboiler
26,4k 5 9 13
G.Master EY
G.Master EY
 
Messaggi: 5602
Iscritto il: 9 nov 2011, 12:27

0
voti

[17] Re: Esercizio oscillatore a rilassamento cmos

Messaggioda Foto Utenteboiler » 27 giu 2021, 11:37

Roswell1947 ha scritto:boiler potresti gentilmente descrivere come evolve il circuito step by step partendo dal primo stato in funzione delle soglie vm- e vm+?

Questo è il tuo compito. Ti aiutiamo volentieri, ma devi metterci del tuo!

Boiler
Avatar utente
Foto Utenteboiler
26,4k 5 9 13
G.Master EY
G.Master EY
 
Messaggi: 5602
Iscritto il: 9 nov 2011, 12:27

1
voti

[18] Re: Esercizio oscillatore a rilassamento cmos

Messaggioda Foto Utentedjnz » 27 giu 2021, 12:01

EnChamade ha scritto:Si. E aspetta di vedere dove si porta quella tensione quando hai la commutazione opposta di Y. :mrgreen: :mrgreen:

Appunto, io in questi casi (per la gioia dei compagni) facevo saltare i temi in classe per incompletezza o inconsistenza logica delle specifiche :twisted:

Lo schema è incompleto, e senza sapere se ci si aspetta un comportamento reale (con diodi clamp sugli ingressi) o ideale (con porta che accetta tensioni ampiamente eccedenti l'alimentazione) per me l'esercizio non può essere svolto.

Oppure si presentano entrambe le soluzioni dicendo al prof di scegliere quella che gli pare... e che la prossima volta sia più preciso :mrgreen:

Roswell1947 ha scritto:descrivere come evolve il circuito step by step partendo dal primo stato in funzione delle soglie vm- e vm+?

Riferendoti al circuito con gli switch, puoi partire da quella posizione iniziale (e hai la tensione riferita a massa sulla resistenza) o da quella opposta, e hai la tensione riferita a massa sul condensatore. Nel momento in cui commuti gli switch il condensatore è una piccola "pila" carica, quindi se un capo è collegato a VDD o GND (tramite lo switch) l'altro capo si viene a trovare a una tensione minore o maggiore di VDD/GND a seconda di come risulta carico.

E qui nasce il problema detto prima sull'incompletezza dello schema... dobbiamo considerare quei diodi presenti oppure no ?^! ?^! ?^! O ci aggiungiamo la resistenza che manca ?^! ?^! ?^!
Ultima modifica di Foto Utentedjnz il 27 giu 2021, 12:07, modificato 1 volta in totale.
Una domanda ben posta è già mezza risposta.
Avatar utente
Foto Utentedjnz
1.590 1 4 7
Master
Master
 
Messaggi: 708
Iscritto il: 26 lug 2020, 14:52

0
voti

[19] Re: Esercizio oscillatore a rilassamento cmos

Messaggioda Foto UtenteEtemenanki » 27 giu 2021, 12:06

djnz ha scritto:...
Lo schema è incompleto, e senza sapere se ci si aspetta un comportamento reale (con diodi clamp sugli ingressi) o ideale (con porta che accetta tensioni ampiamente eccedenti l'alimentazione) per me l'esercizio non può essere svolto.
...


Basta specificarlo nella risposta, dicendo che ci si riferisce a componenti reali (con i diodi) oppure no :mrgreen:

O meglio ancora fornire, come dici, entrambe le risposte, dimostrando cosi di essere di pensiero creativo ;-)
"Sopravvivere" e' attualmente l'unico lusso che la maggior parte dei Cittadini italiani,
sia pure a costo di enormi sacrifici, riesce ancora a permettersi.
Avatar utente
Foto UtenteEtemenanki
9.517 3 6 10
Master
Master
 
Messaggi: 5940
Iscritto il: 2 apr 2021, 23:42
Località: Dalle parti di un grande lago ... :)

3
voti

[20] Re: Esercizio oscillatore a rilassamento cmos

Messaggioda Foto UtenteEnChamade » 27 giu 2021, 12:08

Per studiare questo tipo di circuiti, si utilizza sempre lo steso metodo.

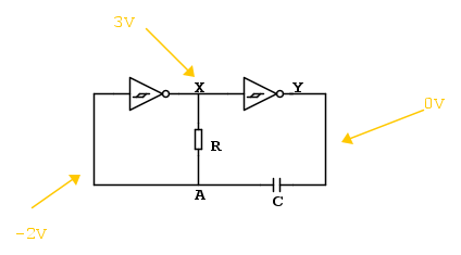
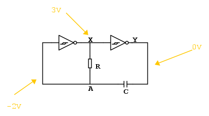
Prima di tutto occorre determinare quale è la tensione che determina tutte le tempistiche delle commutazioni all'interno del circuito. In questo caso, è evidente che sia V_A in quanto V_X e V_Y per ipotesi di commutazione istantanea dell'esercizio sono vincolate fra loro dal secondo invertitore e V_X è vincolata "istantaneamente" a V_A dal primo invertitore.

Secondo, una volta appurato che la tensione chiave del circuito è V_A, occorre capire a quali livelli di tensione questa produce una commutazione. Nel caso in esame, avendo gli invertitori con due soglie è evidente che i livelli di tensione importanti sono due. V_{M+} se V_A sta crescendo, V_{M-} se V_A sta scendendo.

Terzo, per effettuare lo studio di come le varie tensioni evolvono a regime occorre partire SEMPRE in prossimità di uno di questi livelli di tensione importanti. Se si sceglie arbitrariamente la tensione con cui partire o il segnale dipartenza, si rischia di fare l'analisi anche del transitorio di accensione. :mrgreen: :mrgreen: :mrgreen: In questo caso, io parto (ma non è obbligatorio) considerando il caso di V_A in crescita e quindi nei pressi della soglia di commutazione V_{M+}. In questo caso, quindi il mio t=0 è proprio V_A=V_{M+}. Per t=0^- la situazione è la seguente:

dove è chiaro che la tensione ai capi del condensatore sarà V_{M+}-\epsilon, con \epsilon piccolo a piacere.
All'istantet=0^+ le cose cambiano, perché nel frattempo la tensione V_A sale ad un valore V_{M+}+\epsilon. Il condensatore mantiene la sua carica (poverino, non la può mica far sparire) ma tutte le porte commutano. V_A sarà quindi ottenuta dalla somma della tensione del condensatore e di V_Y. Otteniamo quindi

Bene, questo è il primo passo. Ora come procederesti?
Avatar utente
Foto UtenteEnChamade
6.498 2 8 12
G.Master EY
G.Master EY
 
Messaggi: 588
Iscritto il: 18 giu 2009, 12:00
Località: Padova - Feltre

PrecedenteProssimo

Torna a Elettronica generale

Chi c’è in linea

Visitano il forum: Google [Bot] e 57 ospiti