Ho la necessità di realizzare un piccolo circuito. Prima di dare fuoco a casa vorrei che qualcuno con un po' di esperienza me lo validasse.
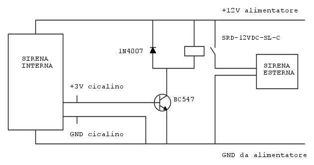
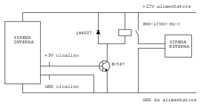
Di recente ho acquistato un sistema di allarme wireless, il produttore dell'allarme non ha previsto una sirena esterna ma solo una sirena interna "moderatamente rumorosa". Ho smontato la sirena ed individuato i 2 cavi che alimentano il cicalino, allo scattare dell'allarme una tensione di 3V in continua attraverso questi cavi attivano il cicalino. La mia idea e di collegare in parallelo al cicalino un relè che alimenti una sirena esterna. Dato che la sirena interna, oltre che a batterie, può essere alimentata a 12V, pensavo di usare 12V anche per quella esterna.
Di seguito riporto lo schema elettrico a cui sono giunto (ho avuto qualche problema con Fidocad, spero di non aver fatto un obbrobrio):
Il modello del transistor e del diodo derivano da un paio di guide che ho trovato su internet mentre quello del relè l'ho scelto perché facilmente reperibile.
Circuito per controllo sirena allarme tramite relè
Moderatori:
carloc,
g.schgor,
BrunoValente,
IsidoroKZ
17 messaggi
• Pagina 1 di 2 • 1, 2
0
voti
array81 ha scritto: ho acquistato un sistema di allarme wireless, il produttore dell'allarme non ha previsto una sirena esterna ma solo una sirena interna "moderatamente rumorosa"
ma questo "sistema di allarme" non ha un contatto ausiliario da poter utilizzare ?I circuiti sono controcorrente. Seguono sempre la massa
-Per rispondere utilizza il tasto [RISPONDI] e non il tasto [CITA], grazie.-
-Per rispondere utilizza il tasto [RISPONDI] e non il tasto [CITA], grazie.-
0
voti
No. Ho chiesto al produttore e non lo ha al momento. Il fatto é che é prodotto dallo stesso produttore del mio sistema di videosorveglianza e si integra bene con questo. Per questo motivo l'ho scelto. Come detto ho chiesto via mail e mi é stato risposto che al momento non c'è (non si tratta di un prodotto "professionale" ovviamente)
0
voti
Quanto corrente assorbe la bobina del relè che intendi usare?
Sei sicuro che al cicalino arrivino 3 Vdc?
Se alimenti il cicalino con 3 Vdc (2 pile stilo o mini stilo in serie), suona?
Sei sicuro che al cicalino arrivino 3 Vdc?
Se alimenti il cicalino con 3 Vdc (2 pile stilo o mini stilo in serie), suona?
0
voti
Dopo che hai seguito e risposto a quello che ti hanno chiesto, valuterei la possibilità di mettere una batteria autonoma per la sirena e fare in modo che anche tagliando i fili di collegamento, questa suoni.
Alex
https://www.facebook.com/Elettronicaeelettrotecnica
<< vedi di pigliare arditamente in mano, il dizionario che ti suona in bocca,
se non altro è schietto e paesano.
(Giuseppe Giusti) <<
https://www.facebook.com/Elettronicaeelettrotecnica
<< vedi di pigliare arditamente in mano, il dizionario che ti suona in bocca,
se non altro è schietto e paesano.
(Giuseppe Giusti) <<
0
voti
Intanto grazie per le risposte.
In merito alla batteria tampone, ci avevo già pensato. Molte sirene esterne già la integrano anche se fino ad ora ho trovato solo sirene a 220 V con batteria, immagino che cercando meglio si trovino anche a 12V.
Il cicalino è alimentato a 3V, li ho misurati io con un tester facendo scattare l'allarme.
In merito al relè, leggendo il datasheet, mi pare di capire che assorba 30mA. Correggetemi se sbaglio dato che non leggo questa roba tutti i giorni.
La sirena da interno che ho viene alimentata da 4 batterie CR123A 3V ma ha la possibilità di essere alimentata dall'esterno a 12V anche se non ho ben capito se alimentandola dall'esterno e inserendo le batterie quest'ultime vengano usate o meno solo come batterie tampone, nel senso che vengano usate (e quindi si scaricano) soltanto in mancanza dei 12V. Ho fatto una domanda all'assistenza a riguardo ma ancora non ho avuto risposta visto il periodo. Garantiscono la durata delle batterie un anno e mezzo ed in ogni caso vengo avvertito dall'app quando c'è bisogno di sostituirle. Ripeto, non è un gran prodotto ma per il mio uso funziona bene. Ho infatti già delle telecamere a casa mi piaceva l'idea dell'integrazione con quest'ultime. Se riesco a mettere una sirena esterna meglio altrimenti mi faccio bastare quella di interno.
In merito alla batteria tampone, ci avevo già pensato. Molte sirene esterne già la integrano anche se fino ad ora ho trovato solo sirene a 220 V con batteria, immagino che cercando meglio si trovino anche a 12V.
Il cicalino è alimentato a 3V, li ho misurati io con un tester facendo scattare l'allarme.
In merito al relè, leggendo il datasheet, mi pare di capire che assorba 30mA. Correggetemi se sbaglio dato che non leggo questa roba tutti i giorni.
La sirena da interno che ho viene alimentata da 4 batterie CR123A 3V ma ha la possibilità di essere alimentata dall'esterno a 12V anche se non ho ben capito se alimentandola dall'esterno e inserendo le batterie quest'ultime vengano usate o meno solo come batterie tampone, nel senso che vengano usate (e quindi si scaricano) soltanto in mancanza dei 12V. Ho fatto una domanda all'assistenza a riguardo ma ancora non ho avuto risposta visto il periodo. Garantiscono la durata delle batterie un anno e mezzo ed in ogni caso vengo avvertito dall'app quando c'è bisogno di sostituirle. Ripeto, non è un gran prodotto ma per il mio uso funziona bene. Ho infatti già delle telecamere a casa mi piaceva l'idea dell'integrazione con quest'ultime. Se riesco a mettere una sirena esterna meglio altrimenti mi faccio bastare quella di interno.
0
voti
array81 ha scritto:In merito al relè, leggendo il datasheet, mi pare di capire che assorba 30mA. Correggetemi se sbaglio dato che non leggo questa roba tutti i giorni.
Esatto.
array81 ha scritto:Il cicalino è alimentato a 3V, li ho misurati io con un tester facendo scattare l'allarme.
Immaginavo, per questo ti ho detto di provare ad alimentarlo con due batterie in serie, anzi prima prova con una sola.
Bisogna capire se il cicalino in questione ha l' oscillatore integrato o se quei 3 V che misuri siano in realtà una qualche forma d' onda alla frequenza della nota che il cicalino emette.
Comunque, nel caso fossero 3 Vdc, io aggiungerei un resistore in base al transistor, e da un occhiata al datasheet e un rapido calcolo direi che 2,2 kohm potrebbero andare bene.
0
voti
Bisognerebbe anche capire se il cicalino ha effettivamente un terminale collegato a GND, perché i 3V ai suoi capi non è detto che siano 3V rispetto al GND del transistor. Quindi la misura andrebbe rifatta tra GND e un capo del cicalino, e poi tra GND e l'altro capo.
Una domanda ben posta è già mezza risposta.
0
voti
Quest'ultima cosa non l'ho ben capita. Sulla scheda della sirena c'è un connettore, mi pare un PH2.0, a 2 cavi che vanno a quello che io chiamo cicalino (probabilmente non è il termine tecnico). Io ho staccato il connettore quindi misurata la tensioni sui 2 pin a cui si attacca il connettore. In condizioni normali misuro 0V mentre se faccio scattare l'allarme misuro 3V. Appena posso (se riesco anche in serata) vedo di provare a far suonare il cicalino tramite batteria e poi vi faccio sapere.
0
voti
Visto che il transistor "sente" una tensione riferita a GND (dove è collegato l'emettitore), non conta tanto la tensione ai capi del cicalino, ma quella rispetto a GND. Bisogna misurare tra i due terminali del connettore del cicalino e GND per vedere se c'è una tensione valida per il transistor.
Una domanda ben posta è già mezza risposta.
17 messaggi
• Pagina 1 di 2 • 1, 2
Chi c’è in linea
Visitano il forum: Nessuno e 35 ospiti

Elettrotecnica e non solo (admin)
Un gatto tra gli elettroni (IsidoroKZ)
Esperienza e simulazioni (g.schgor)
Moleskine di un idraulico (RenzoDF)
Il Blog di ElectroYou (webmaster)
Idee microcontrollate (TardoFreak)
PICcoli grandi PICMicro (Paolino)
Il blog elettrico di carloc (carloc)
DirtEYblooog (dirtydeeds)
Di tutto... un po' (jordan20)
AK47 (lillo)
Esperienze elettroniche (marco438)
Telecomunicazioni musicali (clavicordo)
Automazione ed Elettronica (gustavo)
Direttive per la sicurezza (ErnestoCappelletti)
EYnfo dall'Alaska (mir)
Apriamo il quadro! (attilio)
H7-25 (asdf)
Passione Elettrica (massimob)
Elettroni a spasso (guidob)
Bloguerra (guerra)







