IsidoroKZ ha scritto:(...)
Una volta avevo trovato on line la descrizione del funzionamento, ma non lo trovo più.
(...)
1, 2
Invece, qui, spiega come testarlo.
Max
Moderatori:
carloc,
g.schgor,
BrunoValente,
IsidoroKZ
IsidoroKZ ha scritto:(...)
Una volta avevo trovato on line la descrizione del funzionamento, ma non lo trovo più.
(...)
Max

lrinetti ha scritto:Il PLC assorbe 120mA@12V.


Max2433BO ha scritto:IsidoroKZ, forse ti riferisci ad uno di due?
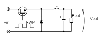
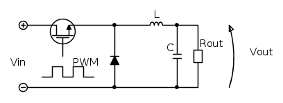
stefanopc ha scritto:Io pensavo a un circuito di questo tipo..
IsidoroKZ ha scritto:
La tensione di uscita è al massimo un pochino più bassa di quella di ingresso. Questo può essere un problema
Visitano il forum: Nessuno e 344 ospiti