stefanopc ha scritto:Per caso hai uno schema della radiolina in oggetto?
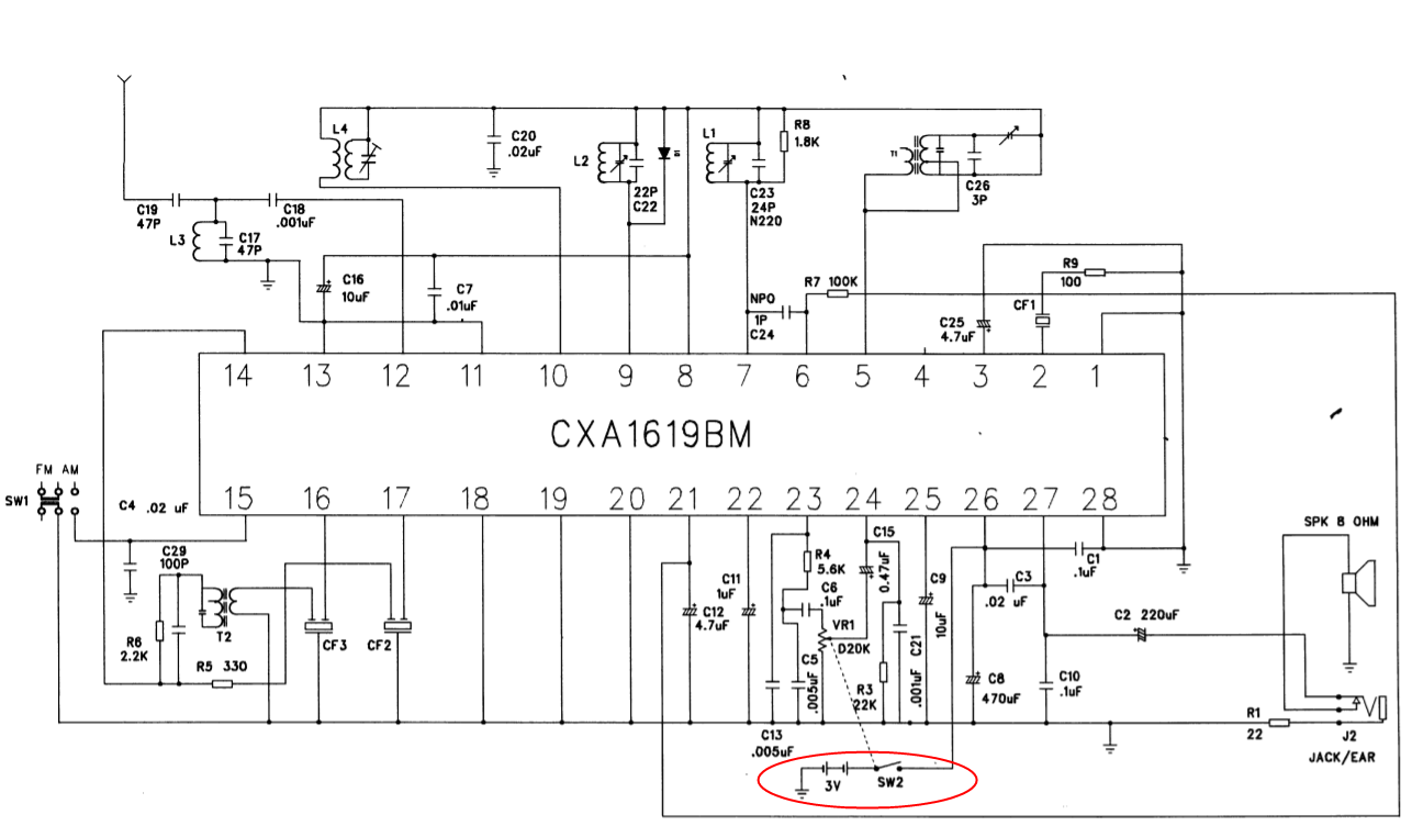
Questo dovrebbe essere il link per il service manual, riporto per comodità lo schema principale:
stefanopc ha scritto:Veramente interessante che in una radio grundig ci sia un integrato sony.




Torna a Costruzione, riparazione, riutilizzo
Visitano il forum: Nessuno e 6 ospiti