Ciao!
ho questo piccolo circuito per la gestione/ricarica solare della o delle batterie installate..funziona 'tutto' tranne la ricarica attraverso il pannello solare..riporto lo schema, col primo settore che è quello dedicato alla ricarica solare.. https://www.waveshare.com/w/upload/d/d2 ... ematic.pdf
ho testato praticamente tutti i componenti ma non ho trovato corti..qualche suggerimento?
Grazie mille!
scheda con ricarica solare non funzionante
Moderatori:
carloc,
g.schgor,
BrunoValente,
IsidoroKZ
15 messaggi
• Pagina 1 di 2 • 1, 2
2
voti
stefano1971 ha scritto:qualche suggerimento?
Direi che per prima cosa si dovrebbe verificare che il pannello solare utilizzato sia funzionante, verifica semplice misurando la tensione ai capi dei morsetti di uscita del pannello.
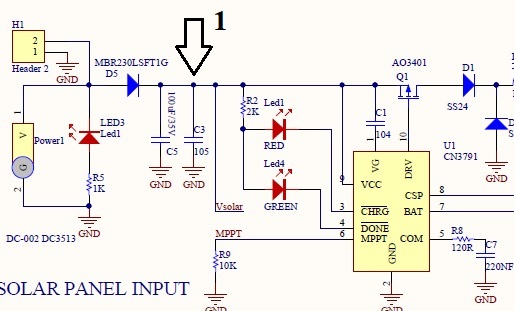
Se il pannello è funzionante, seguendo lo schema che hai postato ( e riposto in parte) il led 3 dovrebbe accendendersi, in caso contrario la prima verifica può essere la misura di tensione al punto 1 indicato dalla freccia..
I circuiti sono controcorrente. Seguono sempre la massa
-Per rispondere utilizza il tasto [RISPONDI] e non il tasto [CITA], grazie.-
-Per rispondere utilizza il tasto [RISPONDI] e non il tasto [CITA], grazie.-
1
voti
A parte che il LED 3 è invertito (spero solo sullo schema), se non ce tensione sul punto "1" prova a vedere cosa hai sull'anodo di D5.
perché non so se hai testato il pannello solare ma potrebbe anche essere lui. Non guardare se fornisce solo la tensione ma piuttosto vedi se fornisce corrente.
perché non so se hai testato il pannello solare ma potrebbe anche essere lui. Non guardare se fornisce solo la tensione ma piuttosto vedi se fornisce corrente.
1
voti
vi ringrazio innanzi tutto per le risposte..
il pannello funziona e eroga circa 550mAh..con una tensione di circa 17V..direi quindi che per un pannello da 10W funziona..
Sul diodo e su C3 (anche se non ho capito benissimo quale è..) ritrovo la stessa tensione (17,2V)..anche sul condensatore stesso tensione..
il pannello funziona e eroga circa 550mAh..con una tensione di circa 17V..direi quindi che per un pannello da 10W funziona..
Sul diodo e su C3 (anche se non ho capito benissimo quale è..) ritrovo la stessa tensione (17,2V)..anche sul condensatore stesso tensione..
-

stefano1971
63 5 - Frequentatore

- Messaggi: 157
- Iscritto il: 1 ago 2008, 20:26
1
voti
stefano1971 ha scritto:anche se non ho capito benissimo quale è..
Eh no, per eseguire la misura e fornire la risposta bisogna essere certi, pertanto se non hai serigrafato sul PCB i riferimenti puoi seguire le piste per identificare i componenti.
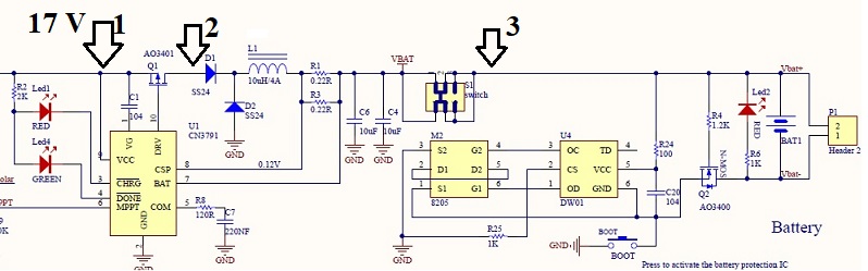
Comunque ammesso che il valore di 17,2 V lo misuri ai capi del diodo indicato, o meglio nel punto 1 della precedente immagine, dovresti misurare anche i 17,2 V a seguire nei punti 2 e 3 nello schema che segue ..
se non misuri tensione:
-nel punto 2 è incriminato il Q1 che può essere guasto e in questo caso andrà verificato con il multimetro, o può non essere pilotato dall'integrato e in questo caso bisognerà capire il perché ..
-nel punto 3 ci sarà da verificare con il multimetro la L1 e la R1 e non ultimo verificare che lo switch S1 sia in posizione corretta.
Se invece misuri tensione anche nel punto 3 il led 2 dovrà essere acceso e la batteria sotto carica ..
I circuiti sono controcorrente. Seguono sempre la massa
-Per rispondere utilizza il tasto [RISPONDI] e non il tasto [CITA], grazie.-
-Per rispondere utilizza il tasto [RISPONDI] e non il tasto [CITA], grazie.-
1
voti
per una capra in elettronica come il sottoscritto hai anche troppa pazienza
..grazie..
allora..
dall'integrato (punto 1) escono i 17V..
sui diodi D1 e D2 (SS24) 0V spaccati..
Q1 eroga normalmente i suoi 17/18v..
allora..
dall'integrato (punto 1) escono i 17V..
sui diodi D1 e D2 (SS24) 0V spaccati..
Q1 eroga normalmente i suoi 17/18v..
-

stefano1971
63 5 - Frequentatore

- Messaggi: 157
- Iscritto il: 1 ago 2008, 20:26
0
voti
rettifico 0,59 e 0,60V rispettivamente su d2 e d1..
-

stefano1971
63 5 - Frequentatore

- Messaggi: 157
- Iscritto il: 1 ago 2008, 20:26
0
voti
stefano1971 ha scritto:dall'integrato (punto 1) escono i 17V..
Q1 eroga normalmente i suoi 17/18v..
..
stefano1971 ha scritto:rettifico 0,59 e 0,60V rispettivamente su d2 e d1
posso chiederti come esegui le misure che hai indicato ?
I circuiti sono controcorrente. Seguono sempre la massa
-Per rispondere utilizza il tasto [RISPONDI] e non il tasto [CITA], grazie.-
-Per rispondere utilizza il tasto [RISPONDI] e non il tasto [CITA], grazie.-
0
voti
ciao,
ho misurato in questi punti..per il 3 ho avuto difficoltà e sono andato a vedere eventuali corti sul Q2..
ho misurato in questi punti..per il 3 ho avuto difficoltà e sono andato a vedere eventuali corti sul Q2..
-

stefano1971
63 5 - Frequentatore

- Messaggi: 157
- Iscritto il: 1 ago 2008, 20:26
15 messaggi
• Pagina 1 di 2 • 1, 2
Chi c’è in linea
Visitano il forum: Nessuno e 48 ospiti

Elettrotecnica e non solo (admin)
Un gatto tra gli elettroni (IsidoroKZ)
Esperienza e simulazioni (g.schgor)
Moleskine di un idraulico (RenzoDF)
Il Blog di ElectroYou (webmaster)
Idee microcontrollate (TardoFreak)
PICcoli grandi PICMicro (Paolino)
Il blog elettrico di carloc (carloc)
DirtEYblooog (dirtydeeds)
Di tutto... un po' (jordan20)
AK47 (lillo)
Esperienze elettroniche (marco438)
Telecomunicazioni musicali (clavicordo)
Automazione ed Elettronica (gustavo)
Direttive per la sicurezza (ErnestoCappelletti)
EYnfo dall'Alaska (mir)
Apriamo il quadro! (attilio)
H7-25 (asdf)
Passione Elettrica (massimob)
Elettroni a spasso (guidob)
Bloguerra (guerra)


