Salve a tutti,
Recentemente la velocità massima della mia cappa di aspirazione Whirlpool GXU7130DXS ha smesso di funzionare, mi riferisco al controllo D nella foto sotto.
Se uso B o C nessun problema, ma quando premo D, invece di attivare la velocità massima, la ventola si spegne.
Questo link https://www.whirlpool.com/content/dam/global/documents/201508/installation-instructions-W10320576-RevB.pdf porta al manuale d'uso, a pagina 12 c'è lo schema elettrico.
Ecco cosa ho fatto finora:
1) Testato i condensatori, sono tutti perfetti.
2) Ho smontato tutto l'interruttore, le lamelle dei contatti erano sporche, quindi le ho pulite perfettamente, rimontato l'interruttore, ma il problema persiste.
3) Ho fatto un test di continuità e da quello che vedo, quando premo tutti gli interruttori, funzionano come previsto, il che significa che stanno facendo il loro lavoro
4) Ho controllato tutte le connessioni, tutte apposto
Se misuro con il voltmetro fra:
1 (giallo) e 2 (bassa velocità / pulsante ON) - Premo 2 - ottengo 122V (la bassa velocità funziona bene)
1 (giallo) e 3 (velocità media) - Premo 3 - ottengo 122V (la velocità media funziona bene)
1 (giallo) e 4 (Alta velocità) - Premo 4 - Ricevo 122V -> ma si spegne tutto, invece di partire con la massima velocità
(Sono in Canada, quindi questo spiega la tensione)
Ho notato che se misuro la tensione tra 1 e 4 senza premere il pulsante 4, ottengo 10.7V.
Non sono un esperto di elettronica, per cui ho soltanto verificato le cose base, ma ciò che mi lascia perplesso e' che da 1 a 4 avendo i 120V dovrebbe funzionare, ma invece spegne tutto.
A meno che alcune delle lamelle che si vedono in foto non facciano bene il proprio lavoro, ma difficile a dire perché una volta inserito il coperchio dello switch, (che serve a garantire il funzionamento corretto dei pulsanti) non posso vedere cosa succede dentro.
Non so se comprare un nuovo switch, perché costa tipo $150 e se poi non e' quello il problema, gli ho tirati via. D'altra parte non riesco a capire cos'altro possa essere, non e' che li ci sia molto da esaminare.
Vi ringrazio per il vostro aiuto!
Saluti
Alessandro
Cappa Whirlpool - Problema con la massima velocita'
30 messaggi
• Pagina 1 di 3 • 1, 2, 3
0
voti
Hai misurato gli avvolgimenti del motore? Potrebbe essersi interrotto l'avvolgimento della alta velocità
-

SediciAmpere
4.187 5 5 8 - Master

- Messaggi: 4847
- Iscritto il: 31 ott 2013, 15:00
0
voti
Complimenti per la descrizione anche se hai rilevato solo sul punto 4 una V di 10.7 V e non sugli altri due punti.
Non so come sei sicuro della bontà delle capacità ?
Io comincerei con provarne una delle due che funzionano sul 4 vedere che succede.
Non so come sei sicuro della bontà delle capacità ?
Io comincerei con provarne una delle due che funzionano sul 4 vedere che succede.
2
voti
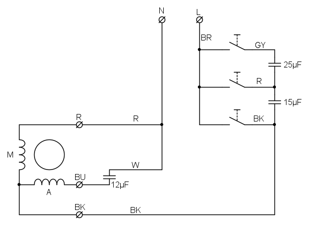
Da quello che vedo sullo schema, abbiamo un motore monofase a condensatore permanentemente inserito (quello da 12
), in cui la variazione di velocità è stata ottenuta diminuendo la tensione di alimentazione secondo quanto avevo illustrato in questo articolo, ovvero andando a variare la condizione di regime:
La diminuzione della tensione è ottenuta inserendo in serie al comune degli avvolgimenti una capacità, ho tentato di semplificare lo schema:
quindi avremmo:
Detto questo, se alle velocità inferiori il motore funziona correttamente, gli avvolgimenti, il condensatore permanentemente inserito e gli altri due condensatori sono a posto, sembrerebbe quindi a mio avviso un problema di contatto, o sull'interruttore oppure vedo che il conduttore nero dall'interruttore della terza velocità entra anche in un connettore, forse è lì il problema.
Una prova che farei io, ovviamente staccando la tensione, è di connettere il motore in maniera diretta (quindi alla velocità massima) facendo un ponte sulla morsettiera:
), in cui la variazione di velocità è stata ottenuta diminuendo la tensione di alimentazione secondo quanto avevo illustrato in questo articolo, ovvero andando a variare la condizione di regime:La diminuzione della tensione è ottenuta inserendo in serie al comune degli avvolgimenti una capacità, ho tentato di semplificare lo schema:
quindi avremmo:
- alla velocità massima il motore è connesso direttamente alla rete
- alla velocità intermedia viene inserito un condensatore da 15
, quindi una reattanza capacitiva di
- alla velocità minima viene inserito in serie un ulteriore condensatore da 25
, ottenendo una capacità equivalente di
quindi una reattanza capacitiva di
Detto questo, se alle velocità inferiori il motore funziona correttamente, gli avvolgimenti, il condensatore permanentemente inserito e gli altri due condensatori sono a posto, sembrerebbe quindi a mio avviso un problema di contatto, o sull'interruttore oppure vedo che il conduttore nero dall'interruttore della terza velocità entra anche in un connettore, forse è lì il problema.
Una prova che farei io, ovviamente staccando la tensione, è di connettere il motore in maniera diretta (quindi alla velocità massima) facendo un ponte sulla morsettiera:
1
voti
Grazie a tutti per aver condiviso la vostra conoscenza!
In particolare, nicsergio, sei andato oltre qualunque mia aspettativa ed anche se non sono in grado di comprendere interamente le tue formule, sono sicuro di essere in buone mani!
Prima di fare la prova, confermo che avevo già testato la connessione del nero nel morsetto del condensatore a 15uF ed anche muovendolo energicamente, niente cambia.
Per rispondere a Titan, i condensatori gli ho tolti tutti e misurati uno per uno col tester, che ha la funzione per misurare direttamente i uF, sono tutti bene nella tolleranza, quasi perfetti direi.
Allora, se metto il ponticello, ed inserisco la presa, il motore dovrebbe partire subito senza premere il 4, corretto? Se funziona questo proverebbe che il motore e' a posto, e quindi, rimane solo l'interruttore difettoso, Giusto?
Appena finisco di lavorare ci provo, ehh si, per voi e' già sera, ma io sono ancora in ufficio
Di nuovo grazie a tutti!
Alessandro
In particolare, nicsergio, sei andato oltre qualunque mia aspettativa ed anche se non sono in grado di comprendere interamente le tue formule, sono sicuro di essere in buone mani!
Prima di fare la prova, confermo che avevo già testato la connessione del nero nel morsetto del condensatore a 15uF ed anche muovendolo energicamente, niente cambia.
Per rispondere a Titan, i condensatori gli ho tolti tutti e misurati uno per uno col tester, che ha la funzione per misurare direttamente i uF, sono tutti bene nella tolleranza, quasi perfetti direi.
Allora, se metto il ponticello, ed inserisco la presa, il motore dovrebbe partire subito senza premere il 4, corretto? Se funziona questo proverebbe che il motore e' a posto, e quindi, rimane solo l'interruttore difettoso, Giusto?
Appena finisco di lavorare ci provo, ehh si, per voi e' già sera, ma io sono ancora in ufficio
Di nuovo grazie a tutti!
Alessandro
-

Metallo
26 2 - Utente disattivato per decisione dell'amministrazione proprietaria del sito
- Messaggi: 36
- Iscritto il: 28 feb 2013, 4:15
- Località: Canada
0
voti
Metallo ha scritto:Allora, se metto il ponticello, ed inserisco la presa, il motore dovrebbe partire subito senza premere il 4, corretto?
Esatto, dovrebbe partire alla massima velocità.
Occhio che c'è anche un connettore bianco dove passano tutti i conduttori che vanno alla pulsantiera.
0
voti
OK fatto e confermo che il motore collegato direttamente alla AC gira come una palla.
Quindi devo concludere che e' lo switch?
Se e' cosi' non so veramente come ripararlo, ne ho provate di tutte, evidentemente quando lo chiudo col coperchio a pressione, succede qualcosa che non posso verificare.
Quindi devo comprarlo nuovo, comunque sempre meglio che comprare l'intera cappa.
Alessandro
Quindi devo concludere che e' lo switch?
Se e' cosi' non so veramente come ripararlo, ne ho provate di tutte, evidentemente quando lo chiudo col coperchio a pressione, succede qualcosa che non posso verificare.
Quindi devo comprarlo nuovo, comunque sempre meglio che comprare l'intera cappa.
Alessandro
-

Metallo
26 2 - Utente disattivato per decisione dell'amministrazione proprietaria del sito
- Messaggi: 36
- Iscritto il: 28 feb 2013, 4:15
- Località: Canada
0
voti
Il contatto incriminato sullo switch, se il problema è lì, sarebbe questo:
Per tagliare la testa al toro, io proverei ad utilizzare l'interruttore C al posto del D per comandare l'alta velocità, eseguendo questi collegamenti:
il conduttore rosso (R) della velocità intermedia puoi temporaneamente isolarlo.
In questa maniera, agendo su B accendi il motore a bassa velocità, mentre con C dovrebbe commutare sull'alta. Se così funziona allora il problema è proprio sul contatto normalmente aperto di D.
Per tagliare la testa al toro, io proverei ad utilizzare l'interruttore C al posto del D per comandare l'alta velocità, eseguendo questi collegamenti:
- L -> portare la fase, conduttore marrone (BR)
- 2 -> portare il comando della velocità lenta, conduttore grigio (GY)
- 3 -> portare il comando della velocità alta, conduttore nero (BK)
il conduttore rosso (R) della velocità intermedia puoi temporaneamente isolarlo.
In questa maniera, agendo su B accendi il motore a bassa velocità, mentre con C dovrebbe commutare sull'alta. Se così funziona allora il problema è proprio sul contatto normalmente aperto di D.
0
voti
Se il pannello comandi della cappa ha spazio e l'estetica non ne risente troppo, si potrebbe anche aggiungere un nuovo interruttore solo per la velocità massima
0
voti
@Nicsergio: quello che dici ha senso, ma il problema e' che ogni volta che apro lo switch, tutte le molle, lamelle ecc. saltano via, quindi ogni volta che le rimonto sono a caso, anche perché sono tutte identiche, le ho pulite una per una.
Questo secondo me, rende la prova che suggerisci, praticamente inutile perché gli interruttori sono tutti uguali.
Peccato che non posso testare lo switch senza il coperchio, ma purtroppo quando gli interruttori sono fatti cosi' c’è poco da farci
Alev: buona anche la tua idea, in sostanza uno compra un piccolo switch separato da pochi euro, fa un foro sul pannello frontale della cappa e lo collega direttamente al motore. Vediamo, a quanto riesco a trovare uno switch nuovo, i prezzi variano molto a seconda di quale negozio online lo compri... comunque sono cose da matti, uno switch del genere in Cina costa non più di € 1.00, ma si sa, domanda/offerta, catena di distribuzione ecc. Che mondo ragazzi.
Questo secondo me, rende la prova che suggerisci, praticamente inutile perché gli interruttori sono tutti uguali.
Peccato che non posso testare lo switch senza il coperchio, ma purtroppo quando gli interruttori sono fatti cosi' c’è poco da farci
Alev: buona anche la tua idea, in sostanza uno compra un piccolo switch separato da pochi euro, fa un foro sul pannello frontale della cappa e lo collega direttamente al motore. Vediamo, a quanto riesco a trovare uno switch nuovo, i prezzi variano molto a seconda di quale negozio online lo compri... comunque sono cose da matti, uno switch del genere in Cina costa non più di € 1.00, ma si sa, domanda/offerta, catena di distribuzione ecc. Che mondo ragazzi.
-

Metallo
26 2 - Utente disattivato per decisione dell'amministrazione proprietaria del sito
- Messaggi: 36
- Iscritto il: 28 feb 2013, 4:15
- Località: Canada
30 messaggi
• Pagina 1 di 3 • 1, 2, 3
Torna a Costruzione, riparazione, riutilizzo
Chi c’è in linea
Visitano il forum: Nessuno e 6 ospiti

Elettrotecnica e non solo (admin)
Un gatto tra gli elettroni (IsidoroKZ)
Esperienza e simulazioni (g.schgor)
Moleskine di un idraulico (RenzoDF)
Il Blog di ElectroYou (webmaster)
Idee microcontrollate (TardoFreak)
PICcoli grandi PICMicro (Paolino)
Il blog elettrico di carloc (carloc)
DirtEYblooog (dirtydeeds)
Di tutto... un po' (jordan20)
AK47 (lillo)
Esperienze elettroniche (marco438)
Telecomunicazioni musicali (clavicordo)
Automazione ed Elettronica (gustavo)
Direttive per la sicurezza (ErnestoCappelletti)
EYnfo dall'Alaska (mir)
Apriamo il quadro! (attilio)
H7-25 (asdf)
Passione Elettrica (massimob)
Elettroni a spasso (guidob)
Bloguerra (guerra)




