Cos'è ElectroYou | Login Iscriviti

ElectroYou - la comunità dei professionisti del mondo elettrico

Reostato di potenza elettronico

Elettronica lineare e digitale: didattica ed applicazioni

Moderatori: Foto Utentecarloc, Foto Utenteg.schgor, Foto UtenteBrunoValente, Foto UtenteIsidoroKZ

6
voti

[1] Reostato di potenza elettronico

Messaggioda Foto Utentegianniniivo » 25 feb 2022, 17:44

Buon giorno Forum.
Recentemente ho terminato le prove sul prototipo di un alimentatore lineare dotato di duplicatore di tensione con la gestione automatica della tensione e della corrente. Lo sviluppo dell’automatismo sul duplicatore è stato possibile grazie alla collaborazione iniziale di Foto UtenteIsidoroKZ e a quella determinante e caparbia di Foto UtenteBrunoValente che, entrambi, ringrazio vivamente.

Personalmente ho avuto il mero ruolo di esecutore anche se l’impegno profuso non è stato da poco, sia pur in un ruolo meno pregiato.

Abbiamo incontrato anche delle difficoltà e siamo stati tentati di accontentarci della soluzione a commutazione manuale, poi però ha prevalso lo stoico determinismo di Bruno e ce l'abbiamo fatta.

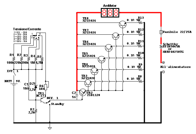
Adesso, in attesa che Foto UtenteEtemenanki trovi un po’ di tempo per sgarbugliare il circuito su delle PCB, ho separato in blocchi l’alimentatore per recuperare spazio e per proteggerlo da eventuali incidenti ma ho riutilizzato lo stadio finale per il progetto che mi accingo a presentare. L’idea di questa realizzazione non è casuale o per impegnare il tempo ma è complementare all’alimentatore oltre a che ad altre utilizzazioni che per brevità non sto a descrivere. Infatti, il problema principale che ho personalmente incontrato durante le prove è stato misurare la corrente e le complicazioni derivanti dalla gestione dei carichi. Pur non essendo mal messo con la disponibilità di carichi di potenza (fortunatamente ereditati) non nascondo che la necessità di combinarli in serie o in parallelo o in serie + parallelo, è stato un vero stress e anche una preoccupazione per possibili disattenzioni o danni che puntualmente si sono verificati. Ho quindi pensato alla possibilità di sostituire i resistori di potenza costruendo un circuito elettronico facente funzione di carico fittizio. Per la realizzazione ho recuperato lo schema di un vecchio progetto di NE degli anni ’70 e l’ho modificato per poterlo utilizzare anche con alimentatori ad alta tensione e ad alta potenza e per provarlo ho utilizzato lo stadio di potenza dell’alimentatore. Il circuito base di NE non poteva funzionare ad 80V 10A ma neanche a 40V 20A e per raggiungere l’obbiettivo ho dovuto introdurre alcune modifiche utili a dargli la flessibilità voluta.

Oltre allo stadio di potenza, ho dovuto aggiungere delle resistenze ed un selettore che le commutasse per determinare la corrente massima erogabile a definiti valori di tensione. I valori preimpostati sono oggetto di una scelta personale ma nulla osta alla loro modifica. Come si può rilevare dallo schema, il circuito è molto semplice ma funziona bene. Consiste sostanzialmente in uno stadio di regolazione, uno stadio di potenza e un amperometro. NE aveva previsto un’alimentazione da rete con relativo trasformatore ma dopo aver verificato che il consumo massimo del circuito, alimentato a 9V, era di soli 4 mA nello stato di standby e poco più di 2 mA durante le misurazioni, ho optato per l’alimentazione a batteria. Il deviatore DEV1 (standby), è utile per evitare sfiammate in occasione dell’applicazione o rimozione del carico. Non sono convinto dell’utilità del diodo Schottky, messo più che altro come protezione per l’inversione di polarità, forse avrei potuto includere un raddrizzatore onde collaudare anche i trasformatori ma non essendomi mai capitato di averne bisogno non ho incluso il ponte e il filtro nel circuito.

Per il resto non avrei altro da aggiungere oltre a quanto rilevabile dal semplice schema. Se qualche amico avesse qualche suggerimento da dare, sarebbe molto gradito, dato che il dispositivo è ancora in modalità “volante”. Hai visto mai che si possa inserire qualche automatismo? :D :mrgreen:

Grazie per l’attenzione.
Avatar utente
Foto Utentegianniniivo
9.035 7 11 13
No Rank
 
Messaggi: 2874
Iscritto il: 5 feb 2019, 23:50

0
voti

[2] Re: Reostato di potenza elettronico

Messaggioda Foto UtenteBrunoValente » 25 feb 2022, 18:13

Ciao Ivo, non mi pare possa funzionare, sicuro non vi siano errori nello schema?
Quale è il numero di N.E. dove si trova lo schema originale?
Avatar utente
Foto UtenteBrunoValente
39,6k 7 11 13
G.Master EY
G.Master EY
 
Messaggi: 7796
Iscritto il: 8 mag 2007, 14:48

0
voti

[3] Re: Reostato di potenza elettronico

Messaggioda Foto Utentegianniniivo » 25 feb 2022, 18:19

Ciao Bruno, si tratta del LX85, rivista N° 29 del 1974.
Se ritieni che non possa funzionare potrebbe dipendere da un mio errore di ritracciamento dello schema però garantisco che il funzionamento è assicurato.

Adesso devo uscire per una mezz'oretta ma lascio acceso il PC, chiedo scusa per la coincidenza.
Avatar utente
Foto Utentegianniniivo
9.035 7 11 13
No Rank
 
Messaggi: 2874
Iscritto il: 5 feb 2019, 23:50

1
voti

[4] Re: Reostato di potenza elettronico

Messaggioda Foto UtenteBrunoValente » 25 feb 2022, 18:33

Effettivamente ricalca lo schema originale ma anche quello mi desta le stesse perplessità: il valore della corrente nel carico mi pare risenta abbondantemente della temperatura perché nella regolazione fatta in quel modo c'è di mezzo il beta dei transistor che come è noto non è ripetitivo ed è fortemente temperatura-dipendente.
Avatar utente
Foto UtenteBrunoValente
39,6k 7 11 13
G.Master EY
G.Master EY
 
Messaggi: 7796
Iscritto il: 8 mag 2007, 14:48

1
voti

[5] Re: Reostato di potenza elettronico

Messaggioda Foto Utentestefanopc » 25 feb 2022, 18:35

Volendo si potrebbe fare riferimento anche a questa discussione.
viewtopic.php?f=1&t=84665
Si potrebbe anche pensare di fare in modo che l'alimentatore che avete progettato diventi all'occorrenza un carico variabile utilizzando i numerosi finali per entrambe le necessità.
Certo due apparecchi separati sono più comodi in parecchi casi.
Complimenti a Foto Utentegianniniivo per l'iniziativa.
Ciao
600 Elettra
Avatar utente
Foto Utentestefanopc
13,3k 5 9 13
Master EY
Master EY
 
Messaggi: 5567
Iscritto il: 4 ago 2020, 9:11

1
voti

[6] Re: Reostato di potenza elettronico

Messaggioda Foto Utentesetteali » 25 feb 2022, 18:56

Chi dorme non piglia pesci, bravo Ivo è interessante il circuito, ora è da vedere se le perplessità di Bruno sono fondate, figuriamoci, che si sbagli è dura.
Alex
https://www.facebook.com/Elettronicaeelettrotecnica

<< vedi di pigliare arditamente in mano, il dizionario che ti suona in bocca,
se non altro è schietto e paesano.
(Giuseppe Giusti) <<
Avatar utente
Foto Utentesetteali
11,9k 5 5 9
Master
Master
 
Messaggi: 5921
Iscritto il: 15 dic 2013, 21:09

0
voti

[7] Re: Reostato di potenza elettronico

Messaggioda Foto Utentegianniniivo » 25 feb 2022, 19:35

Molte grazie a tutti.
Sono appena rientrato e chiedo scusa per l'assenza improvvisa.

Ho pensato, infatti, che il circuito potesse essere di utilità per gli amici del Forum e l'ho pubblicato.

Purtroppo non ho potuto fare le prove precise alla massima tensione e corrente perché avendo sezionato con cura l'alimentatore e non volendo ricostruire uno stadio finale per fare il test, ho dovuto arrangiarmi con sei batterie da UPS da 9Ah. Mi sono arrangiato come ho potuto però i risultati sono stati ugualmente incoraggianti e credo che il circuito possa considerarsi affidabile. Comunque non avendo una sorgente potente da misurare non escludo che il il rischio segnalato da Bruno possa farsi sentire in qualche condizione estrema.
Per quanto concerne il link segnalato da Stefano, adesso vado a leggerlo, a dopo... :ok:
Avatar utente
Foto Utentegianniniivo
9.035 7 11 13
No Rank
 
Messaggi: 2874
Iscritto il: 5 feb 2019, 23:50

0
voti

[8] Re: Reostato di potenza elettronico

Messaggioda Foto Utentegianniniivo » 25 feb 2022, 19:58

Ciao Alex, se Bruno è perplesso non oso mettere in dubbio le sue riserve ma dalle prove che ho potuto svolgere, sia pur con i modesti mezzi disponibili, sono ottimista. Del resto, anche le resistenze scaldandosi cambiano di valore. Me ne sono reso conto per bene durante le prove da kW che ho fatto per l'alimentatore. Mi sono bruciato anche la manica di un giubbotto, non essendomi accorto di averla appoggiata... :mrgreen:

Bruno, ma le tue perplessità, ancorché fondate, inciderebbero in modo certo e pesante sul funzionamento del dispositivo.? Intendo dire: se invece di misurare 10A ne misurasse 9,5 non lo riterrei un problema...

Il circuitino mi è risultato ancora più simpatico quando ho constatato la possibilità di farlo funzionare anche con una batteria da 9V anziché con il trasformatore come previsto da NE. Magari invece di una batteria piatta da 9V si potrebbero anche utilizzare due o tre batteria al litio in serie ma questo sarebbe un dettaglio da prendere in considerazione come ultimo intervento. Del resto ha un consumo talmente minimale che l'alimentazione di rete risulta più un impiccio che una soluzione utile.

Per quanto riguarda il link di Stefano, ho rinunciato a leggerlo subito perché ho visto che sono parecchie pagine con il rinvio a numerosi link ma lo leggerò tutto con calma quando sarete tutti a nanna, considerato che io sono un vampiro e ho una prolungata vita notturna... :D
Avatar utente
Foto Utentegianniniivo
9.035 7 11 13
No Rank
 
Messaggi: 2874
Iscritto il: 5 feb 2019, 23:50

0
voti

[9] Re: Reostato di potenza elettronico

Messaggioda Foto Utentestefanopc » 25 feb 2022, 20:04

:-P Forse Bruno è stato precipitoso nella sua dichiarazione.
Il sistema di solito non si basa sulla hfe dei transistor ma sulla tensione di base che viene riportata sull'emettitore esattamente come in un alimentatore lineare .
Di solito si prevede anche una reazione con relativo operazionale.
Se riesco dopo ti disegno lo schema evoluto a cui eravamo arrivati grazie alla " tempesta di cervelli ".
Ciao
600 Elettra
Avatar utente
Foto Utentestefanopc
13,3k 5 9 13
Master EY
Master EY
 
Messaggi: 5567
Iscritto il: 4 ago 2020, 9:11

0
voti

[10] Re: Reostato di potenza elettronico

Messaggioda Foto Utentegianniniivo » 25 feb 2022, 20:19

Infatti sono rimasto sorpreso nel leggere le perplessità di Bruno; non mi sono accorto, all'atto pratico, di quel problema. Ovviamente quando si fanno prove ad alta potenza bisogna essere rapidi per evitare surriscaldamenti ma non avendo grandi potenze disponibili non escludo che potrei trovarmi a dover affrontare quel fenomeno qualora avessi a disposizione l'alimentatore completato.

Vediamo se Bruno confermerà le sue perplessità e se dirà fino a che punto le sue riserve potrebbero influire sulle misurazioni.
Avatar utente
Foto Utentegianniniivo
9.035 7 11 13
No Rank
 
Messaggi: 2874
Iscritto il: 5 feb 2019, 23:50

Prossimo

Torna a Elettronica generale

Chi c’è in linea

Visitano il forum: Nessuno e 293 ospiti